GM Service Manual Online
For 1990-2009 cars only
Makes
🢒
Chevrolet
🢒
2000
🢒
S10 Pickup - 2WD
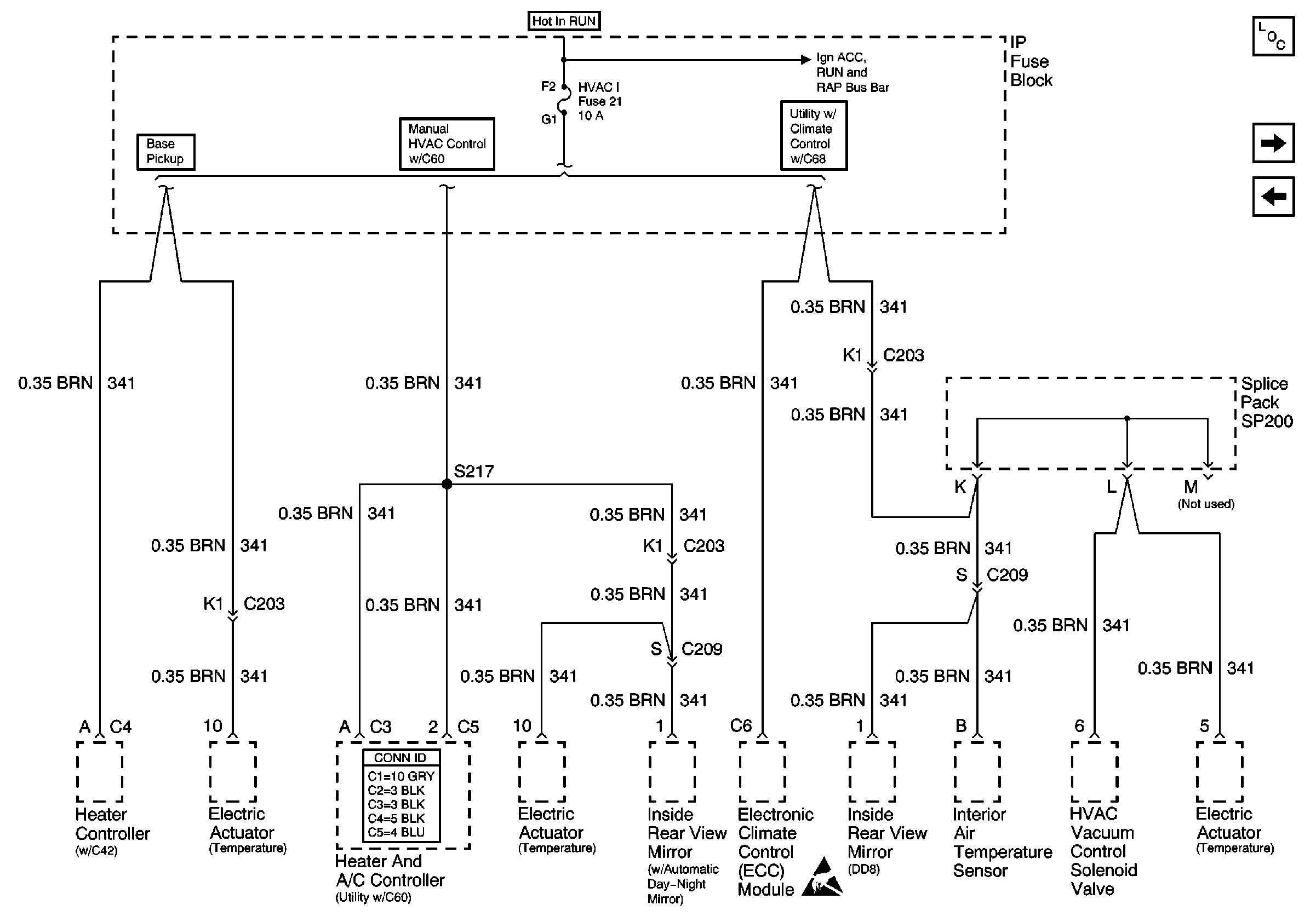
🢒 HVAC I Fuse
HVAC I Fuse
HVAC I Fuse
Power and Grounding Components
4WD Fuse (4.3L)
RR WPR, FRT WPR and ABS Fuses
Ign ACC, RUN and RAP Bus Bar
HVAC Connector End Views
Handling ESD Sensitive Parts Notice