GM Service Manual Online
For 1990-2009 cars only
Makes
🢒
Chevrolet
🢒
2000
🢒
S10 Pickup - 2WD
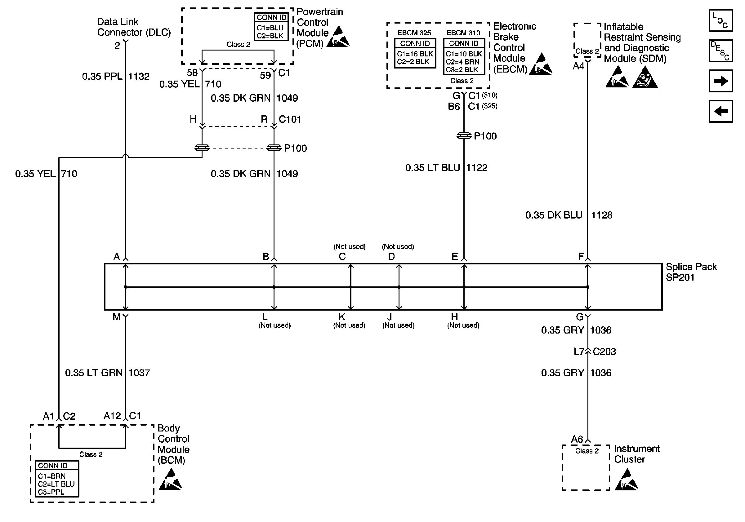
🢒 SP201 (2.2L)
SP201 (2.2L)
SP201 (2.2L)
Data Link Communications Components
Data Link Communications Circuit Description
SP201 (4.3L)
Power, Ground, Transfer Case Shift Control Module and Vehicle Interface Unit (VIU)
Powertrain Control Module Connector End Views
Handling ESD Sensitive Parts Notice
Antilock Brake System Connector End Views
Antilock Brake System Connector End Views
Handling ESD Sensitive Parts Notice
Handling ESD Sensitive Parts Notice
SIR Handling Caution
Body Control System Connector End Views
Handling ESD Sensitive Parts Notice
Handling ESD Sensitive Parts Notice