GM Service Manual Online
For 1990-2009 cars only
Makes
🢒
Chevrolet
🢒
2000
🢒
S10 Pickup - 2WD
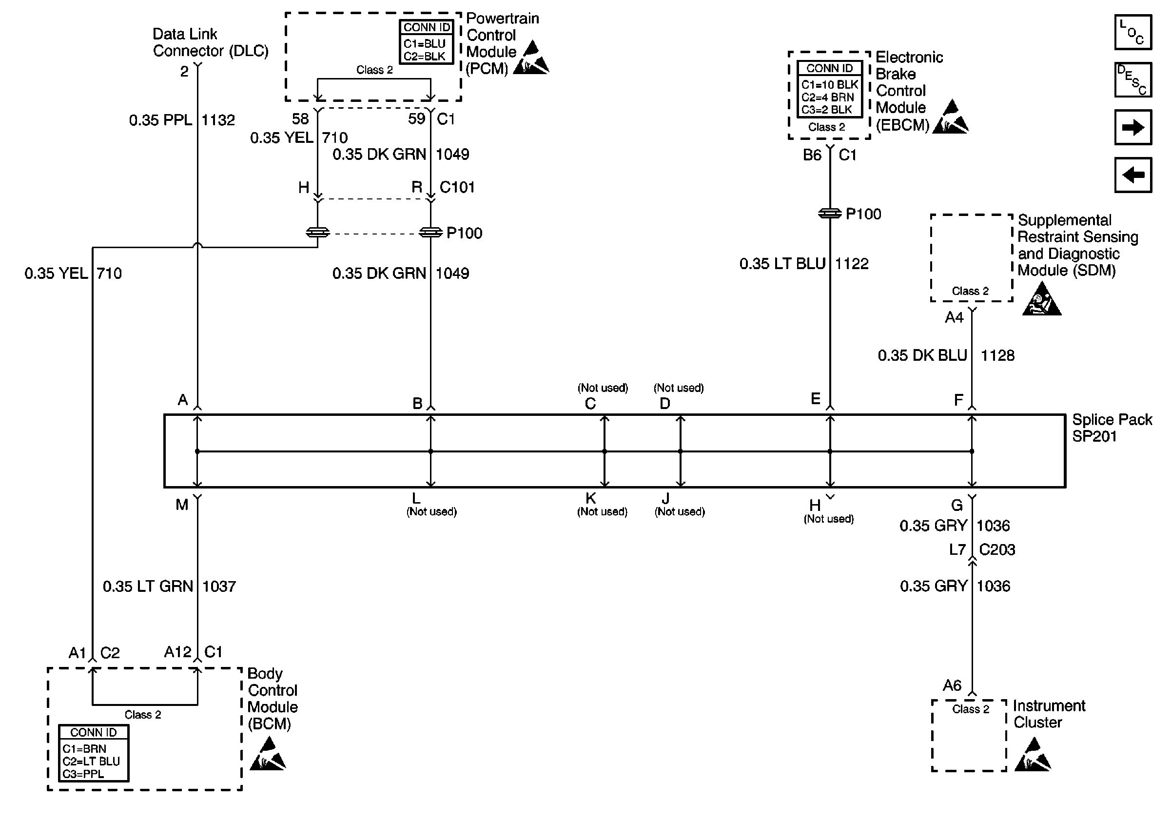
🢒 SP201 (2.2L)
SP201 (2.2L)
SP201 (2.2L)
Data Link Communications Components
Data Link Communications Circuit Description
SP201 (4.3L)
Power and Ground
Powertrain Control Module Connector End Views
Handling ESD Sensitive Parts Notice
Antilock Brake System Connector End Views
Handling ESD Sensitive Parts Notice
Handling ESD Sensitive Parts Notice
SRS Service Precautions
Body Control System Connector End Views
Handling ESD Sensitive Parts Notice
Handling ESD Sensitive Parts Notice