GM Service Manual Online
For 1990-2009 cars only
Makes
🢒
Chevrolet
🢒
2000
🢒
S10 Pickup - 2WD
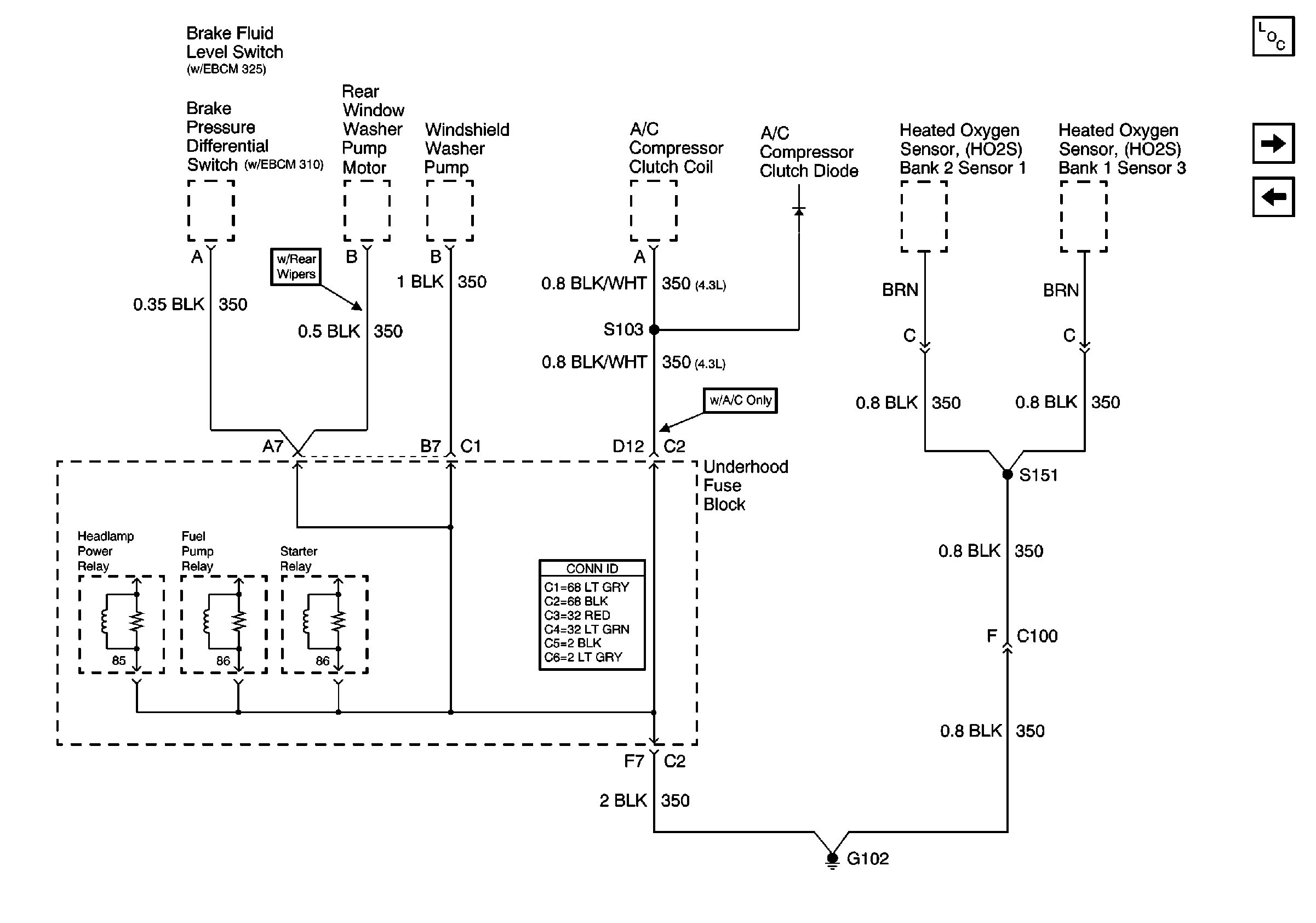
🢒 G102 (Export)
G102 (Export)
G102 (Export)
Power and Grounding Components
G103 and G105 (2.2L)
G102 (Except Export)
Power and Grounding Connector End Views