GM Service Manual Online
For 1990-2009 cars only
Makes
🢒
Chevrolet
🢒
2000
🢒
S10 Pickup - 2WD
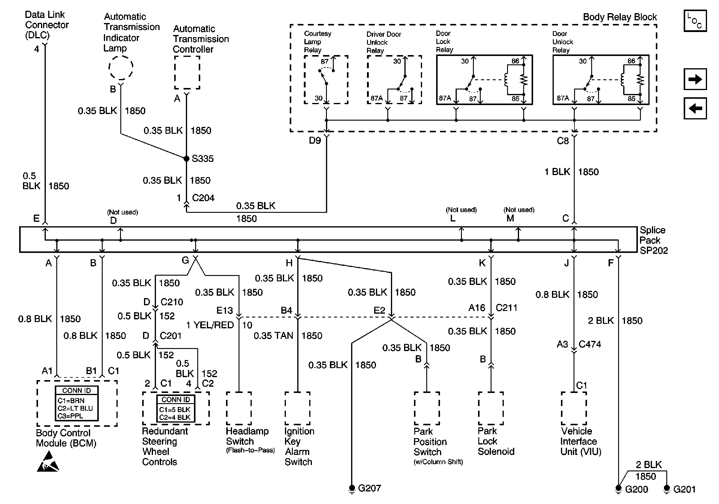
🢒 G200, G201 and G207 (Envoy)
G200, G201 and G207 (Envoy)
G200, G201 and G207 (Envoy)
Power and Grounding Components
G200, G201 and G207 (Export)
G200, G201 and G207 (Utility)
Handling ESD Sensitive Parts Notice
Body Control System Connector End Views