GM Service Manual Online
For 1990-2009 cars only
Makes
🢒
Chevrolet
🢒
2000
🢒
S10 Pickup - 2WD
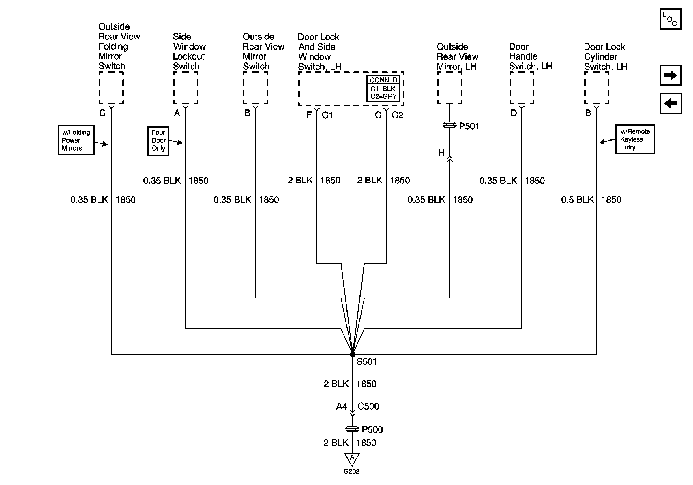
🢒 S501 (Utility)
S501 (Utility)
S501 (Utility)
Power and Grounding Components
G202 (Utility)
G203 and G204 (Pickup)
Power Door Systems Connector End Views
G202 (Utility)