GM Service Manual Online
For 1990-2009 cars only
Makes
🢒
Chevrolet
🢒
2000
🢒
S10 Pickup - 2WD
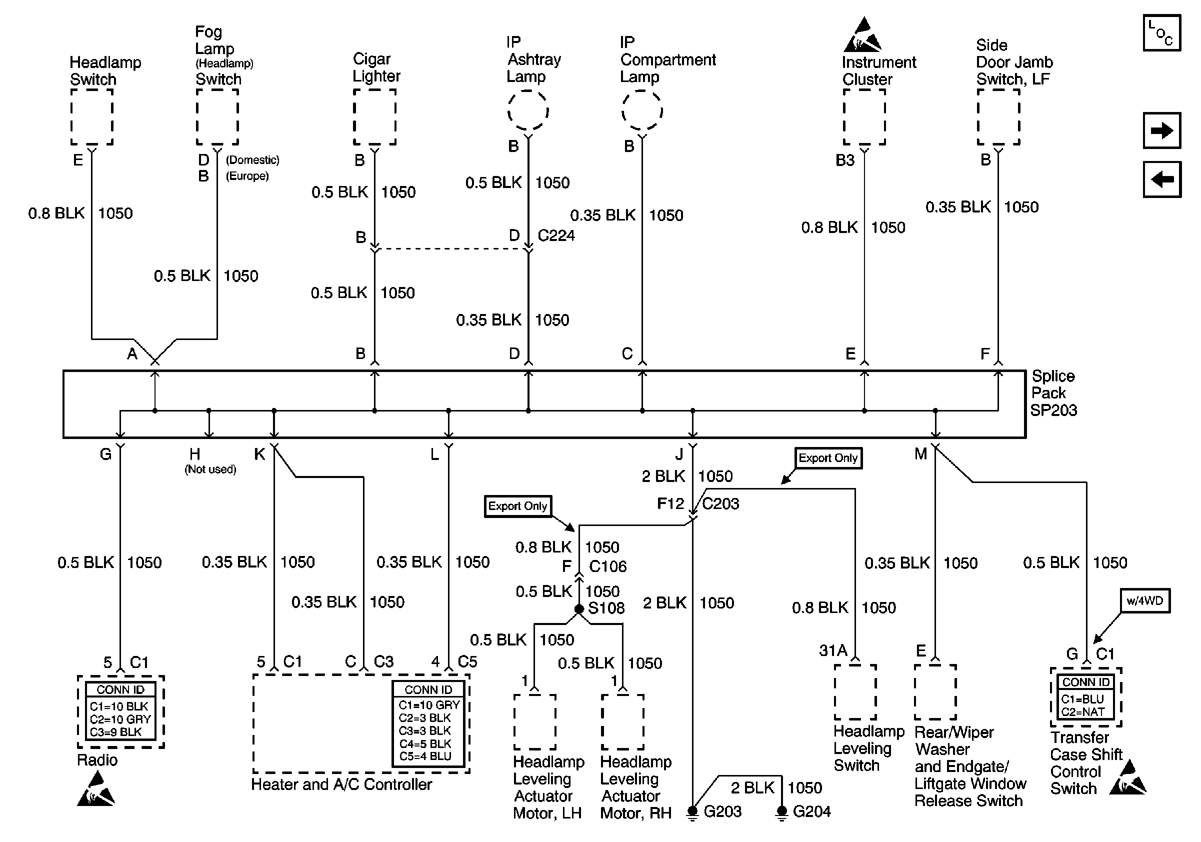
🢒 G203 and G204 (Utility w/ Manual A/C)
G203 and G204 (Utility w/ Manual A/C)
G203 and G204 (Utility w/ Manual A/C)
Power and Grounding Components
G203 and G204 (Utility w/ Automatic A/C)
G202 (Utility)
Handling ESD Sensitive Parts Notice
Handling ESD Sensitive Parts Notice
Entertainment Connector End Views
HVAC Connector End Views
Transfer Case Control Connector End Views
Handling ESD Sensitive Parts Notice