GM Service Manual Online
For 1990-2009 cars only
Makes
🢒
Chevrolet
🢒
2000
🢒
S10 Pickup - 2WD
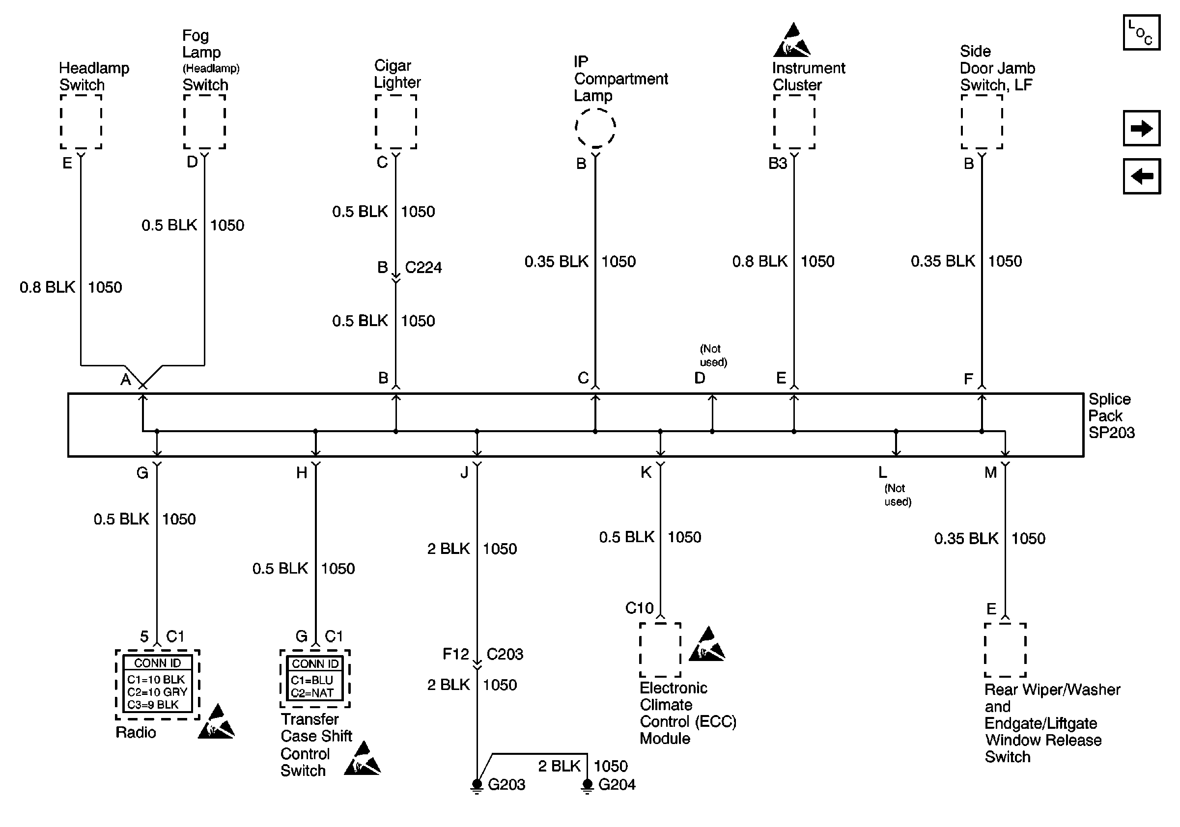
🢒 G203 and G204 (Envoy)
G203 and G204 (Envoy)
G203 and G204 (Envoy)
Power and Grounding Components
G205 and G208 (Envoy)
G203 and G204 (Utility w/ Automatic A/C)
Handling ESD Sensitive Parts Notice
Entertainment Connector End Views
Handling ESD Sensitive Parts Notice
Transfer Case Control Connector End Views
Handling ESD Sensitive Parts Notice
Handling ESD Sensitive Parts Notice