GM Service Manual Online
For 1990-2009 cars only
Makes
🢒
Chevrolet
🢒
2000
🢒
S10 Pickup - 2WD
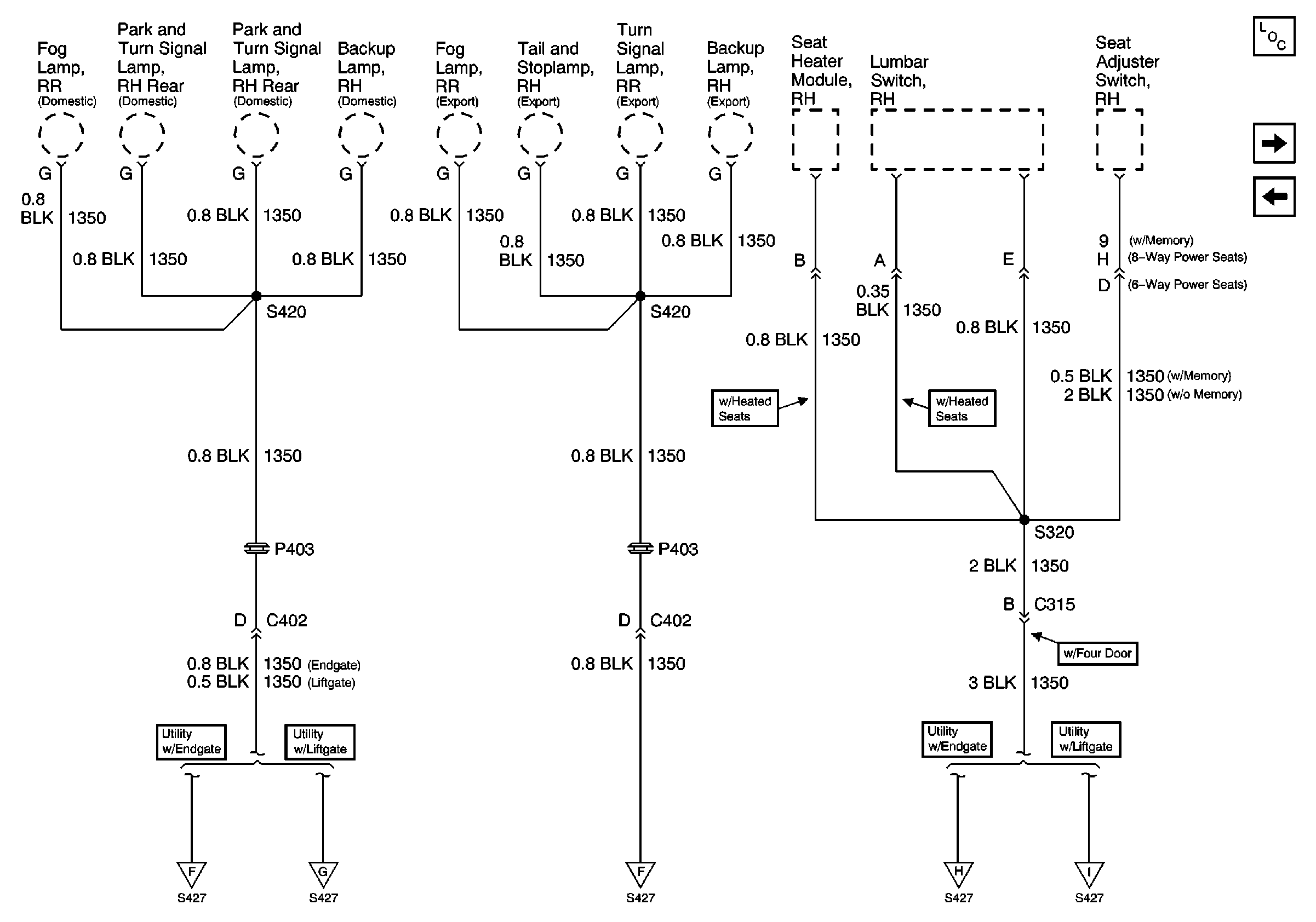
🢒 S320 and S420
S320 and S420
S320 and S420
Power and Grounding Components
G420 and G450 (Utility w/ Endgate)
S313 and S419
G420 and G450 (Utility w/ Endgate)
G420 and G450 (Utility w/ Liftgate)
G420 and G450 (Utility w/ Endgate)
G420 and G450 (Utility w/ Liftgate)