GM Service Manual Online
For 1990-2009 cars only
Makes
🢒
Chevrolet
🢒
2000
🢒
S10 Pickup - 2WD
🢒 Envoy Only
Envoy Only
Envoy Only
Power and Grounding Components
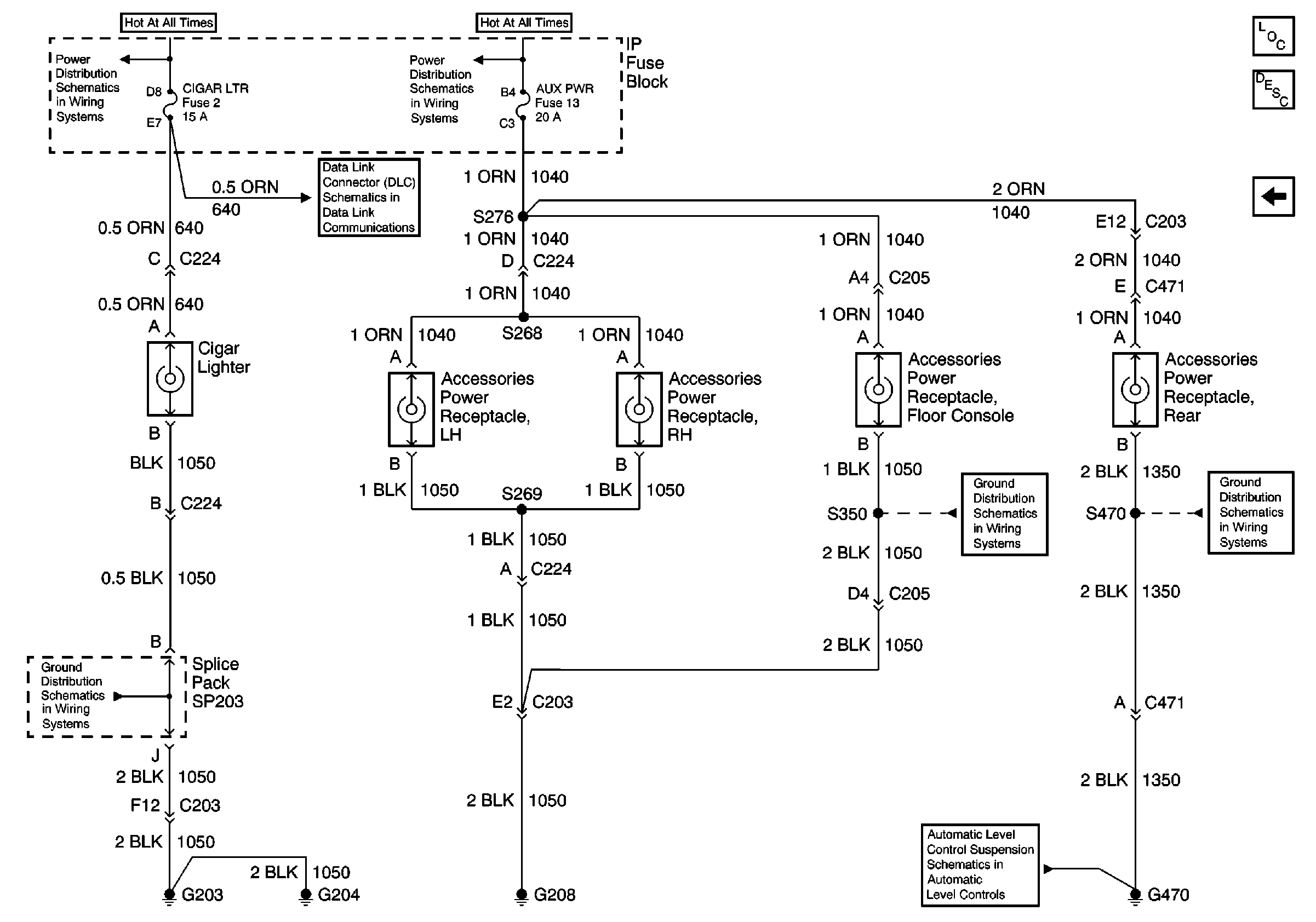
Cigar Lighter/Auxiliary Outlet Circuit Description
Except Envoy
INT BATT Fuse
AUX PWR, RDO BATT and HDLP SW Fuses
Power, Ground, Transfer Case Shift Control Module and Vehicle Interface Unit (VIU)
G203 and G204 (Utility w/ Automatic A/C)
G205 and G208 (Envoy)
G470 (Envoy)
ALC Suspension Schematics