GM Service Manual Online
For 1990-2009 cars only
Makes
🢒
Chevrolet
🢒
2000
🢒
S10 Pickup - 2WD
🢒 Speakers (Utility Except Envoy - Chevy/GMC)
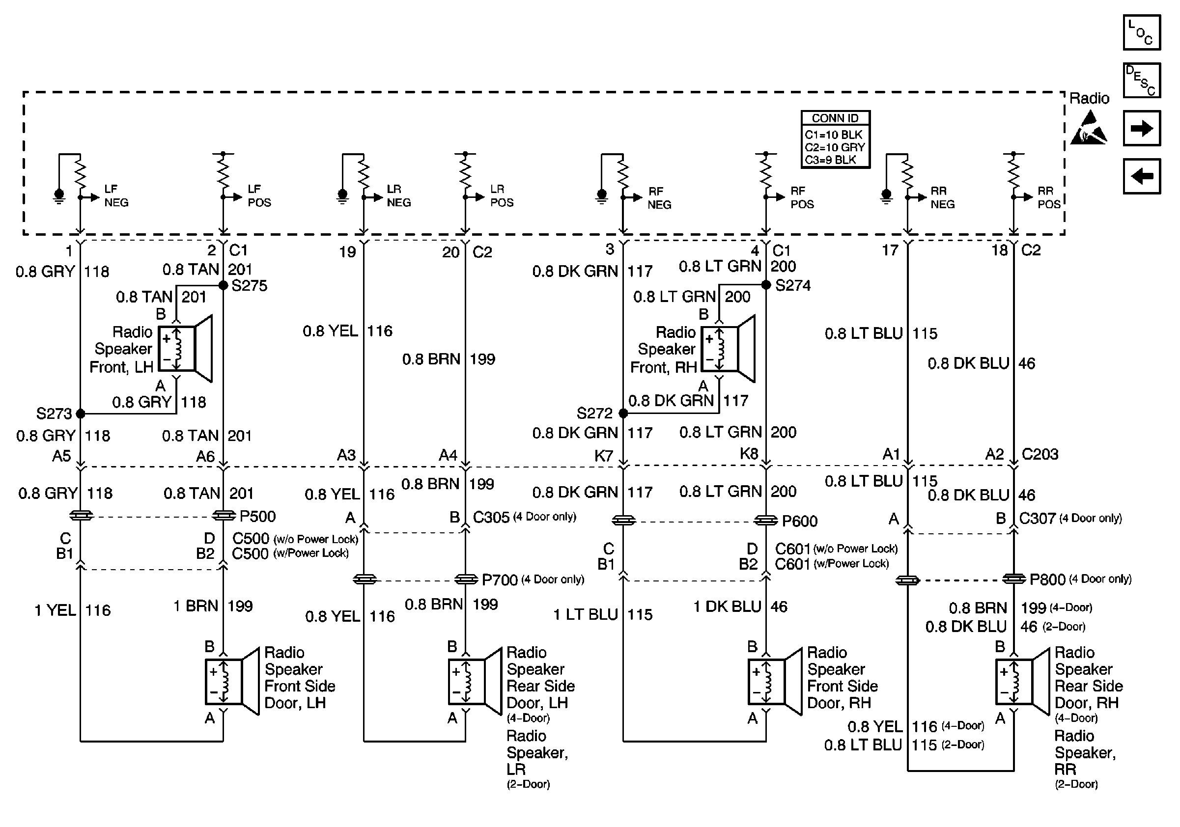
Speakers (Utility Except Envoy - Chevy/GMC)
Speakers (Utility Except Envoy -- Chevy/GMC)
Entertainment Components
Radio/Audio System Circuit Description
Remote Tape/CD Player (Chevy/GMC)
Speakers (Extended Cab w/o 3rd Door - Chevy/GMC)
Entertainment Connector End Views
Handling ESD Sensitive Parts Notice