GM Service Manual Online
For 1990-2009 cars only
Makes
🢒
Chevrolet
🢒
2000
🢒
S10 Pickup - 2WD
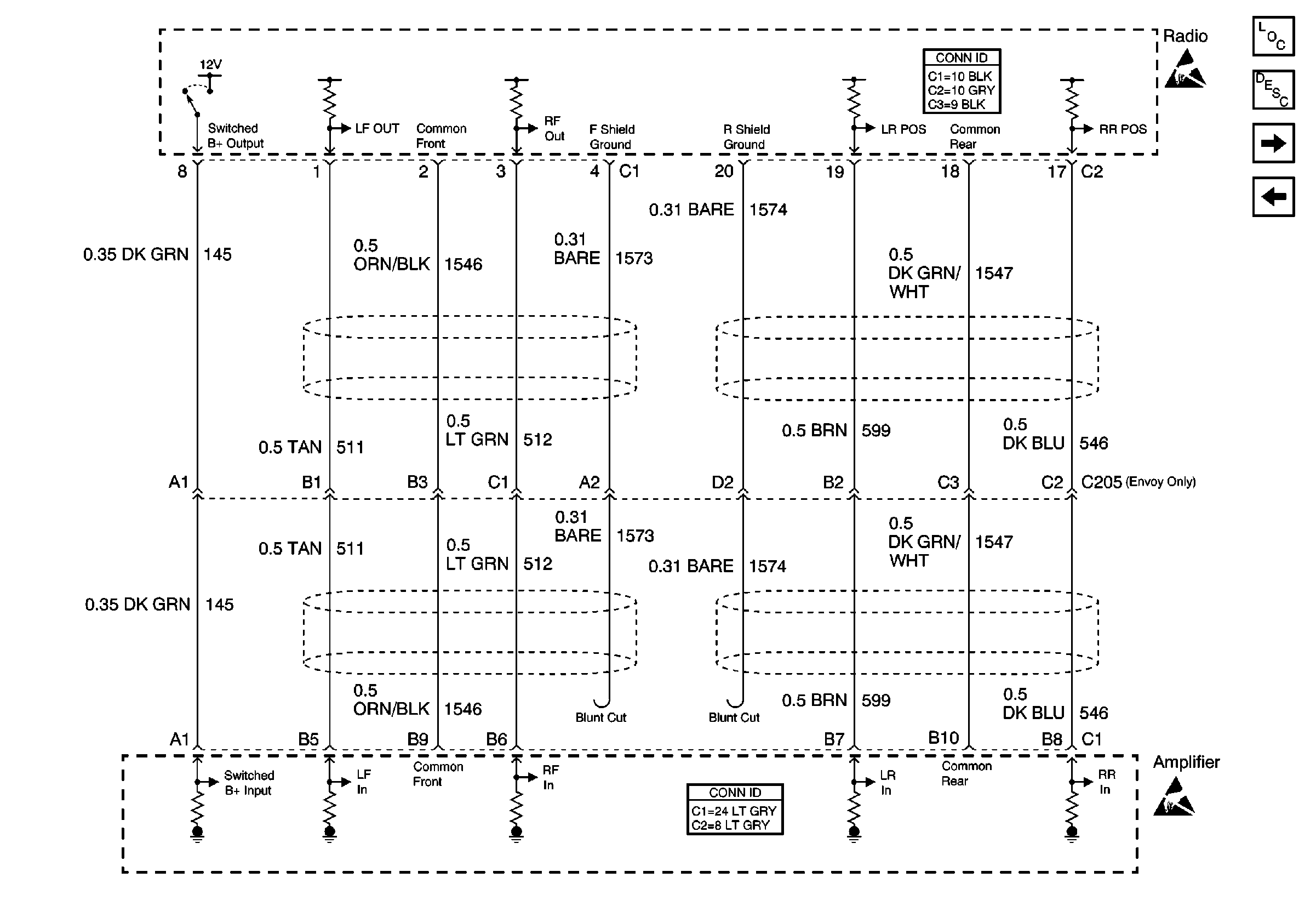
🢒 Amplifier Inputs (Chevy/GMC)
Amplifier Inputs (Chevy/GMC)
Amplifier Inputs (Chevy/GMC)
Entertainment Components
Radio/Audio System Circuit Description
Amplifier, Left Channel Output (Chevy/GMC)
Amplifier Power and Ground (Chevy/GMC)
Entertainment Connector End Views
Handling ESD Sensitive Parts Notice
Entertainment Connector End Views
Handling ESD Sensitive Parts Notice