GM Service Manual Online
For 1990-2009 cars only
Makes
🢒
Chevrolet
🢒
2000
🢒
S10 Pickup - 2WD
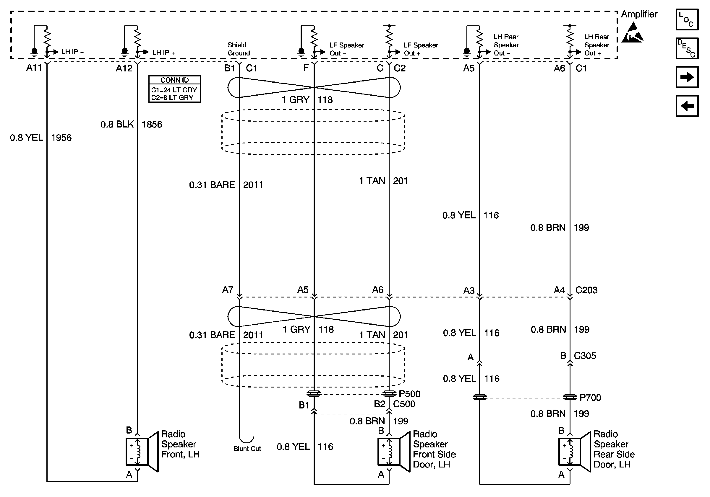
🢒 Amplifier, Left Channel Output (Bravada)
Amplifier, Left Channel Output (Bravada)
Amplifier, Left Channel Output (Bravada)
Entertainment Components
Radio/Audio System Circuit Description
Amplifier, Right Channel Output (Bravada)
Remote Tape/CD Player (Bravada)
Handling ESD Sensitive Parts Notice
Entertainment Connector End Views