GM Service Manual Online
For 1990-2009 cars only

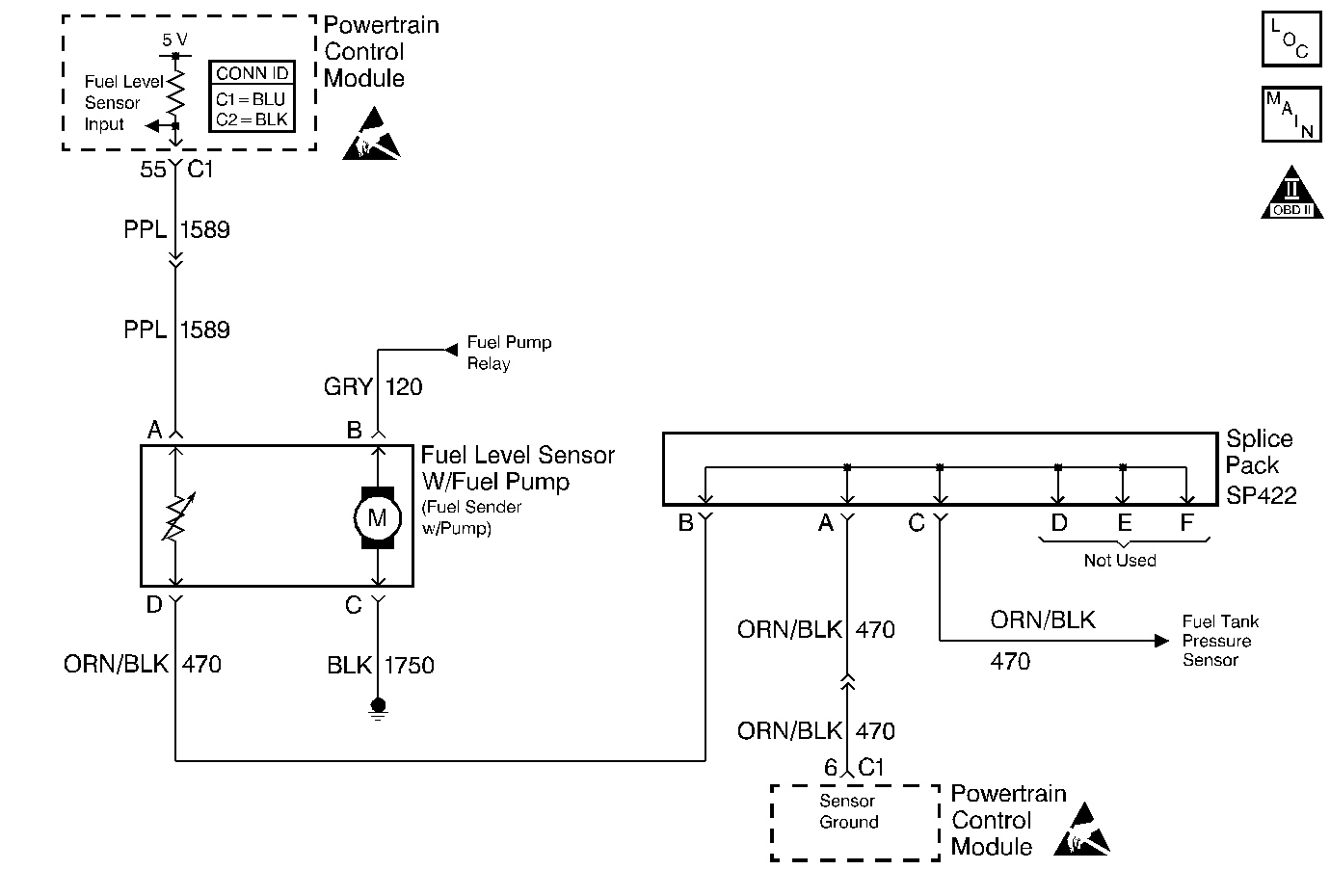
Object Number: 387285  Size: MF
Engine Controls Components
Fuel Level and Fuel Tank Pressure Sensors
OBD II Symbol Description Notice
Powertrain Control Module Connector End Views
Handling ESD Sensitive Parts Notice
Handling ESD Sensitive Parts Notice

Circuit Description

The powertrain control module (PCM) uses the fuel level input in order to calculate the expected vapor pressures within the fuel system. These vapor pressures vary as the fuel level changes. The vapor pressure is critical in determining if the Evaporative Emissions System is operating properly. The PCM also uses the fuel level in order to determine if the fuel level is too high or too low to be able to accurately detect EVAP system malfunction.

Conditions For Running the DTC

The ignition switch is in the RUN position.

Conditions For Setting the DTC

The fuel level sensor should be more than 98 percent for more than 25 seconds.

Action Taken When the DTC Sets

    • The PCM records the operating conditions at the time the diagnostic fails. The Failure Records buffers will store this information.
    • A history DTC is stored.
    • The fuel tank level defaults to 40 percent.

Conditions for Clearing the DTC

    • A history DTC clears after 40 consecutive warm up cycles without a fault.
    • Use a scan tool to clear the DTCs.

Diagnostic Aids

An intermittent may be caused by any of the following conditions:

    • A poor connection
    • Rubbed through wire insulation
    • A broken wire inside the insulation

Thoroughly test any circuitry that is suspected of causing the intermittent complaint. Refer to Testing for Intermittent Conditions and Poor Connections in Wiring Systems.

If a repair is necessary, refer to Wiring Repairs or Connector Repairs in Wiring Systems.

Test Description

The numbers below refer to the step numbers on the diagnostic table:

  1. This step determines if the malfunction is present.

  2. Using the Freeze Frame and/or Failure Records data may aid in locating an intermittent condition. If you cannot duplicate the DTC, the information included in the Freeze Frame and Failure Records data can help determine how many miles since the DTC set. The Fail Counter and Pass Counter can also help determine how many ignition cycles the diagnostic reported a pass or fail. Operate the vehicle within the same Freeze Frame conditions (RPM, load, vehicle speed, temperature, etc.) that you observed. This will isolate when the DTC failed.

  3. Use the connector test adapter kit to avoid damage to the harness connector terminals.

  4. The replacement PCM must be programmed and the Crankshaft Position System Variation Learn procedure must be performed.

Step

Action

Values

Yes

No

1

Did you perform the Powertrain On-Board Diagnostic (OBD) System Check?

--

Go to Step 2

Go to Powertrain On Board Diagnostic (OBD) System Check

2

  1. Turn ON the ignition, with the engine OFF.
  2. With the scan tool, observe the fuel level sensor parameter.

Does the fuel level sensor parameter read above the specified value?

98 %

Go to Step 4

Go to Step 3

3

  1. Use a scan tool to clear the DTCs.
  2. Operate the vehicle within the Freeze Frame conditions and Conditions for Running the DTC as specified in the supporting text.

Does the DTC reset?

--

Go to Step 4

Go to Diagnostic Aids

4

  1. Disconnect the fuel level sensor at the fuel tank.
  2. Using a DMM connected to ground, probe the fuel level sensor signal circuit at the fuel level sensor connector.

Does the fuel level sensor signal circuit voltage read near the specified value?

5.0 V

Go to Step 6

Go to Step 5

5

  1. Test the fuel level signal circuit for an open.
  2. If a problem is found, repair as necessary. Refer to Wiring Repairs in Wiring Systems.

Did you find and correct the condition?

--

Go to Step 15

Go to Step 8

6

With a test lamp connected to B+, probe the fuel level sensor ground circuit.

Does the test lamp illuminate?

--

Go to Step 7

Go to Step 11

7

  1. Inspect for a poor connection at the fuel level sensor connector. Refer to Testing for Intermittent Conditions and Poor Connections in Wiring Systems.
  2. If a problem is found, repair as necessary. Refer to Wiring Repairs in Wiring Systems.

Did you find and correct the condition?

--

Go to Step 15

Go to Step 9

8

  1. Test the fuel level sensor signal circuit for a short to voltage.
  2. If a problem is found, repair as necessary.

Did you find and correct the condition?

--

Go to Step 15

Go to Step 10

9

  1. Disconnect the PCM connectors.
  2. With a DMM test for continuity between the fuel level signal circuit and all other PCM circuits at the PCM connectors. Example: probe one lead to the fuel level sensor signal circuit at the connector then probe the other lead to each terminal at the PCM connectors one at time.

Does the DMM display continuity within the specified range from the fuel level sensor signal circuit to any other PCM circuit?

0-2ohms

Go to Step 12

Go to Step 13

10

  1. Inspect the PCM connectors for poor connections. Refer to Testing for Intermittent Conditions and Poor Connections in Wiring Systems.
  2. If you find a problem, repair as necessary. Refer to Wiring Repairs in Wiring Systems.

Did you find and repair the condition?

--

Go to Step 15

Go to Step 14

11

Repair the fuel level sensor ground circuit. Refer to Wiring Repairs in Wiring Systems.

Did you complete the repair?

--

Go to Step 15

Go to Step 14

12

Repair the short between the fuel level sensor signal circuit and the PCM circuit that had continuity. Refer to Wiring Repairs in Wiring Systems.

Did you complete the repair?

--

Go to Step 15

--

13

Replace the fuel level sensor. Refer to Fuel Level Sensor Replacement

Did you complete the replacement?

--

Go to Step 15

--

14

Important:: The replacement PCM must be programmed.

Replace the PCM. Refer to Powertrain Control Module Replacement/Programming .

Did you complete the replacement?

--

Go to Step 15

--

15

  1. Use a scan tool to clear the DTCs.
  2. Operate the vehicle within the Conditions for Running the DTC as specified in the supporting text.

Does the DTC reset?

--

Go to Step 2

System OK