GM Service Manual Online
For 1990-2009 cars only

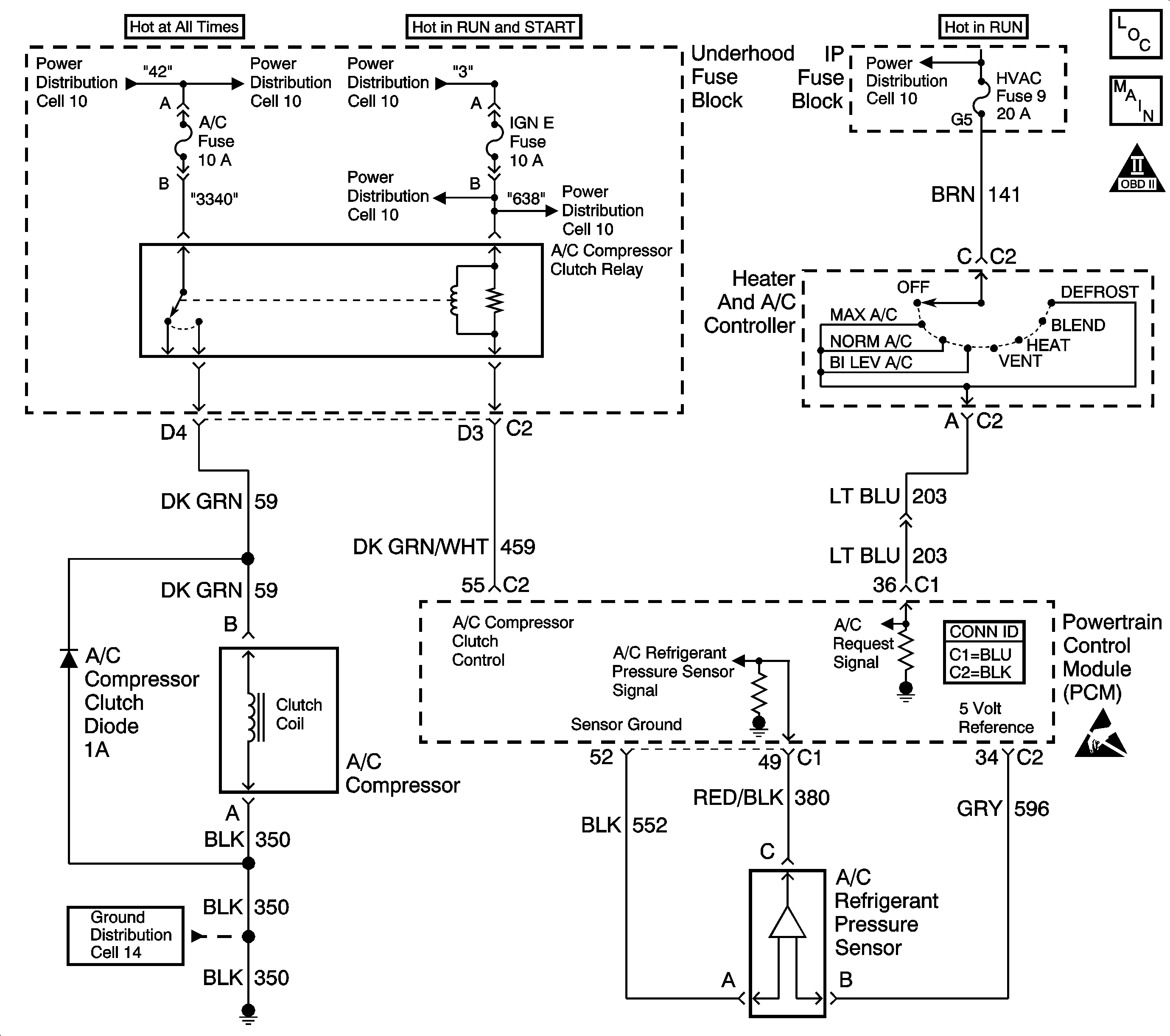
Object Number: 387300  Size: LF
Engine Controls Components
A/C Compressor Controls
OBD II Symbol Description Notice
Powertrain Control Module Connector End Views
Handling ESD Sensitive Parts Notice

Circuit Description

The A/C refrigerant pressure sensor responds to changes in A/C refrigerant high side pressure. This input indicates how much load the A/C compressor is putting on the engine. The powertrain control module (PCM) uses this input in order to determine the idle air control (IAC) position for idle speed. The PCM supplies the A/C refrigerant pressure sensor with a 5V reference and a ground circuit. A signal voltage is sent back to the PCM by the A/C refrigerant pressure sensor which is proportional to the A/C pressure. The operating range of the sensor is between 0 and 459 psi. At 0 psi the signal voltage will read between 0.20 volts varying to 5.0 volts at 459 psi or above.

Conditions for Running The DTC

The A/C refrigerant sensor pressure is more than 453 psi (4.90 volt) with the A/C requested.

OR

The A/C refrigerant sensor pressure is more than 363 psi (4.0 volt) with the A/C not requested.

OR

The A/C refrigerant pressure sensor is less than 0 psi (0.10 volt) when the intake air temperature is more than 0°C (32°F) and DTC P0112 or P0113 is not set.

OR

The A/C refrigerant sensor pressure is less than 0 psi (0.10 volt) when an IAT sensor DTC is present.

Conditions for Setting the DTC

Any of the above conditions are met for 15 seconds.

Action Taken When the DTC Sets

    • The PCM records the operating conditions at the time the diagnostic fails. The Failure Records buffers stores this information.
    • The PCM stores a history DTC.
    • The PCM disables the A/C compressor clutch.

Conditions for Clearing the DTC

    • A history DTC clears after 40 consecutive warm up cycles without a fault.
    • The scan tool can clear the DTC.

Diagnostic Aids

    • The DTC P0530 sets when the signal voltage falls outside of the normal possible range of the sensor.
    • If the actual pressure of the A/C system matches the scan tool readings, repair any A/C pressure problems before using this table. Refer to the Air Conditioning System section of the service manual.
    • Thoroughly check any suspected circuitry for the following conditions:
       - Backed out terminals
       - Improper mating of the terminals
       - Broken locks
       - Improperly formed or damaged terminals
       - Poor terminal to wiring connections
       - Physical damage to the wiring harness

Test Description

The numbers below refer to the step numbers on the diagnostic table.

  1. The Powertrain OBD System Check prompts the technician to complete some basic checks and store the Freeze Frame and Failure Records data on the scan tool if applicable. This creates an electronic copy of the data taken when the malfunction occurred. The information is then stored on the scan tool for later reference.

  2. This step determines if the fault is present or is an intermittent fault.

  3. This step determines if the fault is an electrical fault or a refrigerant pressure fault.

  4. The replacement PCM must be programmed and the Crankshaft Position System Variation Learn Procedure must be performed.

DTC P0530-A/C Refrigerant Pressure Sensor Circuit

Step

Action

Values

Yes

No

1

Did you perform the Powertrain On-Board Diagnostic (OBD) System Check?

--

Go to Step 2

Go to Powertrain On Board Diagnostic (OBD) System Check

2

  1. Turn ON the ignition, with the engine OFF.
  2. With the a scan tool, observe the A/C pressure sensor value.

Does the A/C pressure sensor value read within the specified values?

0-450 psi

Go to Step 3

Go to Step 4

3

  1. Use a scan tool to clear the DTCs.
  2. Operate the vehicle within the Freeze Frame conditions and the Conditions for Setting the DTC as specified in the supporting text.

Does the DTC reset?

--

Go to Step 4

Go to Diagnostic Aids

4

Are any MAP or TP codes set?

--

Go to Applicable DTC

Go to Step 5

5

  1. Connect a manifold gauge set to A/C system. Refer to Refrigerant System Checks in Heating, Ventilation and Air Conditioning.
  2. Turn the ignition ON with the engine OFF.
  3. Observe the A/C high side pressure on the gauges and the A/C pressure sensor display on the scan tool.

Does the A/C gauge and the scan tool read within the specified value of each other?

20 psi

Go to System Performance Test in Heating, Ventilation and Air Conditioning

Go to Step 6

6

With the scan tool, observe the A/C pressure reading.

Does the A/C pressure sensor read the specified value or less?

0 psi

Go to Step 8

Go to Step 7

7

  1. Disconnect the A/C pressure sensor connector.
  2. With the scan tool, observe the A/C pressure reading.

Does the A/C pressure read less than the specified value?

76 psi

Go to Step 11

Go to Step 13

8

  1. Disconnect the A/C pressure sensor connector.
  2. Connect a fused jumper between the pressure sensor signal and 5 volt reference circuits at the connector.
  3. With the scan tool, observe the A/C pressure reading.

Does the A/C pressure sensor read near the specified value?

450 psi

Go to Step 16

Go to Step 9

9

  1. Connect a DMM between the A/C pressure sensor connector 5 volt reference circuit and a known good ground.
  2. With the scan tool, observe the A/C pressure reading.

Does the A/C pressure sensor read near the specified value?

5 V

Go to Step 12

Go to Step 10

10

Test the A/C pressure sensor 5 volt reference for an open or short to ground.

Did you find a condition?

--

Go to Step 14

Go to Step 15

11

Test/inspect the A/C pressure sensor ground circuit for an open or poor connection.

Did you find a condition?

--

Go to Step 14

Go to Step 15

12

Test the A/C pressure sensor signal circuit for an open or short to ground.

Did you find a condition?

--

Go to Step 14

Go to Step 15

13

Test the A/C pressure sensor signal circuit for a short to voltage.

Did you find a condition?

--

Go to Step 14

Go to Step 15

14

Repair as necessary. Refer to Wiring Repairs or Connector Repairs in Wiring Systems.

Did you complete the repair?

--

Go to Step 18

--

15

  1. Inspect the PCM harness connector for poor connections.
  2. If you find a condition, repair as necessary. Refer to Connector Repairs in Wiring Systems.

Did you find and repair the condition?

--

Go to Step 18

Go to Step 17

16

Replace the A/C pressure sensor. Refer to Air Conditioning (A/C) Refrigerant Pressure Sensor Replacement in Heating, Ventilation and Air Conditioning.

Did you complete the replacement?

--

Go to Step 18

--

17

Important: The replacement PCM must be programmed.

Replace the PCM. Refer to Powertrain Control Module Replacement/Programming .

Did you complete the replacement?

--

Go to Step 18

--

18

  1. Use a scan tool to clear the DTCs.
  2. Operate the vehicle within the Conditions for Setting the DTC as specified in the supporting text.

Does the DTC reset?

--

Go to Step 2

System OK