GM Service Manual Online
For 1990-2009 cars only

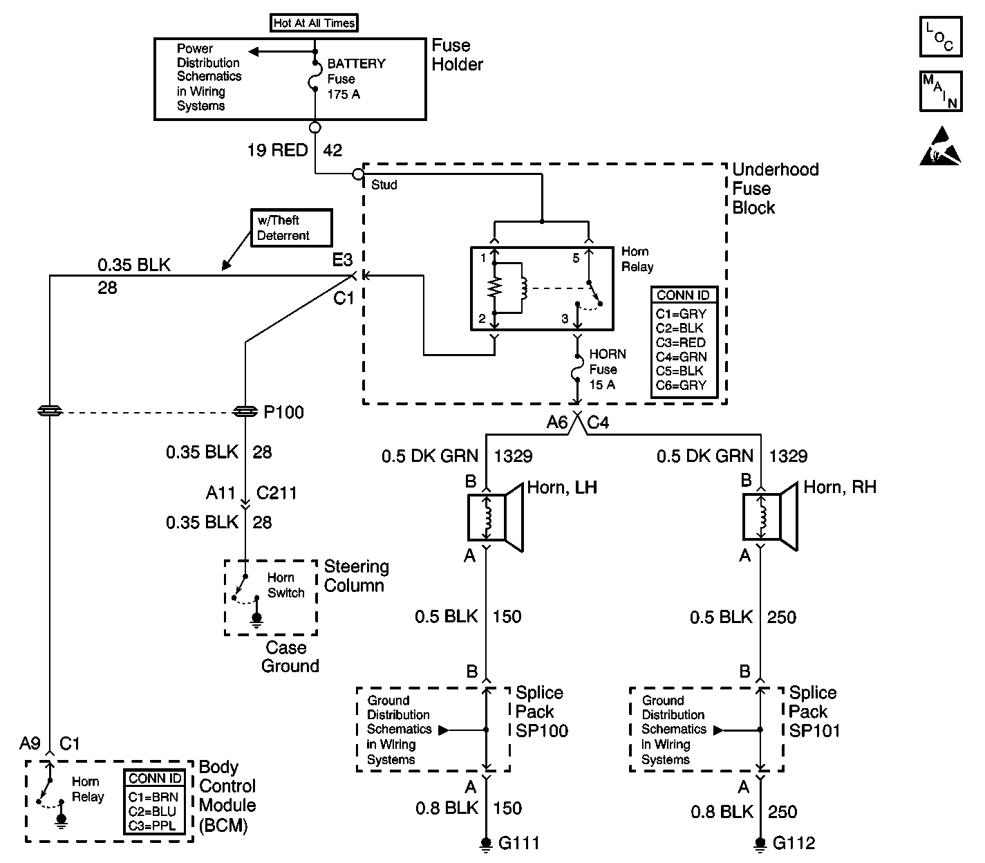
Object Number: 603151  Size: LF
Horns Components
Horn Schematics
Handling ESD Sensitive Parts Notice
Power Distribution Schematics
Ground Distribution Schematics
Ground Distribution Schematics

Circuit Description

The vehicle horns are activated whenever ground is applied to the horn relay coil through the horn relay control circuit. Ground may be applied by either of the following:

    • The body control module (BCM)
    • The horn switch

Conditions for Running the DTC

    • The body control system voltage is between 9.0 and 16.0 volts.
    • The BCM commands the horn relay to energize or the horn switch is pressed.

Conditions for Setting the DTC

The BCM detects a short to ground or an open in the horn relay control circuit for approximately 3 minutes.

Action Taken When the DTC Sets

    • If the horn relay control circuit is shorted to ground the horns will remain on at all times.
    • If the horn relay control circuit is open the horn will only operate with the horn button on the steering wheel.
    • The BCM stores DTC B2752 in memory.

Conditions for Clearing the DTC

    • A current DTC will clear when the fault is no longer present and the ignition switch is cycled.
    • A history DTC will clear after 100 consecutive ignition cycles without a fault present.
    • A scan tool may be used to clear history and current DTC(s).

Diagnostic Aids

    • Always begin diagnosis with the first DTC listed on the scan tool.
    • The scan tool must display DTC B2752 as a current code before performing these diagnostics.
    • Inspect for a sticking horn pad and or switch.
    • Perform a visual inspection for loose or poor connections at all related components.
    • Refer to Testing for Intermittent Conditions and Poor Connections in Wiring Systems.

Test Description

The number(s) below refer to the step number(s) on the diagnostic table.

  1. Listen for an audible click when the horn relay operates. Command both the ON and OFF states. Repeat the commands as necessary.

  2. Tests for voltage at the coil side of the horn relay. The BATTERY fuse supplies power to the coil side of the horn relay.

  3. Verifies that the body control module (BCM) is providing ground to the horn relay.

  4. Tests if ground is constantly being applied to the horn relay.

Step

Action

Value(s)

Yes

No

1

Did you perform the Horns Diagnostic System Check?

--

Go to Step 2

Go to Diagnostic System Check - Horns

2

  1. Install a scan tool.
  2. Turn ON the ignition, with the engine OFF.
  3. With a scan tool, command the horn relay ON and OFF.

Does the horn relay turn ON and OFF with each command?

--

Go to Diagnostic Aids

Go to Step 3

3

  1. Turn OFF the ignition.
  2. Disconnect the horn relay.
  3. Turn ON the ignition, with the engine OFF.
  4. Probe the battery positive voltage circuit of the horn relay coil with a test lamp that is connected to a good ground.

Does the test lamp illuminate?

--

Go to Step 4

Go to Step 10

4

  1. Connect a test lamp between the horn relay control circuit and the battery positive voltage circuit of the horn relay coil.
  2. With a scan tool, command the horn relay ON and OFF .

Does the test lamp turn ON and OFF with each command?

--

Go to Step 8

Go to Step 5

5

Does the test lamp remain illuminated with each command?

--

Go to Step 7

Go to Step 6

6

Test the horn relay control circuit for an open. Refer to Circuit Testing and Wiring Repairs in Wiring Systems.

Did you find and correct the condition?

--

Go to Step 13

Go to Step 9

7

Test the horn relay control circuit for a short to ground. Refer to Circuit Testing and Wiring Repairs in Wiring Systems.

Did you find and correct the condition?

--

Go to Step 13

Go to Step 9

8

Inspect for poor connections at the horn relay. Refer to Testing for Intermittent Conditions and Poor Connections and Connector Repairs in Wiring Systems.

Did you find and correct the condition?

--

Go to Step 13

Go to Step 11

9

Inspect for poor connections at the harness connector of the body control module (BCM). Refer to Testing for Intermittent Conditions and Poor Connections and Connector Repairs in Wiring Systems.

Did you find and correct the condition?

--

Go to Step 13

Go to Step 12

10

Repair the battery positive voltage circuit of the horn relay coil. Refer to Wiring Repairs in Wiring Systems.

Did you complete the repair?

--

Go to Step 13

--

11

Replace the horn relay.

Did you complete the replacement?

--

Go to Step 13

--

12

Important:: Perform the BCM programming procedure when replacing the BCM.

Replace the BCM. Refer to Body Control Module Replacement in Body Control System.

Did you complete the replacement?

--

Go to Step 13

--

13

  1. Use the scan tool in order to clear the DTCs .
  2. Operate the vehicle within the Conditions for Running the DTC as specified in the supporting text.

Does the DTC reset?

--

Go to Step 2

System OK