GM Service Manual Online
For 1990-2009 cars only

Removal Procedure


    Object Number: 350265  Size: SH
  1. Remove the left sound insulator. Refer to Instrument Panel Insulator Panel Replacement - Left Side in Instrument Panel, Gages and Console.
  2. Remove the accelerator cable (1) from the slot in pedal assembly (2).
  3. Remove the air intake resonator. Refer to Air Cleaner Outlet Resonator Replacement .

  4. Object Number: 161350  Size: SH
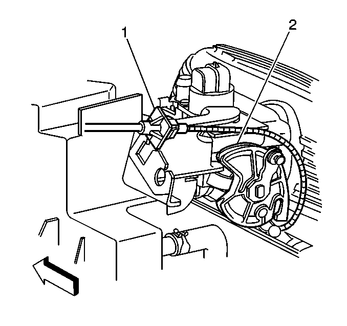
  5. Remove the accelerator cable from the accelerator cable bracket .
  6. Remove the accelerator cable from the throttle lever cam (2).
  7. Remove the accelerator cable from the vehicle.

Installation Procedure


    Object Number: 161350  Size: SH
  1. Route the cable through the accelerator cable bracket (1).
  2. Insert the cable lug and the cable wire into the pulley slot.
  3. Pull the cable conduit fitting away from the throttle lever cam (2).
  4. Install the tab (1) into the rectangular slot in the accelerator cable bracket.
  5. Install the air intake resonator. Refer to Air Cleaner Outlet Resonator Replacement .

  6. Object Number: 161309  Size: SH

    Important: Flexible components such as hoses, wires, conduits, must not be routed within 50 mm (2.0 in) of moving parts of accelerator linkage outboard of support unless routing is positively controlled.

    Test for correct opening and closing positions by operating the accelerator pedal. Ensure that the throttle valve reaches the wide open throttle (WOT) position. If the valve does not, inspect for damaged or bent brackets, levers, or other components, or check for poor carpet fit under the accelerator pedal.

  7. Route the accelerator control cable (2) through the cowl and snap the cable retainers into place.

  8. Object Number: 350265  Size: SH
  9. Install the accelerator cable (1) through the slot in the accelerator pedal assembly (2) and snap into place.
  10. Install the left sound insulator. Refer to Instrument Panel Insulator Panel Replacement - Left Side in Instrument Panel, Gages and Console.