GM Service Manual Online
For 1990-2009 cars only
Makes
🢒
Chevrolet
🢒
2001
🢒
S10 Pickup - 2WD
🢒
Brakes
🢒
Hydraulic Brakes
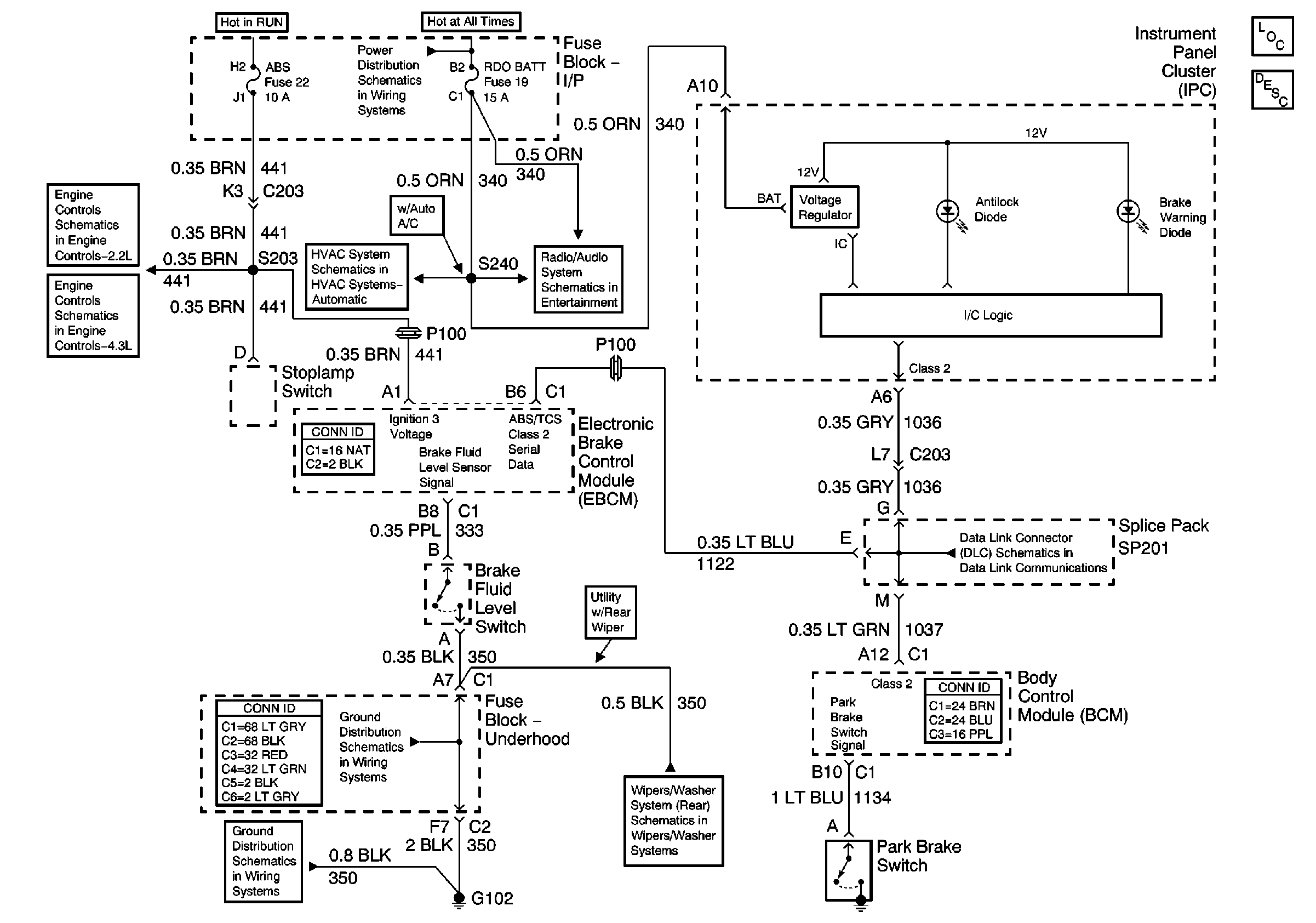
🢒 Brake Warning System Schematics
Master Electrical Component List
Brake Warning System Description and Operation
AUX PWR, RDO BATT and HDLP SW Fuses
IAC, EVAP Valve Controls, and Stop Lamp Switch Input w/ A/T
Brake Switch Input
Blower Controls
G102 (Except Export)
G102 (Except Export)
Power (Chevy/GMC)
Rear Wipers
SP201 (2.2L)