GM Service Manual Online
For 1990-2009 cars only
Makes
🢒
Chevrolet
🢒
2002
🢒
S10 Pickup - 2WD
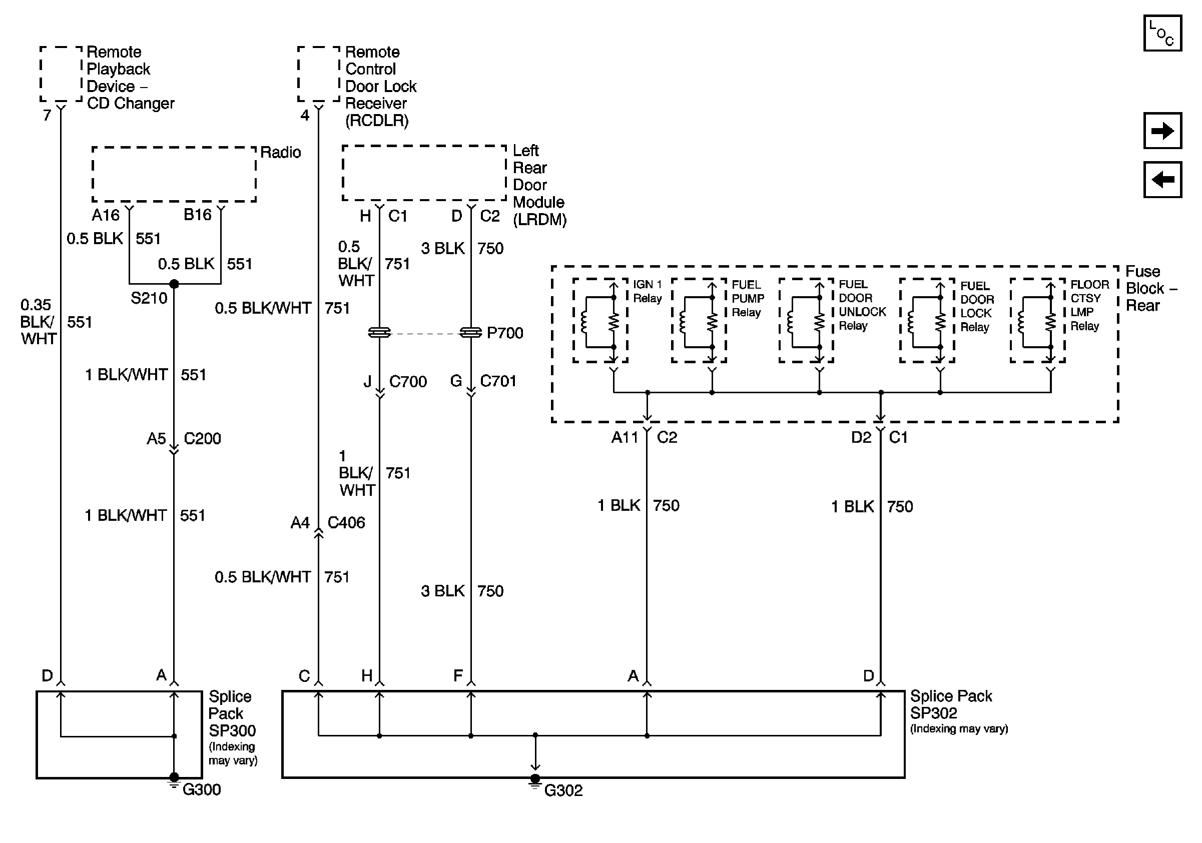
🢒 G300 and G302
G300 and G302
G300 and G302
Master Electrical Component List
G401 (1 of 2)
G301 (2 of 2)