GM Service Manual Online
For 1990-2009 cars only
Makes
🢒
Chevrolet
🢒
2003
🢒
S10 Pickup - 2WD
🢒
Engine
🢒
Engine Mechanical - 2.2L
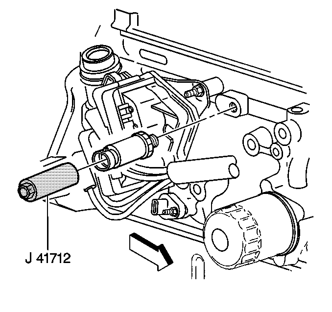
🢒 Engine Oil Pressure Sensor and/or Switch Replacement
Tools Required
J 41712
Oil Pressure Switch Socket
Removal Procedure
Raise the vehicle. Refer to
Lifting and Jacking the Vehicle
in General Information.
Remove the right fender wheelhouse extension. Refer to
Wheelhouse Extension Replacement
in Body Front End.
Disconnect the engine oil pressure gauge sensor electrical connector (2).
Using the
J 41712
remove the engine oil pressure gauge sensor.
Installation Procedure
Install the engine oil pressure gauge sensor using the
J 41712
.
Tighten
Tighten to 12 N·m (106 lb in).
Connect the engine oil pressure gauge sensor electrical connector (2).
Install the right fender wheelhouse extension. Refer to
Wheelhouse Extension Replacement
in Body Front End.
Lower the vehicle.