GM Service Manual Online
For 1990-2009 cars only
Makes
🢒
Chevrolet
🢒
2003
🢒
S10 Pickup - 2WD
🢒
Body and Accessories
🢒
Instrument Panel, Gages, and Console
🢒 Audible Warnings Schematics
Figure
1:
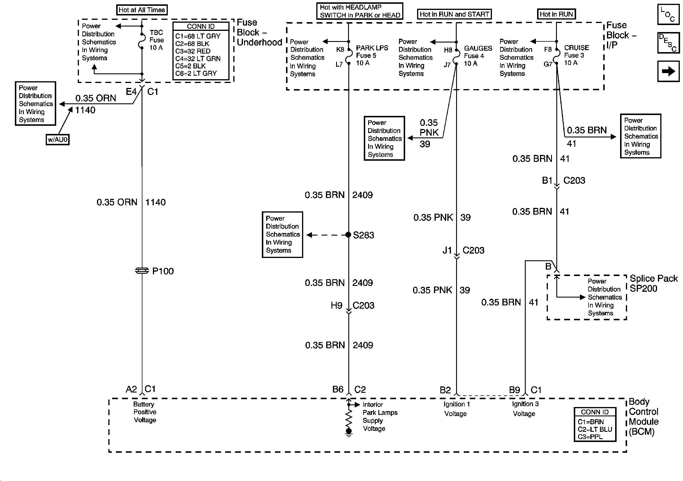
TBC, PARK LPS, GAGES and CRUISE Fuses
Master Electrical Component List
Audible Warnings Description and Operation
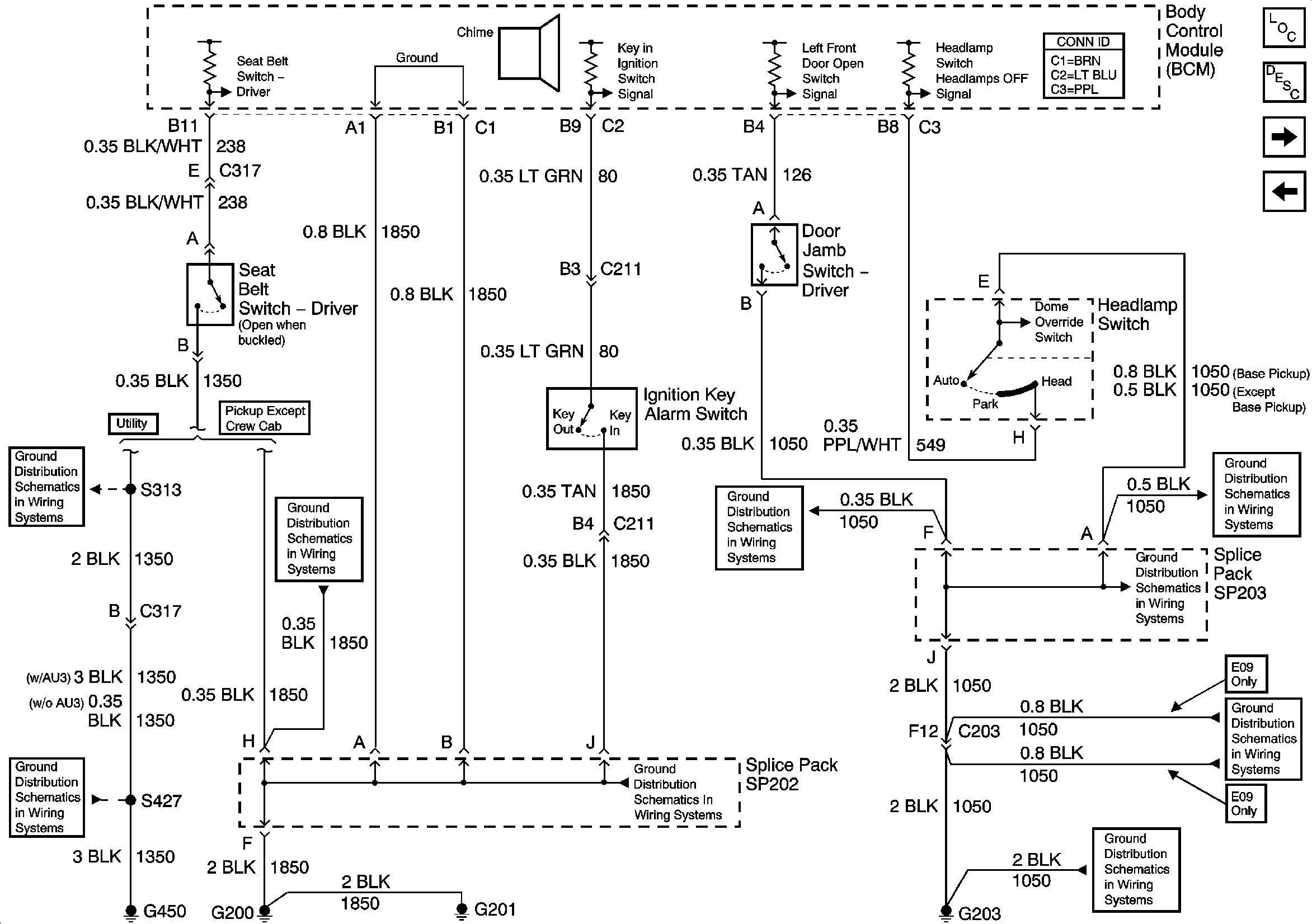
Seat Belt Switch, Ignition Key Alarm Switch, Door Jamb Switch and Headlamp Switch
STUD 2, ABS, HDLP W/W, TBC and RR W/W Fuses
STUD 2, ABS, HDLP W/W, TBC and RR W/W Fuses
ILLUM, STG WHL ILLUM, and PARK LP Fuses
ILLUM, STG WHL ILLUM, and PARK LP Fuses
TURN, SIR and GAUGES Fuses
TURN, SIR and GAUGES Fuses
Ign ACC, RUN and RAP Bus Bar
HVAC and CRUISE Fuses
HVAC and CRUISE Fuses
Figure
2:
Seat Belt Switch, Ignition Key Alarm Switch, Door Jamb Switch and Headlamp Switch
Master Electrical Component List
Audible Warnings Description and Operation
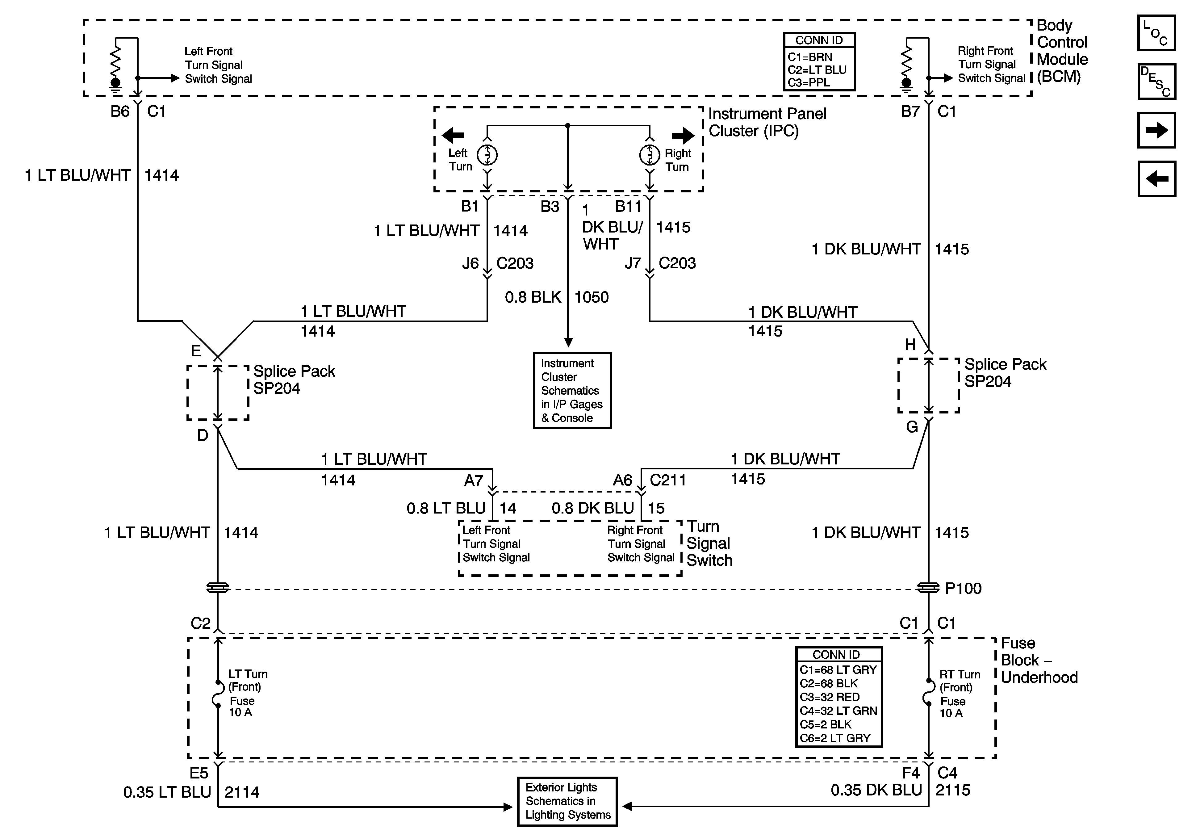
Turn Signals
TBC, PARK LPS, GAGES and CRUISE Fuses
S313 and S419
G200, G201, G207, and G300- Pickup and Crew Cab
G420, G450 and S427 - Utility and Crew Cab
G203 and G204 - Pickup
G200, G201, G207, and G300- Pickup and Crew Cab
G203 and G204 - Pickup
G203 and G204 - Utility w/Manual A/C
G203 and G204 - Utility w/Manual A/C
G203 and G204 - Utility w/Manual A/C
Figure
3:
Turn Signals
Master Electrical Component List
Audible Warnings Description and Operation
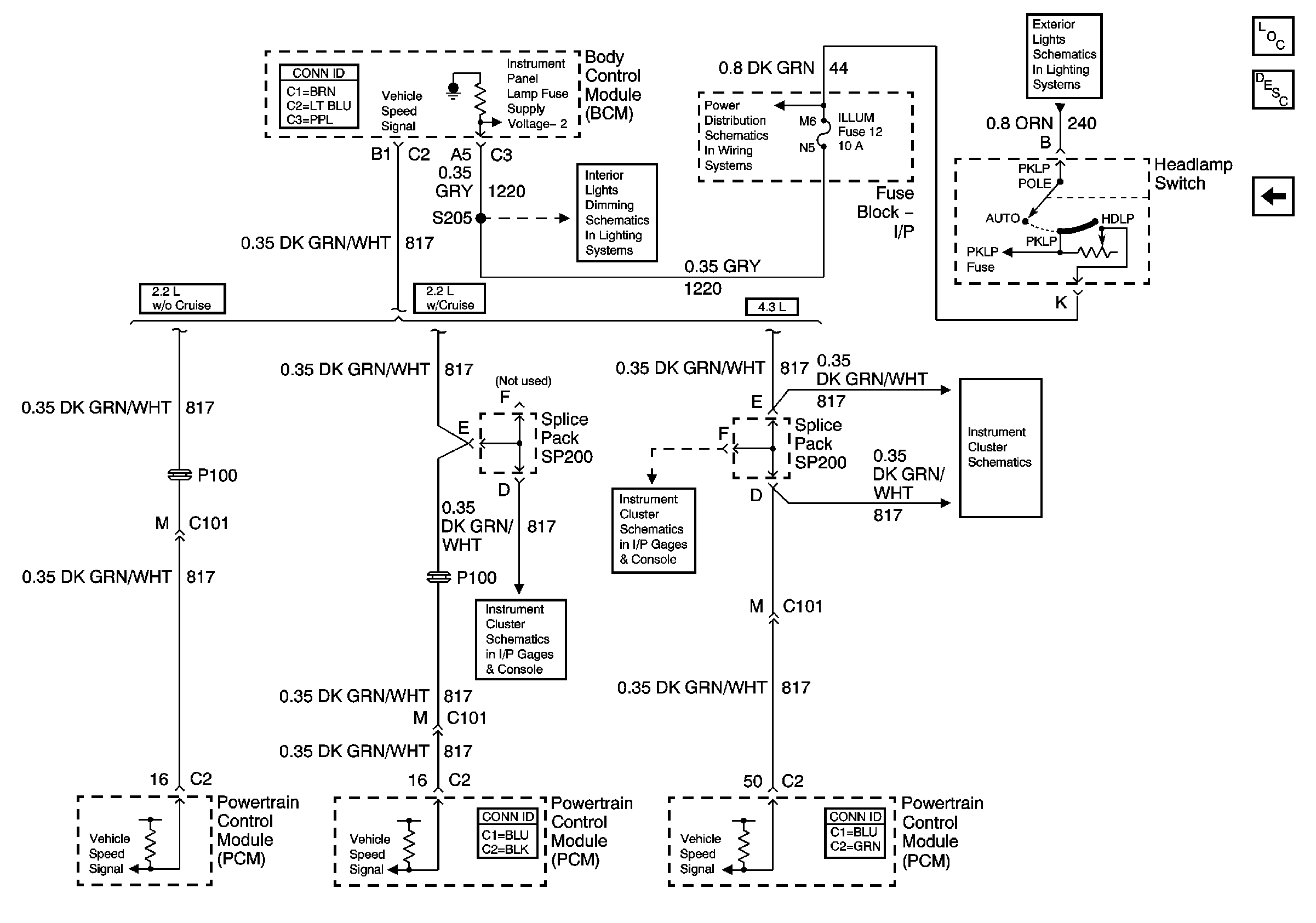
BCM, PCM and Headlamp Switch
Seat Belt Switch, Ignition Key Alarm Switch, Door Jamb Switch and Headlamp Switch
Indicators
Park/Turn Signal Lamps, Marker Lamps and Turn Signal Fuses, Front
Figure
4:
BCM, PCM and Headlamp Switch
Master Electrical Component List
Audible Warnings Description and Operation
Turn Signals
ILLUM, STG WHL ILLUM, and PARK LP Fuses
ILLUM Fuse 12
Park Lamp Control
Gages
Gages
Gages