GM Service Manual Online
For 1990-2009 cars only

Removal Procedure

  1. Disconnect the negative battery cable.
  2. Caution: Unless directed otherwise, the ignition and start switch must be in the OFF or LOCK position, and all electrical loads must be OFF before servicing any electrical component. Disconnect the negative battery cable to prevent an electrical spark should a tool or equipment come in contact with an exposed electrical terminal. Failure to follow these precautions may result in personal injury and/or damage to the vehicle or its components.

  3. Remove the air cleaner resonator from the throttle body . Refer to Air Cleaner Outlet Resonator Replacement .

  4. Object Number: 373176  Size: SH
  5. Remove the electrical connector from the IAC sensor.

  6. Object Number: 373182  Size: SH
  7. Remove the electrical connector from the TP sensor.

  8. Object Number: 153383  Size: SH
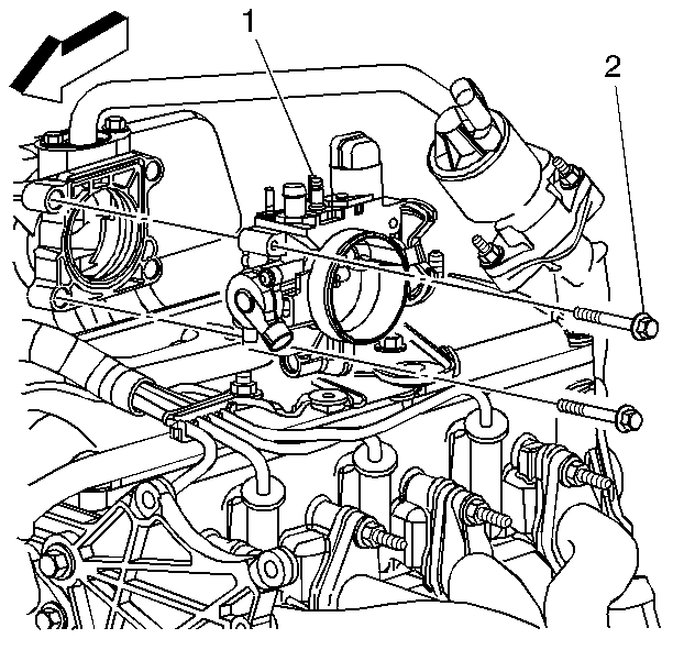
  9. Remove the vacuum hoses at the throttle body (1).
  10. Remove the throttle and cruise control cables. Refer to Accelerator Control Cable Replacement .
  11. Remove the accelerator cable bracket. Refer to Accelerator Control Cable Bracket Replacement
  12. Remove the throttle body attaching bolts (2).
  13. Remove the throttle body from the intake manifold.

Installation Procedure


    Object Number: 153383  Size: SH

    Notice: The EVAP canister may have released carbon particles which caused this part to fail and may cause damage to other components. Check the EVAP canister for loose carbon before returning the vehicle to service.

  1. Install the throttle body (1).
  2. Install the accelerator cable bracket . Refer to Accelerator Control Cable Bracket Replacement .
  3. Install the throttle body attaching bolts (2).
  4. Notice: Use the correct fastener in the correct location. Replacement fasteners must be the correct part number for that application. Fasteners requiring replacement or fasteners requiring the use of thread locking compound or sealant are identified in the service procedure. Do not use paints, lubricants, or corrosion inhibitors on fasteners or fastener joint surfaces unless specified. These coatings affect fastener torque and joint clamping force and may damage the fastener. Use the correct tightening sequence and specifications when installing fasteners in order to avoid damage to parts and systems.

    Tighten
    Tighten the throttle body attaching bolts to 10 N·m (89 lb in).

  5. Install the throttle and cruise control cables to the throttle body. Refer to Accelerator Control Cable Replacement .
  6. Install the vacuum hoses to the throttle body.

  7. Object Number: 373176  Size: SH
  8. Install the electrical connector to IAC sensor

  9. Object Number: 373182  Size: SH
  10. Install the electrical connector to TP sensor.
  11. Install the air cleaner resonator to the throttle body. Refer to Air Cleaner Outlet Resonator Replacement .
  12. Important: With the engine OFF, check to see that the accelerator pedal is free, by depressing the pedal to the floor and releasing.

  13. Connect the negative battery cable.
  14. Reset IAC valve pintle position:
  15. 10.1. Turn the ignition switch to the ON position .
    10.2. Turn the ignition switch to the OFF position for ten seconds.
    10.3. Start the engine and check for proper idle operation.