GM Service Manual Online
For 1990-2009 cars only
Makes
🢒
Chevrolet
🢒
1998
🢒
S10 Pickup - 4WD
🢒 Electric Shift Power, Grounding, And Data Link
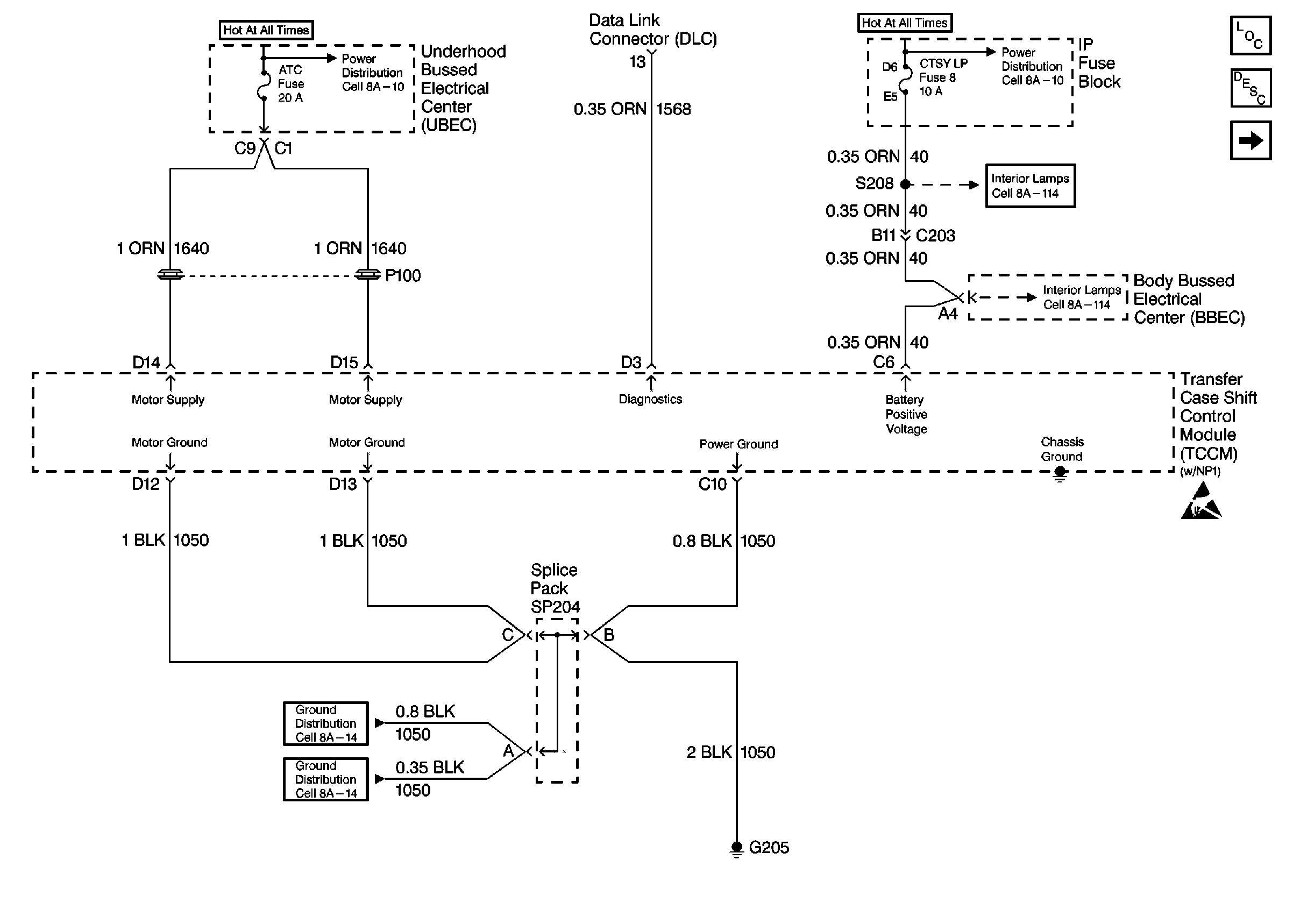
Electric Shift Power, Grounding, And Data Link
Electric Shift Power, Grounding, And Data Link
Engine Electrical Components
Transfer Case Control Module Description
Electric Shift Control Module And Encoder
Handling Electrostatic Discharge Sensitive Parts Notice