GM Service Manual Online
For 1990-2009 cars only

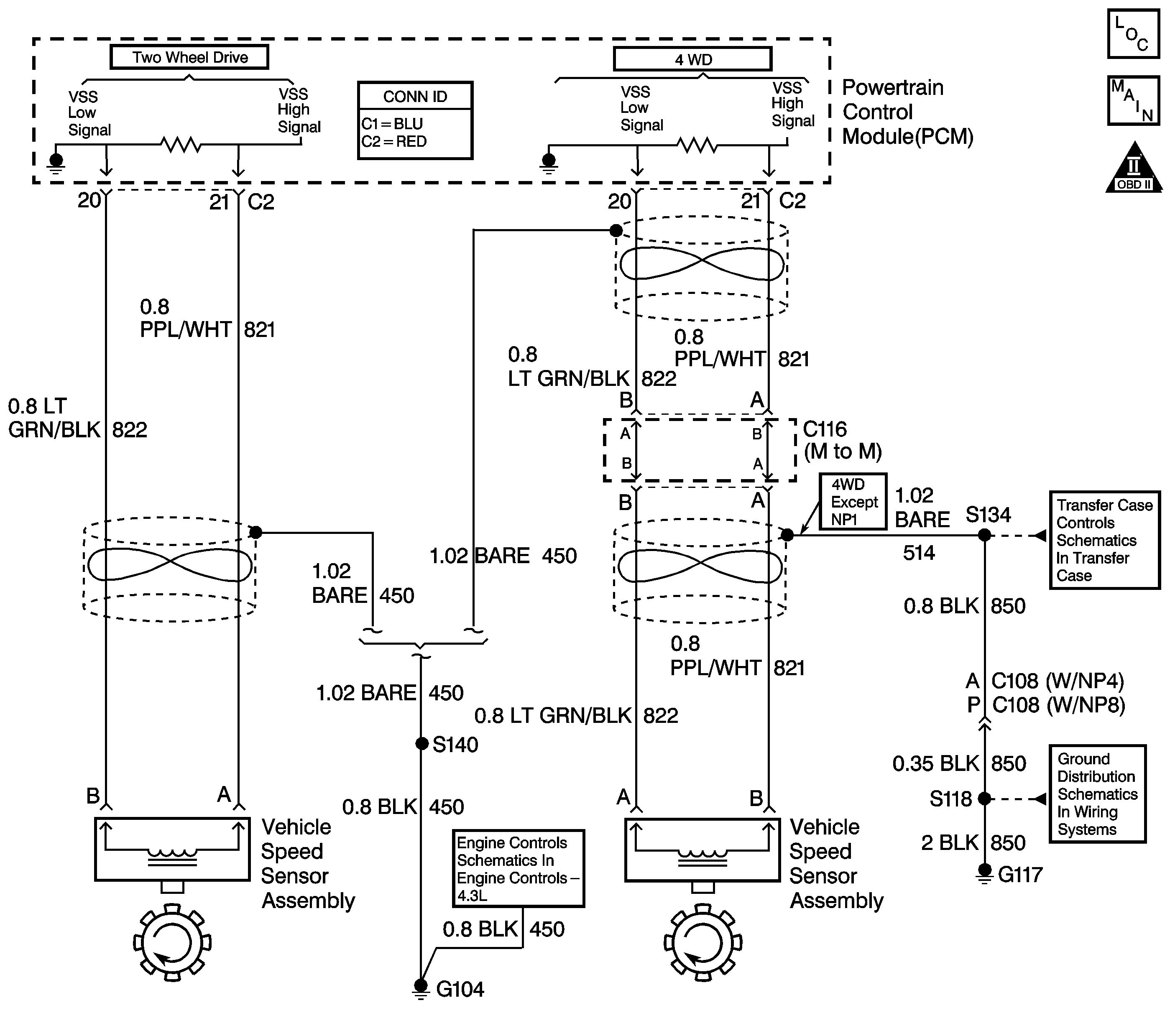
Object Number: 662622  Size: LF
Master Electrical Component List
Manual Transmission Schematics
OBD II Symbol Description Notice

Circuit Description

The vehicle speed sensor (VSS) assembly provides vehicle speed information to the powertrain control module (PCM). The VSS assembly is a permanent magnet generator. The VSS produces alternating current (AC) as the rotor teeth on the output shaft of the transmission (2WD) or transfer case (4WD) pass through the sensor's magnetic field. The frequency and amplitude of the AC waveform both increase as vehicle speed increases.

If the PCM detects no vehicle speed for a specified length of time while other sensors indicate that the vehicle is moving, DTC P0500 sets. DTC P0500 is a type B DTC.

Conditions for Running the DTC

    • No Manifold Absolute Pressure (MAP) Sensor DTCs P0106, P0107 or P0108.
    • No Throttle Position (TP) or Accelerator Pedal Position (APP) Sensor DTCs P0121, P0122, P0123.
    • No crankshaft position sensor DTCs P0335 or P0336.
    • The ECT is greater than 35°C (95°F).
    • The TP sensor angle is 5-100 percent.
    • The engine speed is greater than 1,000 RPM.
    • The MAP is 40-100 kPa (6-15 psi).
    • All of the above conditions are met for two seconds.

Conditions for Setting the DTC

The PCM detects no vehicle speed for 50 seconds.

Action Taken When the DTC Sets

    • The PCM illuminates the malfunction indicator lamp (MIL) on the second consecutive drive trip that the diagnostic runs and fails.
    • Cruise Control is disabled.
    • The PCM records the operating conditions at the time when the Conditions for Setting the DTC are met. The PCM stores this information as Freeze Frame and Failure Records.
    • The PCM stores DTC P0500 in PCM history.

Conditions for Clearing the MIL/DTC

    • The PCM turns OFF the MIL after three consecutive ignition cycles in which the diagnostic test runs and passes.
    • The PCM cancels the DTC default actions when the fault no longer exists and the DTC passes.
    • The PCM clears the DTC from PCM history if the vehicle completes 40 warm-up cycles without an emission-related diagnostic fault occurring.
    • A scan tool can clear the MIL/DTC.

Diagnostic Aids

Ensure the VSS is correctly torqued to the transmission housing.

Test Description

The numbers below refer to the step numbers on the diagnostic table.

  1. The resistance measurement will not change if either the VSS high signal circuit or the VSS low signal circuit, but not both, is shorted to ground. The vehicle speed detector in the PCM and the VSS are matched in such a way that an open or a short to ground in the VSS low signal circuit will not usually cause a loss of speed signal or a DTC P0500 to set. The lower resistance value given represents the nominal resistance specification of the VSS at -40°C (-40°F), minus the manufacturing tolerance specification of 10 percent. The higher resistance value given represents the nominal resistance specification of the VSS at 150°C (302°F), plus the manufacturing tolerance specification of 10 percent.

  2. This step isolates the short between the VSS and the wiring.

  3. Do not skip Step 7. The DMM will detect AC voltage if the VSS high signal circuit is shorted to ground.

  4. The replacement PCM must be programmed and the crankshaft position system variation procedure must be performed. Refer to the latest Techline procedures for PCM reprogramming and to Powertrain Control Module (PCM) Programming in Engine Controls - 4.3L.

Step

Action

Value(s)

Yes

No

1

Did you perform the Diagnostic System Check - Manual Transmission ?

--

Go to Step 2

Go to Diagnostic System Check - Manual Transmission

2

    Notice: In order to avoid damage to the drive axles, support the lower control arms in the normal horizontal position. Do not run the vehicle in gear with the wheels hanging down at full travel.

  1. Install a scan tool.
  2. Turn ON the ignition with the engine OFF.
  3. Important: Record the Failure Records before clearing the DTCs. Using the Clear Info function erases the Failure Records from the PCM.

  4. Record the DTC Freeze Frame and Failure Records.
  5. Clear the DTC.
  6. Raise the drive wheels.
  7. Start the engine.
  8. Allow the engine to idle in gear.

Does the scan tool display vehicle speed above the specified value?

0 km/h (0 mph)

Go to Step 3

Go to Step 4

3

  1. Turn OFF the ignition.
  2. Turn ON the ignition with the engine OFF.
  3. Review the Freeze Frame data and record the parameters.
  4. Start the engine.
  5. Operate the vehicle within the Freeze Frame conditions and Conditions for Running the DTC.

Does the scan tool display vehicle speed above the specified value?

0 km/h (0 mph)

Go to Intermittent Conditions in Engine Controls - 4.3L

Go to Step 4

4

  1. Verify that the latest calibration is installed in the PCM.
  2. Update the PCM with the latest calibration as necessary.

Did the PCM require a calibration update?

--

Go to Step 14

Go to Step 5

5

  1. Turn OFF the ignition.
  2. Disconnect the PCM.
  3. Measure the resistance between terminal C2 20 and C2 21.

Is the resistance within the specified range?

966-2,200 ohms

Go to Step 7

Go to Step 6

6

Test the VSS high signal and VSS low signal circuits for the following conditions:

    • An open circuit or high resistance condition
    • VSS high signal and VSS low signal circuits shorted together

Refer to Circuit Testing in Wiring Systems.

Did you find and correct a condition?

--

Go to Step 14

Go to Step 11

7

Measure the resistance between the terminal C2 21 and ground.

Is the resistance greater than the specified value?

50 K ohms

Go to Step 10

Go to Step 8

8

  1. Leave the DMM connected between terminal C2 21 and ground.
  2. Disconnect the VSS.
  3. Measure the resistance between terminal C2 21 and ground.

Is the resistance greater than the specified value?

50 K ohms

Go to Step 11

Go to Step 9

9

Repair the short to ground in the VSS high signal circuit.

Did you complete the repair?

--

Go to Step 14

--

10

  1. Connect the DMM between terminal C2 20 and C2 21.
  2. Measure the AC voltage with the DMM while rotating the drive wheels by hand.

Is the AC voltage equal to or greater than the specified value?

0.5 V

Go to Step 13

Go to Step 11

11

  1. Remove the VSS. Refer to Vehicle Speed Sensor .
  2. Inspect the VSS and the VSS rotor for the following conditions:
  3. • VSS damage
    • VSS rotor damage
    • Excessive air gap between the VSS rotor and the VSS
    • Incorrect alignment between the VSS and the VSS rotor
  4. Repair or replace any of the above items as necessary.

Did you find and correct a condition?

--

Go to Step 14

Go to Step 12

12

Replace the VSS. Refer to Vehicle Speed Sensor .

Did you complete the repair?

--

Go to Step 14

--

13

Replace the PCM. Refer to Powertrain Control Module Replacement in Engine Controls - 4.3L.

Is the action complete?

--

Go to Step 14

--

14

  1. Using the scan tool, clear the DTCs.
  2. Start the engine.
  3. Idle at normal operating temperature.
  4. Operate the vehicle within the Conditions for Running the DTC, as specified in the supporting text.

Does the scan tool indicate that this diagnostic has run and passed?

--

System OK

Go to Step 2