GM Service Manual Online
For 1990-2009 cars only
Makes
🢒
Chevrolet
🢒
2004
🢒
S10 Pickup - 4WD
🢒
Transmission/Transaxle
🢒
Shift Lock Control
🢒 Shift Lock Control Schematics
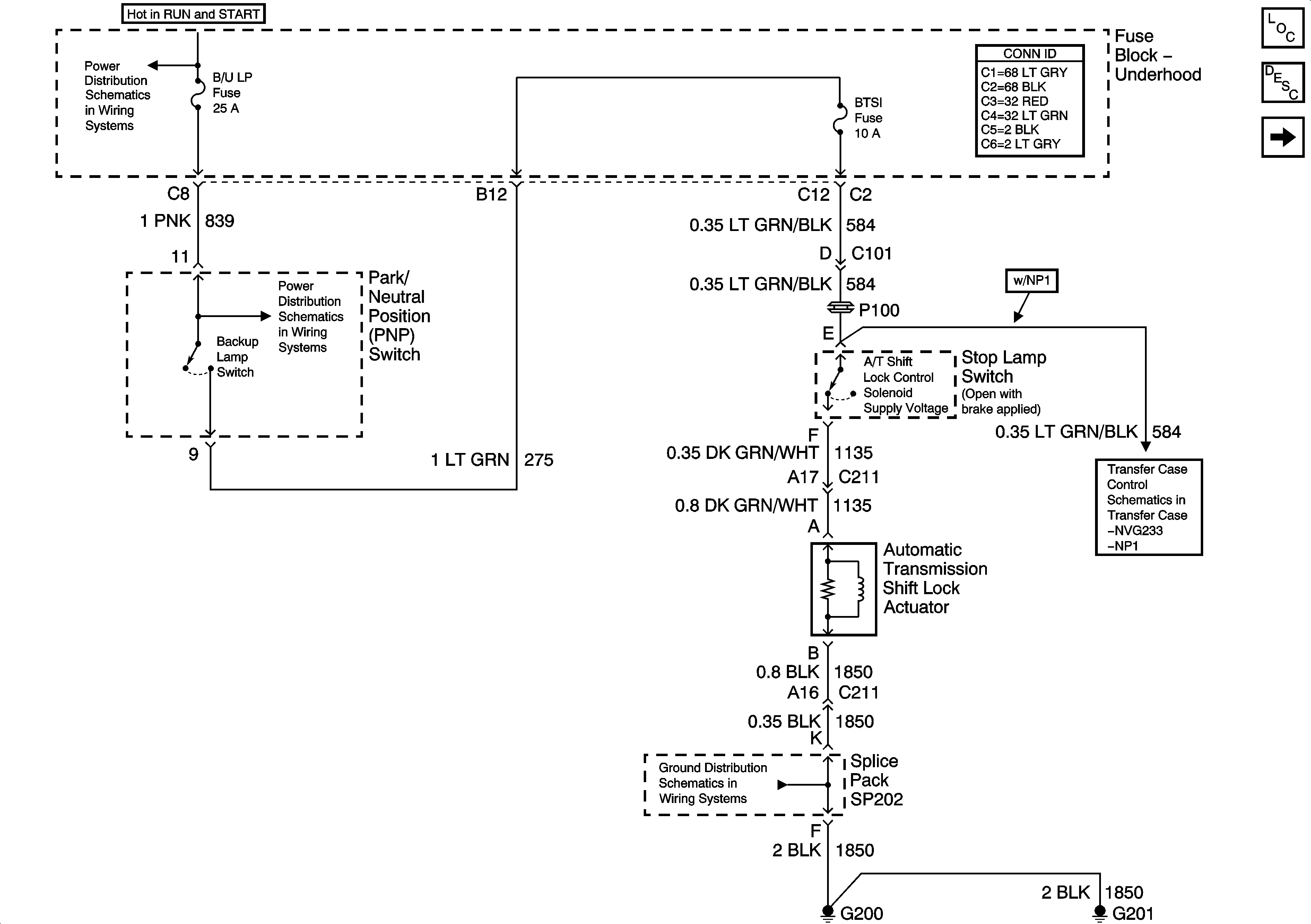
Figure
1:
Pickup w/Column Shift
Master Electrical Component List
Automatic Transmission Shift Lock Control Description and Operation
Crew Cab and Utility w/Column Shift
Ign RUN and START Bus Bar
B/U LP, TRL B/U and BTSI Fuses - Automatic Transmission
G200, G201and G207-Pickup and Crew Cab
Front Axle Switch and Powertrain Control Module
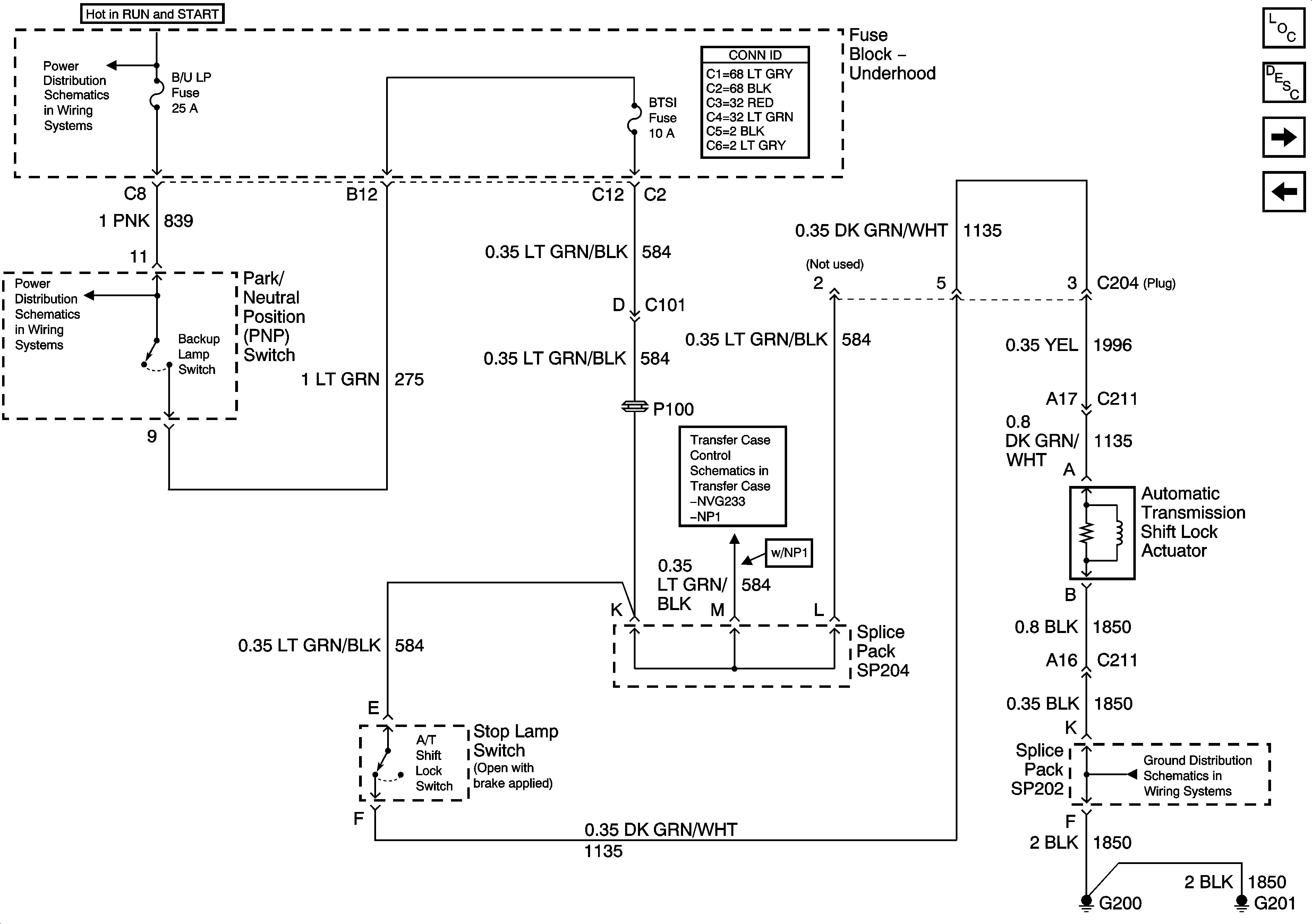
Figure
2:
Crew Cab and Utility w/Column Shift
Master Electrical Component List
Automatic Transmission Shift Lock Control Description and Operation
Utility w/Floor Shift
Pickup w/Column Shift
Ign RUN and START Bus Bar
B/U LP, TRL B/U and BTSI Fuses - Automatic Transmission
Front Axle Switch and Powertrain Control Module
G200, G201and G207-Pickup and Crew Cab
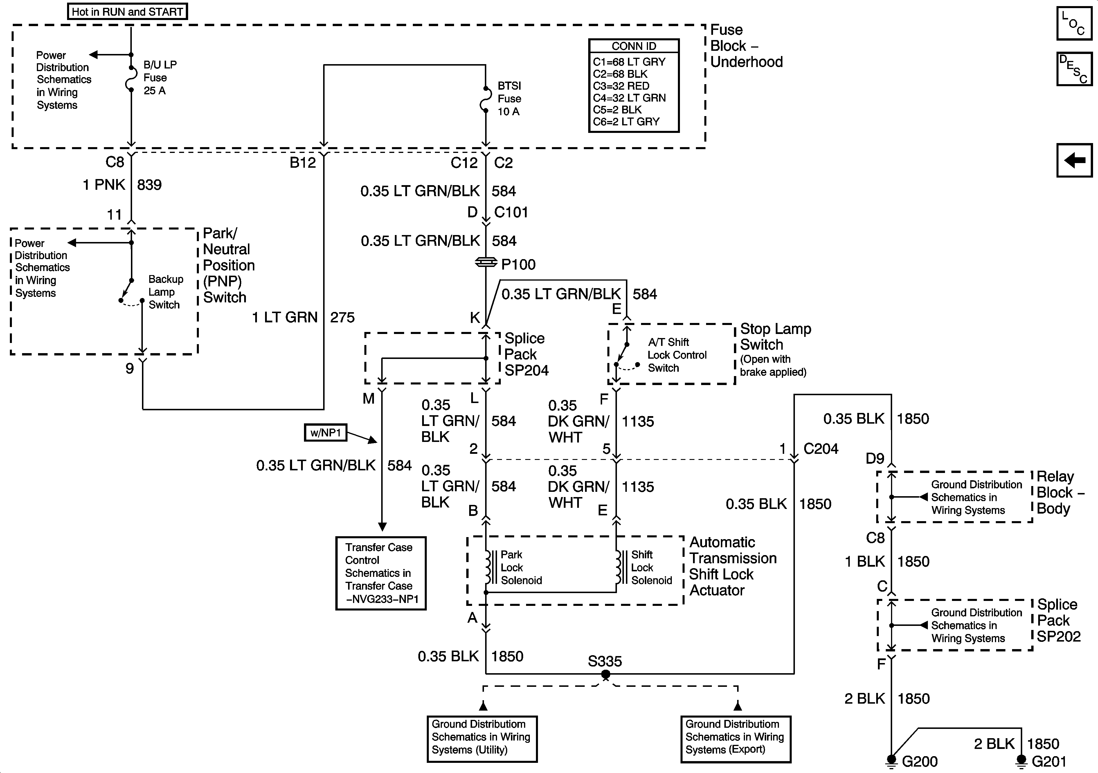
Figure
3:
Utility w/Floor Shift
Master Electrical Component List
Automatic Transmission Shift Lock Control Description and Operation
Crew Cab and Utility w/Column Shift
Ign RUN and START Bus Bar
B/U LP, TRL B/U and BTSI Fuses - Automatic Transmission
Front Axle Switch and Powertrain Control Module
G200, G201 and G207 - Utility
G200, G201 and G207 - Export
G200, G201 and G207 - Utility
G200, G201 and G207 - Utility