GM Service Manual Online
For 1990-2009 cars only
Makes
🢒
Chevrolet
🢒
1999
🢒
S10 - Electric
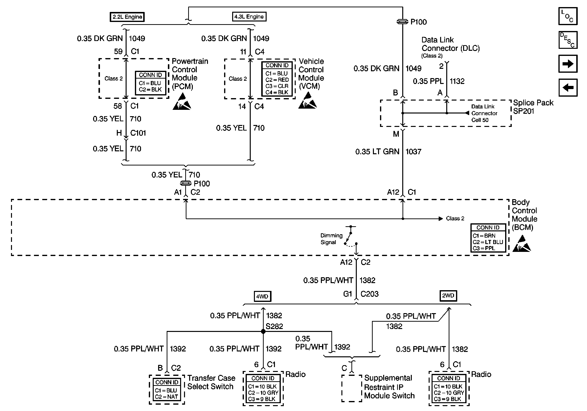
🢒 Cell 51: VCM, PCM, and Data Link Connector
Cell 51: VCM, PCM, and Data Link Connector
Cell 51: VCM, PCM, and Data Link Connector
Powertrain Control Module Connector End Views
Handling ESD Sensitive Parts Notice
VCM Connector End Views
Handling ESD Sensitive Parts Notice
Cell 50: SP201 (2.2L)
Body Control Module Components
Body Control System Circuit Description
Cell 51: Horn Relay
Cell 51: Power and Grounding, TBC, PARK LP, GAUGES and CRUISE Fuses
Body Control System Connector End Views
Handling ESD Sensitive Parts Notice
Transfer Case Control Connector End Views
Entertainment Connector End Views