GM Service Manual Online
For 1990-2009 cars only
Makes
🢒
Chevrolet
🢒
1999
🢒
S10 - Electric
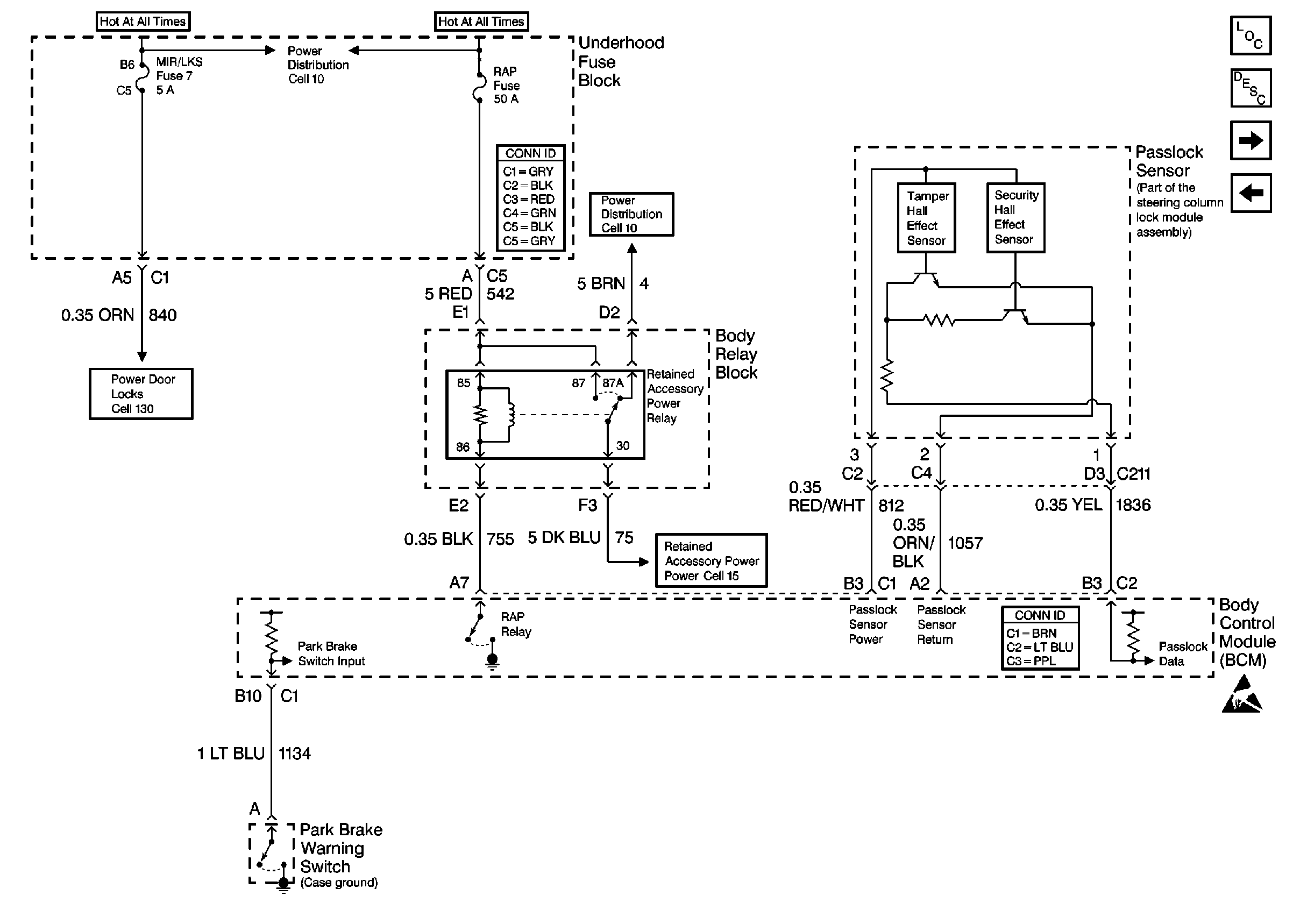
🢒 Cell 51: MIR/LKS and RAP Fuses, RAP Relay and Passlock Sensor
Cell 51: MIR/LKS and RAP Fuses, RAP Relay and Passlock Sensor
Cell 51: MIR/LKS and RAP Fuses, RAP Relay and Passlock Sensor
Cell 10: RAP, IGN B Fuses and Ignition Switch
Power and Grounding Connector End Views
Cell 130: Door Lock Switch Inputs
Cell 10: RAP, IGN B Fuses and Ignition Switch
Cell 15: RAP Relay and Ignition Switch
Body Control System Connector End Views
Handling ESD Sensitive Parts Notice
Body Control Module Components
Body Control System Circuit Description
Cell 51: VCM or PCM Speed Signal and Ambient Light Sensor
Cell 51: Horn Relay