GM Service Manual Online
For 1990-2009 cars only
Makes
🢒
Chevrolet
🢒
1999
🢒
S10 - Electric
🢒 Cell 51: Door Handle Switches and Door Jamb Switches
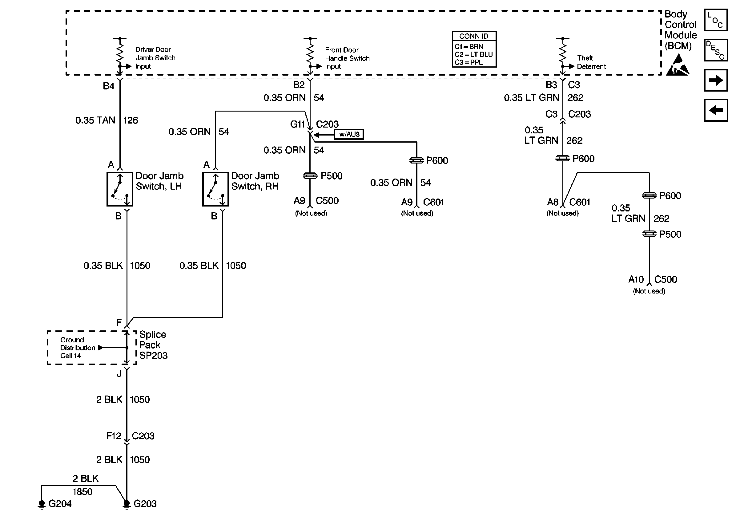
Cell 51: Door Handle Switches and Door Jamb Switches
Cell 51: Door Handle Switches and Door Jamb Switches
Body Control System Connector End Views
Handling ESD Sensitive Parts Notice
Body Control Module Components
Body Control System Circuit Description
Cell 51: Headlamp Switch, Inadvertent Power Relay and Courtesy Lamp Relay
Cell 51: Automatic Transmission Preference Switch and Ignition Key Alarm Switch
Cell 14: G203 and G204
Cell 51: Automatic Transmission Preference Switch and Ignition Key Alarm Switch