GM Service Manual Online
For 1990-2009 cars only
Makes
🢒
Chevrolet
🢒
1999
🢒
S10 - Electric
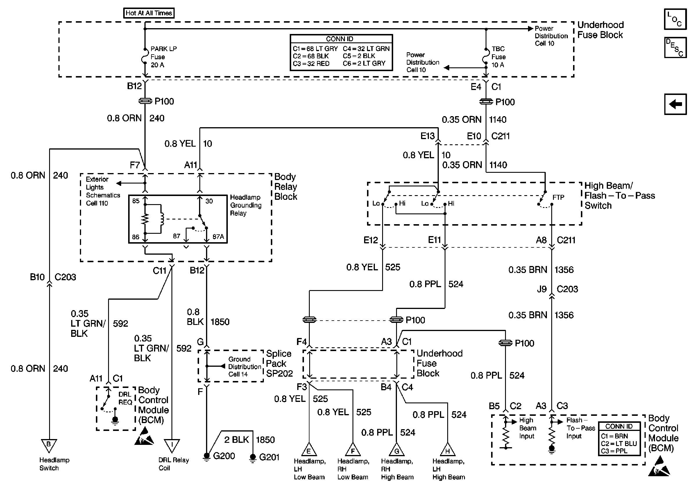
🢒 Cell 102: Headlamp Grounding Relay and Flash-To-Pass Switch
Cell 102: Headlamp Grounding Relay and Flash-To-Pass Switch
Cell 102: Headlamp Grounding Relay and Flash-To-Pass Switch
Cell 102: Headlamp Switch, Ambient Light Sensor and BCM
Handling ESD Sensitive Parts Notice
Cell 102: DRL and Headlamp Power Relays
Cell 110: PARK LP Fuse and Park Lamp Relay
Power and Grounding Connector End Views
Cell 10: STUD 2, ABS and TBC Fuses
Lighting Systems Components
Headlights Circuit Description
Cell 102: DRL and Headlamp Power Relays
Body Control System Connector End Views
Handling ESD Sensitive Parts Notice
Cell 102: DRL and Headlamp Power Relays
Cell 102: DRL and Headlamp Power Relays
Cell 102: DRL and Headlamp Power Relays
Cell 102: DRL and Headlamp Power Relays
Cell 14: G200, G201 and G207
Cell 10: STUD 2, ABS and TBC Fuses