GM Service Manual Online
For 1990-2009 cars only
Makes
🢒
Chevrolet
🢒
1999
🢒
S10 - Electric
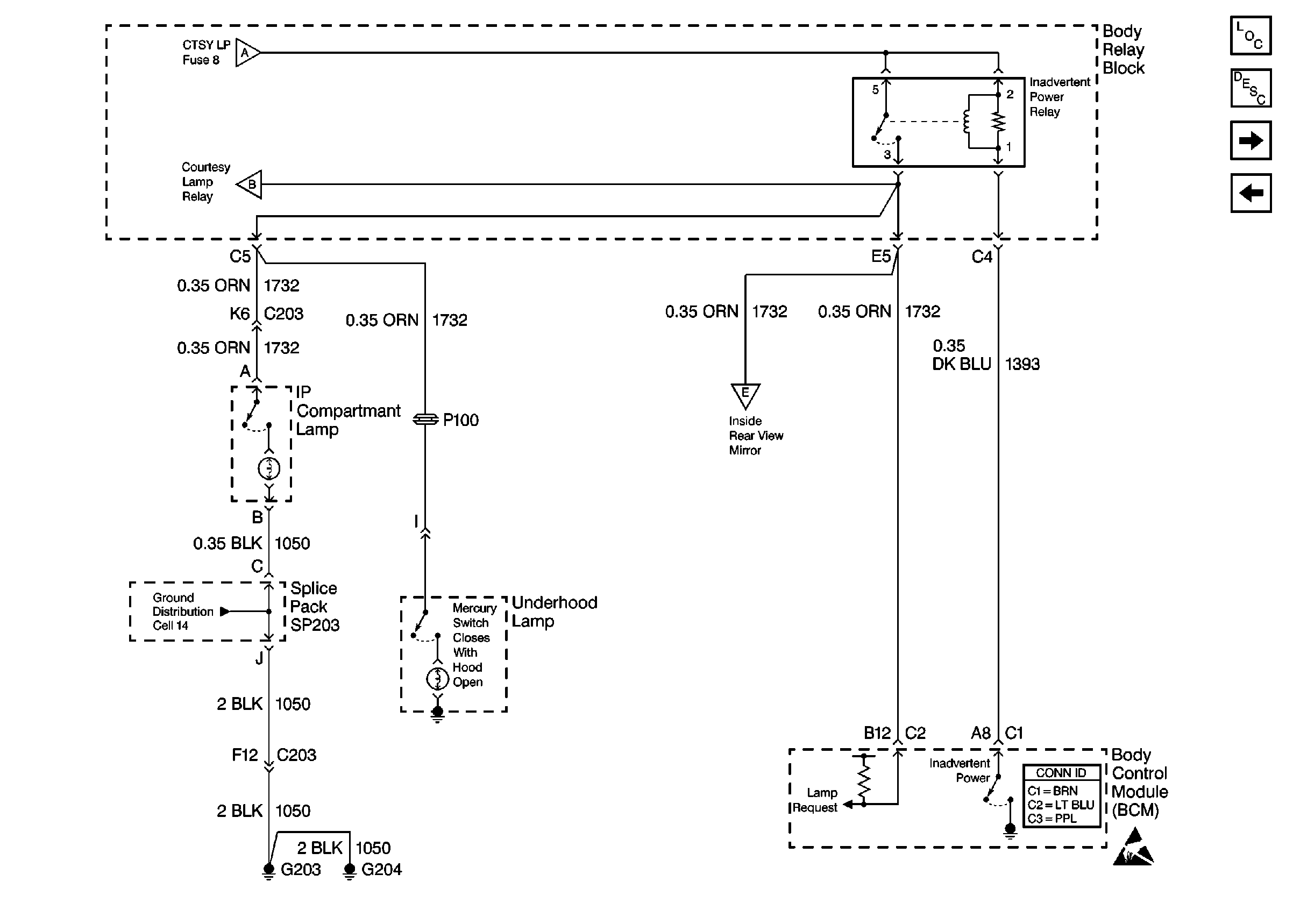
🢒 Cell 114: Inadvertent Power Relay, IP Compartment and Underhood Lamps
Cell 114: Inadvertent Power Relay, IP Compartment and Underhood Lamps
Cell 114: Inadvertent Power Relay, IP Compartment and Underhood Lamps
Cell 114: CTSY LP Fuse, Courtesy Lamp Relay and Courtesy Lamps
Cell 114: CTSY LP Fuse, Courtesy Lamp Relay and Courtesy Lamps
Cell 14: G203 and G204
Body Control System Connector End Views
Handling ESD Sensitive Parts Notice
Cell 114: Inside Rear View Mirror and Sunshade Mirror Lamps
Lighting Systems Components
Interior Lights Circuit Description
Cell 114: Inside Rear View Mirror and Sunshade Mirror Lamps
Cell 114: CTSY LP Fuse, Courtesy Lamp Relay and Courtesy Lamps