GM Service Manual Online
For 1990-2009 cars only

    Object Number: 492770  Size: SH

    Important: 

       • The intake manifold, throttle body, fuel injection rail and fuel injectors may be removed as an assembly. If not servicing the individual components, install the intake manifold as a complete assembly.
       • DO NOT use intake manifold gaskets again. Install NEW intake manifold-to-cylinder head gaskets.

  1. Install NEW intake manifold-to-cylinder head gaskets (1).

  2. Object Number: 825839  Size: SH
  3. Install the intake manifold.
  4. Apply a 5 mm (0.20 in) band of threadlock GM P/N 12345382 (Canadian P/N 10953489) or equivalent to the threads of the intake manifold bolts. Refer to Sealers, Adhesives, and Lubricants .
  5. Notice: Refer to Fastener Notice in the Preface section.


    Object Number: 63222  Size: SH
  6. Install the intake manifold bolts.
  7. Tighten

    1. Tighten intake manifold bolts first pass in sequence to 5 N·m (44 lb in).
    2. Tighten intake manifold bolts final pass in sequence to 10 N·m (89 lb in).

    Object Number: 825838  Size: SH
  8. Install the manifold absolute pressure (MAP) sensor (1), if previously removed.
  9. The electrical connector end of the sensor should be facing the front of the engine.


    Object Number: 874375  Size: SH
  10. Install the positive crankcase ventilation (PCV) valve (2) and hose (1).
  11. Install the engine coolant air bleed hose and clamp onto the throttle body.

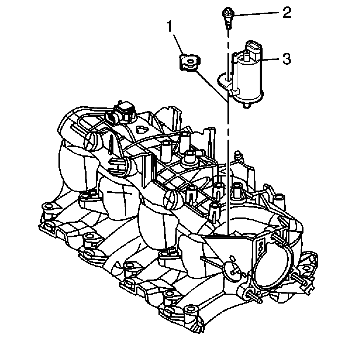
  12. Object Number: 874377  Size: SH
  13. Install the evaporative emission (EVAP) purge solenoid (3), bolt (2), and isolator (1).
  14. Tighten
    Tighten the solenoid bolt to 10 N·m (89 lb in).