GM Service Manual Online
For 1990-2009 cars only

Removal Procedure

  1. Raise and support the vehicle. Refer to Lifting and Jacking the Vehicle in General Information.
  2. Remove the front tire and wheels. Refer to Tire and Wheel Removal and Installation in Tires and Wheels.
  3. Remove the shock module. Refer to Shock Absorber and Spring Assembly Replacement in Front Suspension.

  4. Object Number: 876682  Size: SH
  5. Remove the lower engine mount retaining nuts from the engine mount frame bracket.

  6. Object Number: 876736  Size: SH
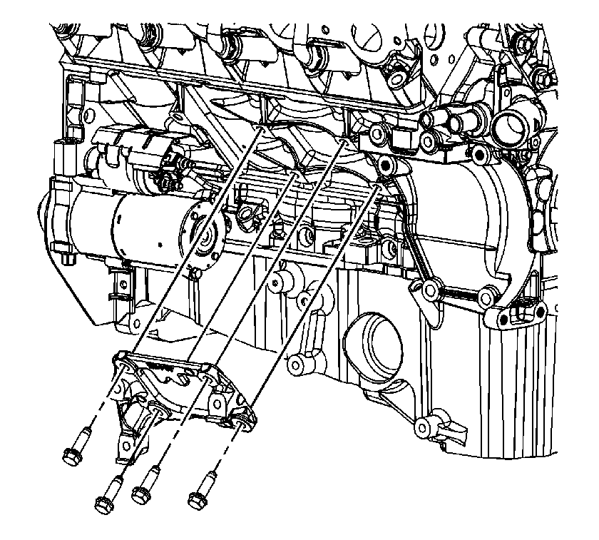
  7. Remove the 3 mounting bolts from the upper engine mount bracket to engine block bracket.

  8. Object Number: 876704  Size: SH
  9. Remove the 3 frame engine mount bracket retaining bolts.

  10. Object Number: 756187  Size: SH
  11. Install a pole jack underneath the oil pan.
  12. Insert a block of wood between the oil pan and the pole jack.

  13. Object Number: 876683  Size: SH
  14. Raise the engine 2 ¼ inches measuring from the bottom of the oil pan to the front edge of the transmission support crossmember.
  15. Shift the engine towards the left side of the frame.

  16. Object Number: 876682  Size: SH
  17. Remove the engine mount frame bracket from the frame.

  18. Object Number: 886135  Size: SH
  19. Remove the engine mount with upper engine mount bracket as an assembly.
  20. Separate the engine mount from the upper engine mount bracket.

  21. Object Number: 883055  Size: SH
  22. Remove the engine mount bracket spacer if damaged.

Installation Procedure

    Notice: Refer to Fastener Notice in the Preface section.


    Object Number: 883055  Size: SH
  1. Install the engine mount bracket spacer if it has been replaced.
  2. Tighten
    Tighten the engine mount bracket spacer bolts to 50 N·m (37 lb ft).


    Object Number: 886135  Size: SH

    Important: Make sure that the cut out side of the engine mount shield is positioned away from the engine.

  3. Install the engine mount to the upper engine mount bracket.
  4. Tighten
    Tighten the engine mount nuts to 50 N·m (37 lb ft)


    Object Number: 876736  Size: SH
  5. Install the upper engine mount bracket with engine mount to the engine.
  6. Tighten
    Tighten the upper engine mount bracket bolts to 50 N·m (37 lb ft).

  7. Install the engine mount frame bracket to the frame.
  8. Install the engine mount frame bracket retaining bolts.
  9. Tighten
    Tighten the engine mount frame bracket retaining bolts to 100 N·m (74 lb ft).

  10. Shift engine back to the right side of the frame.
  11. Install the left side engine mount frame bracket.
  12. Install the left side engine mount frame bracket retaining bolts.
  13. Tighten
    Tighten the left side engine mount frame bracket retaining bolts to 100 N·m (74 lb ft).


    Object Number: 876682  Size: SH
  14. Lower the engine, making sure to align engine mount studs with holes in frame bracket.
  15. Remove the pole jack and block of wood.
  16. Tighten the engine mount nuts.
  17. Tighten
    Tighten the engine mount nuts to 50 N·m (37 lb ft).

  18. Install the shock module. Refer to Shock Absorber and Spring Assembly Replacement in Front Suspension.
  19. Install the front tire and wheels. Refer to Tire and Wheel Removal and Installation in Tires and Wheels.
  20. Lower the vehicle. Refer to Lifting and Jacking the Vehicle in General Information.