GM Service Manual Online
For 1990-2009 cars only
Figure 1:

Front Fascia Harness Routing


Object Number: 1238374  Size: LF
(1)Marker Lamp - LF
(2)Park/Turn Signal Lamp - LF connector
(3)Park/Turn Signal Lamp - LF
(4)Park/Turn Signal Lamp - RF
(5)Marker Lamp - RF
(6)Park/Turn Signal Lamp - RF Connector
(7)Fog Lamp - RF
(8)C104
(9)Fog Lamp - LF
Figure 2:

Forward lamp Harness Routing


Object Number: 1238379  Size: LF
(1)C103
(2)Fuse Block - Underhood C4
(3)Battery Feed
(4)Headlamp - Low Beam Left
(5)Headlamp - High Beam Left
(6)S111
(7)Cooling Fan 2 Relay
(8)G105
(9)Cooling Fan 1 Relay
(10)S106
(11)Cooling Fan
(12)S104
(13)S103
(14)Headlamp - High Beam Right
(15)Headlamp - Low Beam Right
(16)Horn Assembly
(17)S105
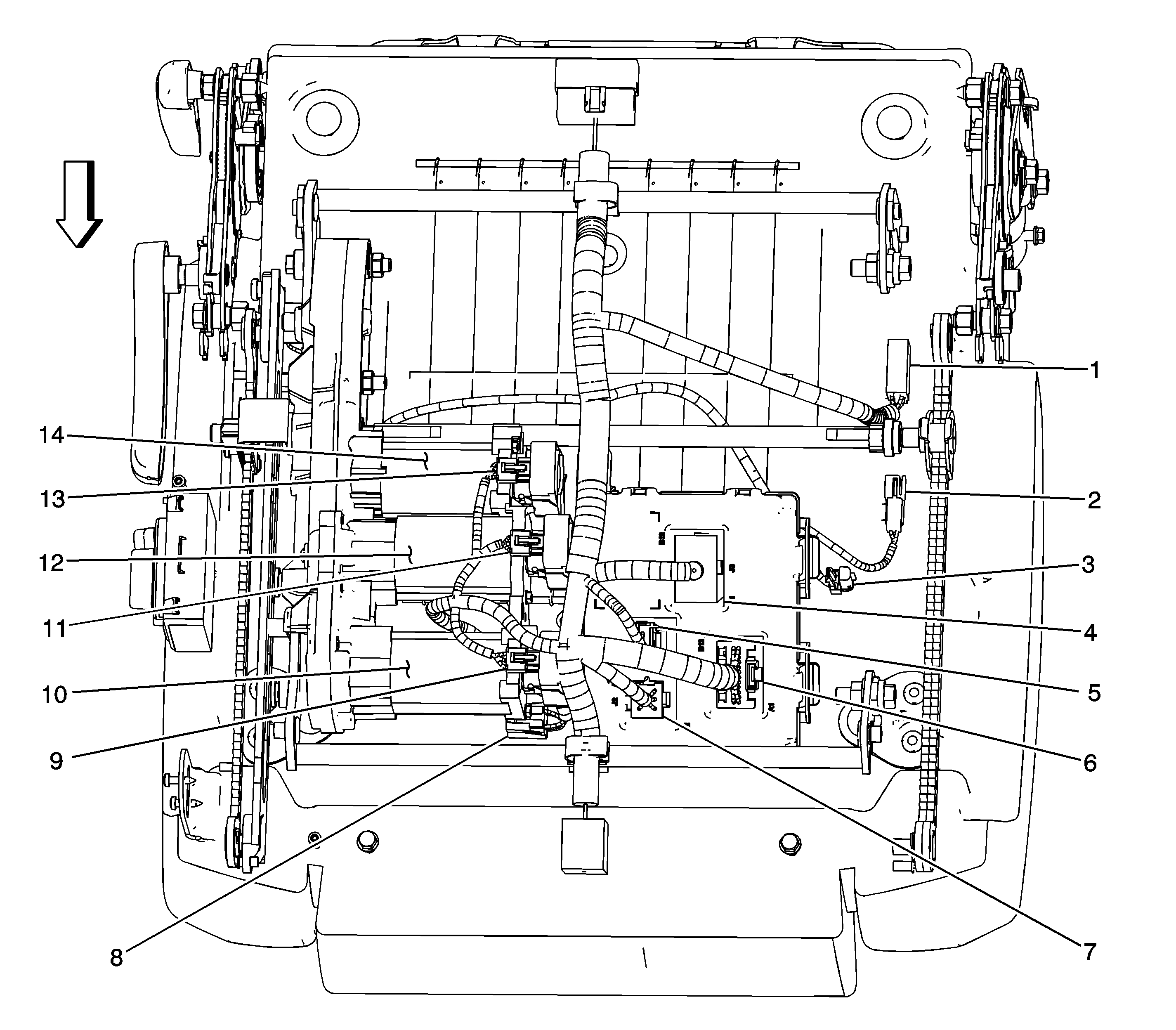
Figure 3:

Engine Harness Routing (1 of 3)


Object Number: 1238381  Size: LF
(1)Starter
(2)Crankshaft Position (CKP) Sensor
(3)S100
(4)C100
(5)Throttle Actuator Control (TAC) Module C1
(6)Fuse Block - Underhood C1
(7)G102
(8)S101
(9)Engine Coolant Temperature (ECT) Sensor
(10)G101
(11)G100
(12)Powertrain Control Module (PCM) C1,C2
(13)Engine Oil Level Switch
(14)A/C Compressor Clutch
(15)A/C Refrigerant Pressure Sensor
(16)Throttle Body
Figure 4:

Engine Harness Routing (2 of 3)


Object Number: 1238384  Size: LF
(1)C108
(2)Fuel Injector 6
(3)Fuel Injector 8
(4)Manifold Absolute Pressure (MAP) Sensor
(5)Fuel Injector 7
(6)Fuel Injector 5
(7)C109
(8)Fuel Injector 3
(9)Fuel Injector 1
(10)Generator
(11)S102
(12)Fuel Injector 2
(13)Fuel Injector 4
(14)Intake Air Temperature (IAT)/Mass Air Flow (MAF) Sensor
Figure 5:

Engine Harness Routing (3 of 3)


Object Number: 1238386  Size: LF
(1)Camshaft Position (CMP) Sensor
(2)Engine Oil Pressure (EOP) Sensor
(3)Heated Oxygen Sensor (HO2S) Bank 2 Sensor 1
(4)C175
(5)Heated Oxygen Sensor (HO2S) Bank 2 Sensor 2
(6)Vehicle Speed Sensor (VSS)
(7)Heated Oxygen Sensor (HO2S) Bank 1 Sensor 2
(8)Heated Oxygen Sensor (HO2S) Bank 1 Sensor 1
(9)Park Neutral Position Switch C1
(10)Park Neutral Position Switch C2
Figure 6:

Chassis Harness Routing


Object Number: 1235760  Size: LF
(1)Wheel Speed Sensor (WSS) - RF
(2)Electronic Brake Control Module (EBCM)
(3)Fuel Pump and Sender Assembly
(4)Evaporative Emission (EVAP) Canister Vent Solenoid
(5)Fuel Tank Pressure (FTP) Sensor
(6)Tail/Stop and Turn Signal Lamp - Right
(7)C402
(8)G402, G403
(9)S400
(10)S401
(11)S402
(12)Tail/Stop and Turn Signal Lamp - Left
(13)C400
(14)C401
(15)Rear Compartment Ajar Switch
(16)Rear Compartment Lid Release Switch/Actuator - Exterior
(17)Trailer Tow Blunt Cut
(18)C404
(19)S403
(20)G401
(21)G400
(22)Fuse Block - Underhood C7
(23)Fuse Block - Underhood C3
(24)Brake Fluid Level Switch
(25)C105
(26)Wheel Speed Sensor (WSS) - LF
Figure 7:

Body Harness Routing/Components Views


Object Number: 1236084  Size: LF
(1)C303
(2)C600
(3)C601
(4)G301
(5)Seat Belt Pretensioner - RF
(6)Inflatable Restraint Side Impact Module - Right
(7)C306
(8)S303
(9)C308
(10)Roof/Door Module
(11)Roof/Door Module
(12)Relay Block - Rear
(13)D300
(14)Speaker - LR
(15)Audio Amplifier C3
(16)Audio Amplifier C1
(17)Splice Pack SP300
(18)Audio Amplifier C2
(19)S307
(20)Speaker - RR
(21)C309
(22)C202
(23)C204
(24)C200
(25)Fuse Block - Rear C2
(26)S306
(27)Fuse Block - Rear C3
(28)S301
(29)S302
(30)G302
Figure 8:

I/P Harness Routing View (1 of 3)


Object Number: 1366586  Size: LF
(1)C105
(2)C100
(3)C103
(4)Fuse Block - Underhood C2
(5)Electronic Frontal Sensor - Left
(6)Electronic Frontal Sensor - Right
(7)Windshield Wiper Motor
(8)I/P Harness
(9)G103
(10)Fuse Block - Underhood C5, C6
(11)Throttle Actuator Control (TAC) Module C2
Figure 9:

I/P Harness Routing View (2 of 3)


Object Number: 1254116  Size: LF
(1)S205
(2)S206
(3)Instrument Panel Cluster Connector
(4)Mode Actuator Connector
(5)Noise Compensation Microphone Connector
(6)Ambient Light Sensor Connector
(7)Radio Connector C1
(8)Air Temperature Actuator
(9)HVAC Connector Module Connector C1,C2
(10)Evaporator Temperature Sensor Connector
(11)Inflatable Restraint I/P Module Connector
(12)S209
(13)Blower Motor Connector
(14)Recirculation Actuator Connector
(15)Inflatable Restriaint I/P Module Disable Switch Connector
(16)I/P Compartment Lamp Connector
(17)Blower Motor Resistor Connector
(18)Rear Compartment Lid Release Switch - Interior Connector
(19)Auxiliary Power Outlet Front #2 Connector
(20)C205
(21)S208
(22)S207
(23)Auxiliary Power Outlet Front #1 Connector
(24)Splice Pack SP200, G200
(25)Turn Signal/Hazard Flasher Module Connector
(26)Stop Lamp Switch Connector
(27)Data Link Connector (DLC)
(28)Inflatable Restraint Steering Wheel Coil Connector
(29)Splice Pack SP201
(30)Headlamp Switch Connector
(31)C201
(32)Accelerator Pedal Position (APP) Sensor Connector
Figure 10:

I/P Harness Routing View (3 of 3)


Object Number: 1254130  Size: LF
(1)Center Console Switch Assembly Connector
(2)Automatic Transmission Shift Lock Actuator Connector
(3)Auxiliary Message Center (SEO) Connector
(4)Inflatable Restraint Sensing and Diagnostic Module (SDM) Connector
(5)Park Brake Switch Connector
(6)Fuse Block - Rear C4 Connector
(7)C202
(8)S300
(9)Remote Control Door Lock Receiver (RCDLR) Connector
(10)Body Control Module (BCM) C1, C2, C3, C4, C5 Connectors
(11)C200
(12)C204
(13)Fuse Block - Rear C1 Connector
(14)S318
(15)S319
(16)C300
(17)Inflatable Restraint Side Impact Module - Left Connector
(18)Seat Belt Pretensioner - LF Connector
(19)G300
(20)S202
(21)S200
(22)S203
(23)C501
(24)C500
(25)I/P Harness
Figure 11:

Steering Colunm


Object Number: 1393031  Size: LF
(1)Steering Column
(2)C277
(3)Inflatable Restraint Steering Wheel Module C2
(4)Inflatable Restraint Steering Wheel Module C1
(5)Steering Column Fuse Holder
(6)C275
(7)C201
Figure 12:

Header Harness Routing


Object Number: 1238388  Size: LF
(1)Retractable Roof Panel Outer Latch Striker Position Switch
(2)Rear View Mirror
(3)C304
(4)Retractable Roof Panel Outer Latch Actuator
(5)Retractable Roof Panel Outer Latch Position Switch
(6)S320
(7)S304
(8)Vanity Mirror - RF
(9)Windshield
(10)C303
(11)Vanity Mirror - LF
Figure 13:

Driver Seat Base Level Harness Routing


Object Number: 1272997  Size: LF
(1)C313
(2)C300
(3)Seat Belt Switch - Driver Connector
(4)Seat Position Switch - Left Connector
(5)Seat Motors Assembly - Driver Connector
(6)Seat Adjuster Switch - Driver Connector C1,C2
(7)Seat Adjuster Switch - Driver
Figure 14:

Driver Seat UP Level Harness Routing 1 of 2


Object Number: 1272998  Size: LF
(1)Heated Seat Element - Driver Connector
(2)Seat Belt Switch - Driver Connector
(3)Seat Position Switch - Left Connector
(4)Memory Seat Module - Driver C3
(5)Memory Seat Module - Driver C1
(6)Memory Seat Module - Driver C2
(7)Memory Seat Module - Driver C4
(8)Seat Motors Assembly - Driver Connector
(9)Position Sensor - Front
(10)Seat Front Vertical Motor - Driver
(11)Position Sensor - Rear
(12)Seat Rear Vertical Motor - Driver
(13)Seat Horizontal Motor - Driver
(14)Position Sensor - Horizontal
Figure 15:

Driver Seat UP Level Harness Routing 2 of 2


Object Number: 1273003  Size: LF
(1)Inflatable Restraint Side Impact Module - Left
(2)C300
(3)S325
(4)S324
(5)S315
(6)S313
(7)S314
(8)Seat Adjuster Switch - Driver Connector C1
(9)Seat Adjuster Switch - Driver Connector C2
(10)Seat Adjuster Switch - Driver
(11)C313
Figure 16:

Passenger Seat Harness Routing 1 of 2


Object Number: 1273004  Size: LF
(1)Seat Horizontal Motor - Passenger
(2)S308
(3)S309
(4)C306
(5)C314
Figure 17:

Passenger Seat Harness Routing 2 of 2


Object Number: 1273010  Size: LF
(1)Seat Adjuster Switch - Passenger Connector C2
(2)Seat Adjuster Switch - Passenger Connector C1
(3)Heated Seat Switch - Passenger Connector
(4)Seat Motors Assembly - Passenger Connector
(5)Seat Position Switch - Right
(6)Seat Belt Switch - Passenger Connector
(7)Heated Seat Element - Passenger Connector
(8)Inflatable Restraint Side Impact Module - Right
Figure 18:

Driver Door Harness Routing


Object Number: 1238390  Size: LF
(1)Outside Rear View Mirror Switch
(2)Speaker - LF Door Mid-Range
(3)S501
(4)C500
(5)C501
(6)S500
(7)Outside Rear View Mirror - Driver
(8)Speaker - LF Door
(9)S502
(10)Window Motor - Driver
(11)Inflatable Restraint Side Impact Sensor (SIS) - Left
(12)Door Latch Assembly - Driver
Figure 19:

Passenger Door Harness Routing


Object Number: 1238392  Size: LF
(1)Speaker - RF Door Mid-Range
(2)Door Latch Assembly - Passenger
(3)Passenger Door
(4)Inflatable Restraint Side Impact Sensor (SIS) - Right
(5)Window Motor - Passenger
(6)S602
(7)Speaker - RF Door
(8)Outside Rear View Mirror - Passenger
(9)S600
(10)C601
(11)C600
(12)S601
Figure 20:

Rear Fascia Harness Routing


Object Number: 1238393  Size: LF
(1)Rear Fascia
(2)License Lamps
(3)S405
(4)C401
(5)Marker Lamp - LR
(6)S404
(7)Backup Lamps
(8)Marker Lamp - RR