GM Service Manual Online
For 1990-2009 cars only

Tools Required

J 42451-1 Engine Support Adapter

Removal Procedure


    Object Number: 1286888  Size: SH
  1. Lower the folding top. Refer to Power Folding Top Description and Operation .
  2. Remove the front seats. Refer to Seat Replacement in Seats.
  3. Open the folding top stowage lid. Refer to Folding Top Manual Operation .
  4. Remove the rear upper garnish molding. Refer to Rear Upper Garnish Molding Replacement in Interior Trim.
  5. Remove the door sill plate. Refer to Door Sill Plate Replacement in Interior Trim.
  6. Remove the lock pillar trim. Refer to Body Lock Pillar Trim Panel Replacement in Interior Trim.
  7. Remove the upper seat belt guide bracket. Refer to Shoulder Belt Guide Bracket Replacement in Seat Belts.
  8. Remove the center console. Refer to Console Replacement in Instrument Panel, Gages and Console.
  9. Remove the folding top stowage lid assembly. Refer to Folding Top Stowage Compartment Lid Replacement .
  10. Remove the folding top stowage lid latches. Refer to Folding Top Stowage Compartment Lid Latch Replacement .
  11. Remove the zip-ties and wiring clips from the body.
  12. Secure the folding top stowage compartment lid lift cylinders and the folding top stowage compartment lid latches to the folding top bulkhead.

  13. Object Number: 1289913  Size: SH
  14. Remove the fasteners from the lower bulkhead floor bracket and remove the floor bracket from the vehicle.
  15. Disconnect the electrical connectors at the folding top.

  16. Object Number: 1289960  Size: SH
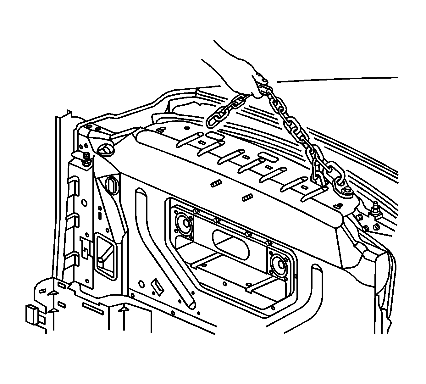
  17. Install the eyelets using the J 42451-1 into the folding top seat back body panel.

  18. Object Number: 1289926  Size: SH
  19. Remove the folding top lock pillar fasteners.

  20. Object Number: 1289941  Size: SH

    Important: This procedure will need a minimum of 2 people.

  21. Connect a suitable lifting device to the eyelets in order to lift the folding top module upward.

  22. Object Number: 1289907  Size: SH
  23. Lift the folding top upward to clear the vehicle.
  24. Move the folding top away from the vehicle.
  25. Lower the folding top onto a suitable holding area.

Installation Procedure


    Object Number: 1289907  Size: SH
  1. With the aid of an assistant, carefully raise the folding top to clear the body.
  2. With the aid of an assistant, carefully lower the folding top onto the vehicle.
  3. Ensure that the folding top locators are aligned into the lock pillar brackets.
  4. Notice: Refer to Fastener Notice in the Preface section.


    Object Number: 1289926  Size: SH
  5. Install the folding top lock pillar fasteners.
  6. Tighten
    Tighten the fasteners to 45 N·m (33 lb ft).


    Object Number: 1289913  Size: SH
  7. Install the lower bulkhead floor bracket and install the floor bracket fasteners into the vehicle.
  8. Tighten
    Tighten the fasteners to 25 N·m (18 lb ft).


    Object Number: 1289960  Size: SH
  9. Remove the eyelets from the folding top seat back body panel.
  10. Connect all electrical connectors at the bulkhead and secure to the bulkhead.
  11. Remove the folding top stowage compartment lid lift cylinders and the folding top stowage compartment lid latches from the folding top back seat bulkhead.
  12. Lay the hose and wiring onto the stowage compartment area.
  13. Raise the folding top up to the windshield header.
  14. Install the roof stowage lid assembly. Refer to Folding Top Stowage Compartment Lid Replacement .
  15. Connect the hose and wiring to the body using zip-ties.
  16. Install the folding top stowage lid latches. Refer to Folding Top Stowage Compartment Lid Latch Replacement .
  17. Install the folding top stowage lid. Refer to Folding Top Stowage Compartment Lid Replacement .
  18. Install the center console. Refer to Console Replacement in Instrument Panel, Gages, and Console.
  19. Install the upper seat belt guide bracket. Refer to Shoulder Belt Guide Bracket Replacement in Seat Belts.
  20. Install the lock pillar trim. Refer to Body Lock Pillar Trim Panel Replacement in Interior Trim.
  21. Install the door sill plate. Refer to Door Sill Plate Replacement in Interior Trim.
  22. Install the rear upper garnish molding. Refer to Rear Upper Garnish Molding Replacement in Interior Trim.
  23. Install the front seats. Refer to Seat Replacement in Seats.
  24. Inspect the folding top for proper operation. Refer to Power Folding Top Description and Operation .