GM Service Manual Online
For 1990-2009 cars only

Removal Procedure

Properly support the frame when you change the body mounts. If only one mount is changed, lower the entire side on which the mount is placed in order to provide clearance for the mount.


    Object Number: 757748  Size: SH
  1. Raise the vehicle slightly on a hoist. Refer to Lifting and Jacking the Vehicle in General Information.
  2. Place jack stands under the body on the side of the vehicle that the mounts will be placed.
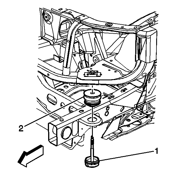
  3. Remove the body mount bolt, retainer, and lower cushion (1) from the radiator support.

  4. Object Number: 757746  Size: SH
  5. Remove the body mount bolts, retainers, and lower cushions (1) from the 5 other mount locations.
  6. Lower the hoist enough in order to leave the body supported by the jack stands.
  7. Remove the upper cushions (2) from the vehicle.

Installation Procedure


    Object Number: 757746  Size: SH
  1. Install the upper cushions (2) to the vehicle.
  2. Raise the frame slightly on the hoist.
  3. Notice: Refer to Fastener Notice in the Preface section.

  4. Install the lower cushions, retainers, and bolts to the 5 body mount locations.
  5. Tighten
    Tighten the bolts to 80 N·m (59 lb ft).


    Object Number: 757748  Size: SH
  6. Install the lower cushion (1), the retainer, and the bolt to the radiator support.
  7. Tighten
    Tighten the bolts to 80 N·m (59 lb ft).