GM Service Manual Online
For 1990-2009 cars only
Makes
🢒
Chevrolet
🢒
2003
🢒
SSR
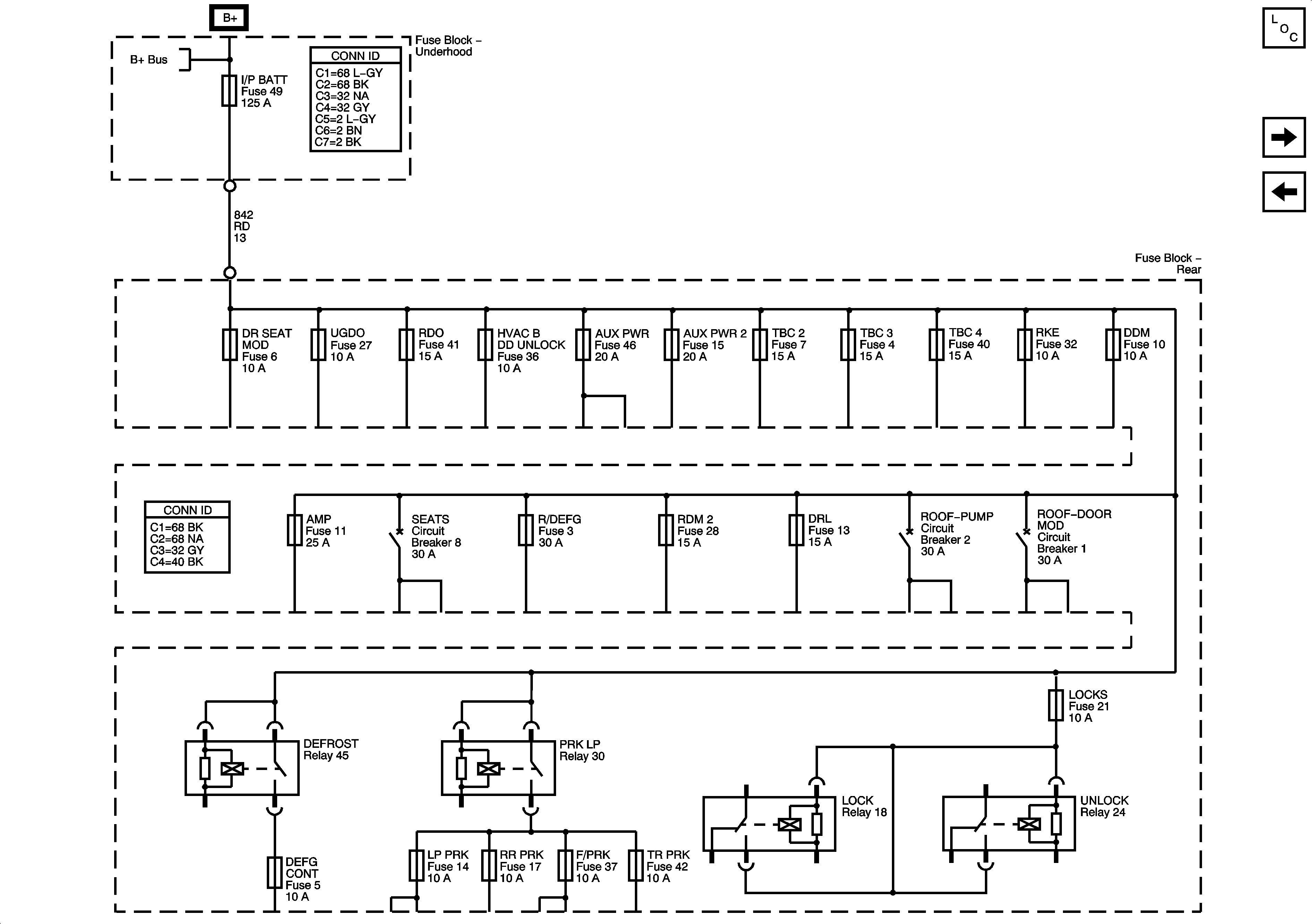
🢒 B+ Bus - Fuse Block - Rear
B+ Bus - Fuse Block - Rear
B+ BUS - Rear Fuse Block
Master Electrical Component List
ACCY/RUN and RUN/START BUS BAR
B+ BUS - Fuse Block Underhood
B+ BUS - Fuse Block Underhood