GM Service Manual Online
For 1990-2009 cars only
Makes
🢒
Chevrolet
🢒
2003
🢒
SSR
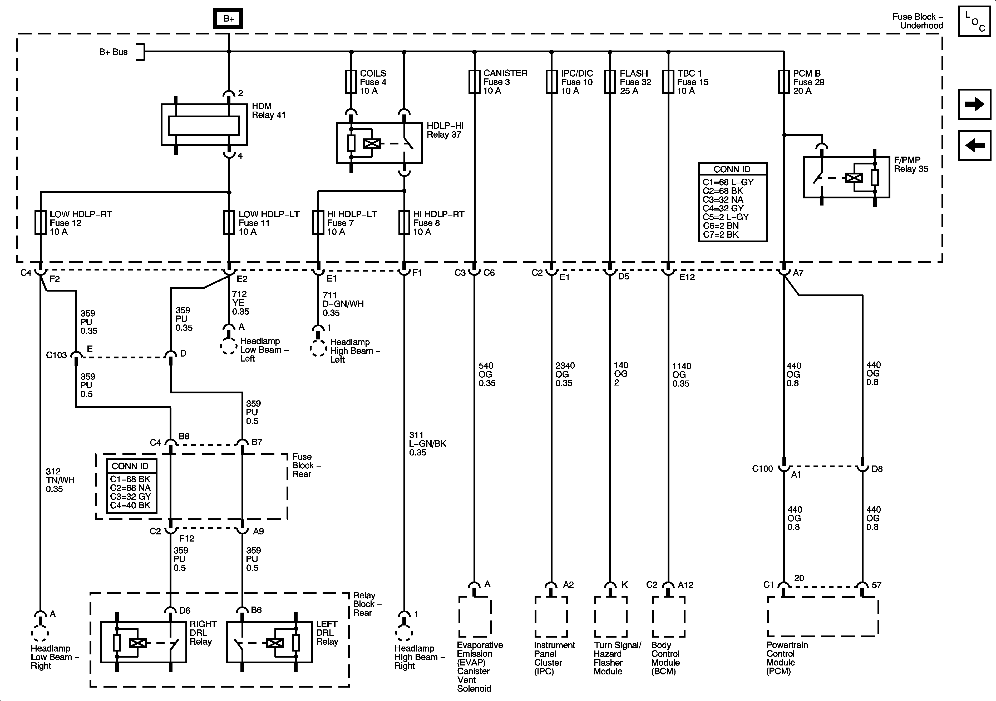
🢒 COILS, CANISTER, IPC/DIC, FLASH, TBC 1 and PCM B Fuses
COILS, CANISTER, IPC/DIC, FLASH, TBC 1 and PCM B Fuses
COILS, CANISTER, IPC/DIC, FLASH, TBC 1 and PCM B Fuses
Master Electrical Component List
ENG CLN FAN, ABS, BLOWER, CIGAR and ST/LP Fuses
ACCY/RUN and RUN/START BUS BAR
B+ BUS - Fuse Block Underhood