GM Service Manual Online
For 1990-2009 cars only
Makes
🢒
Chevrolet
🢒
2003
🢒
SSR
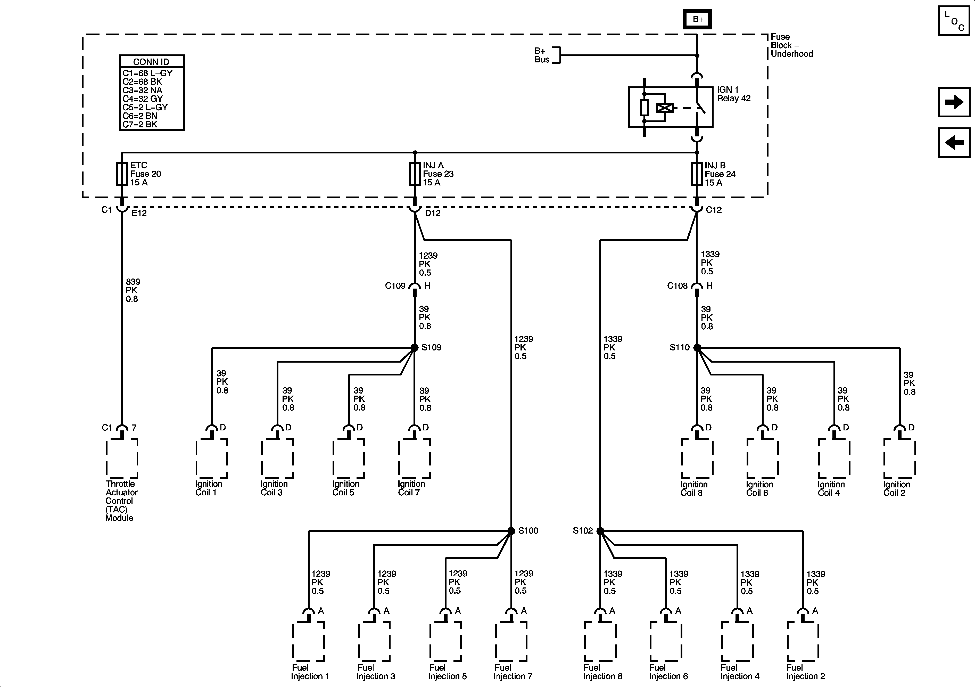
🢒 TAC, INJ A and INJ B Fuses
TAC, INJ A and INJ B Fuses
TAC, INJ A AND INJ B Fuses
Master Electrical Component List
DR SEAT MOD, UGDO, R/DEFG, DEFG CONT, RDO and HVAC B DD UNLOCK Fuses
ENG CLN FAN, ABS, BLOWER, CIGAR and ST/LP Fuses
B+ BUS - Fuse Block Underhood