GM Service Manual Online
For 1990-2009 cars only
Makes
🢒
Chevrolet
🢒
2003
🢒
SSR
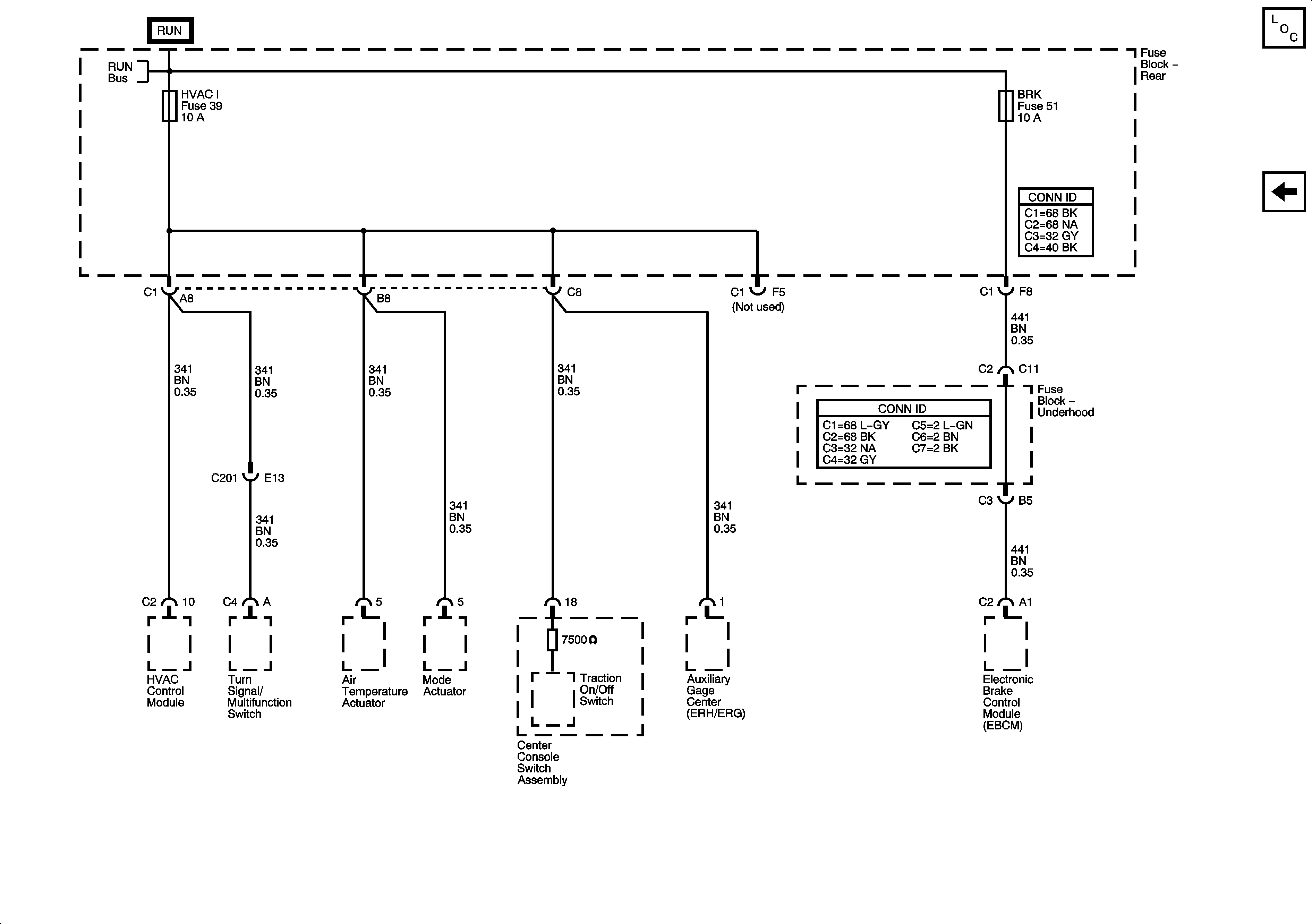
🢒 HVAC I and BRK Fuses
HVAC I and BRK Fuses
HVAC I and BRK Fuses
Master Electrical Component List
PCM I, SIR, O2 A, O2 B AND ENG I Fuses
ACCY/RUN and RUN/START BUS BAR