GM Service Manual Online
For 1990-2009 cars only
Makes
🢒
Chevrolet
🢒
2003
🢒
SSR
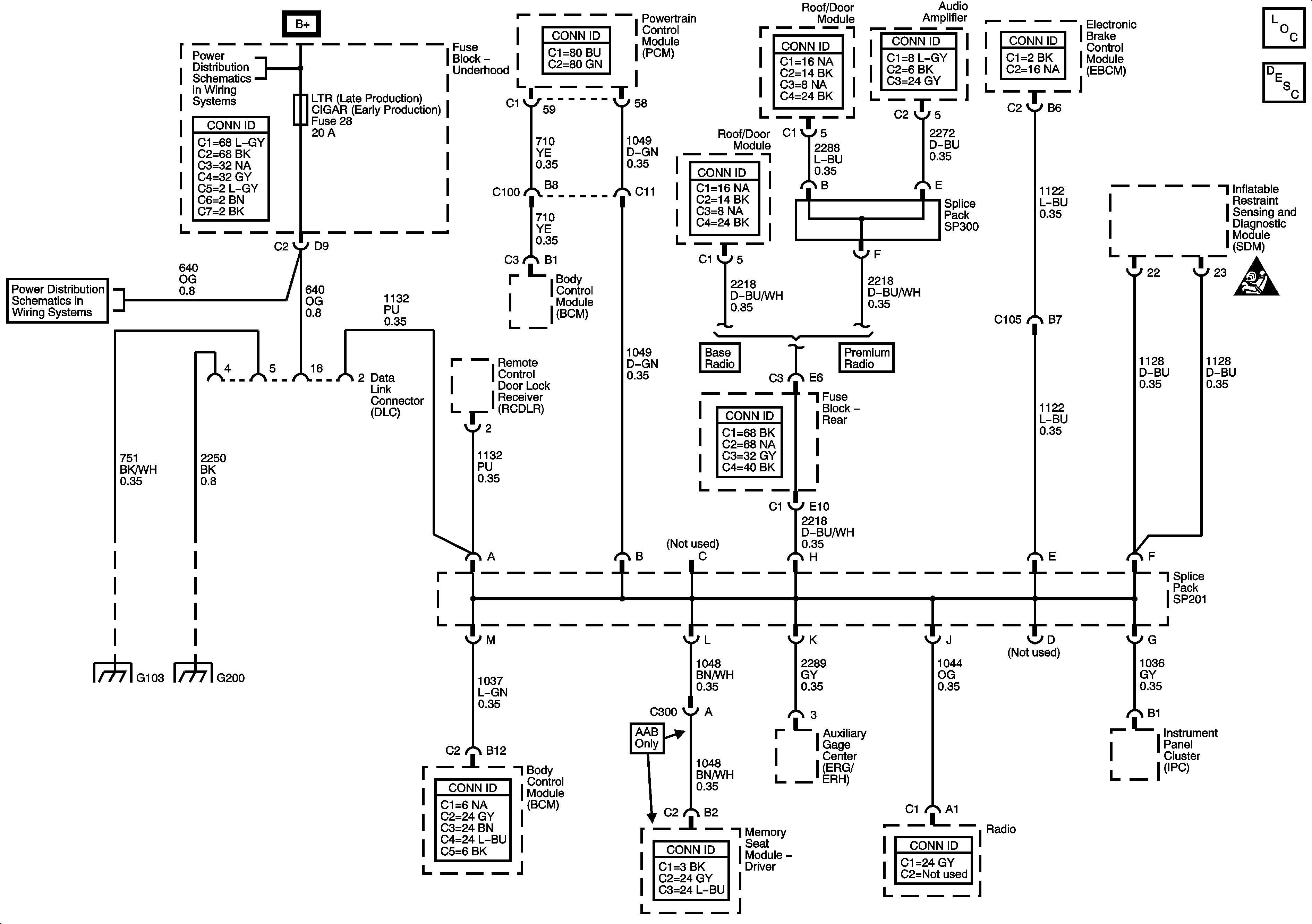
🢒 Data Link Connector (DLC) Schematics
Data Link Connector (DLC) Schematics
Master Electrical Component List
Data Link Communications Description and Operation
ENG CLN FAN, ABS, BLOWER, CIGAR and ST/LP Fuses
B+ BUS - Fuse Block Underhood
SIR Caution for Zoning
G103, G104
G200