GM Service Manual Online
For 1990-2009 cars only
Makes
🢒
Chevrolet
🢒
2003
🢒
SSR
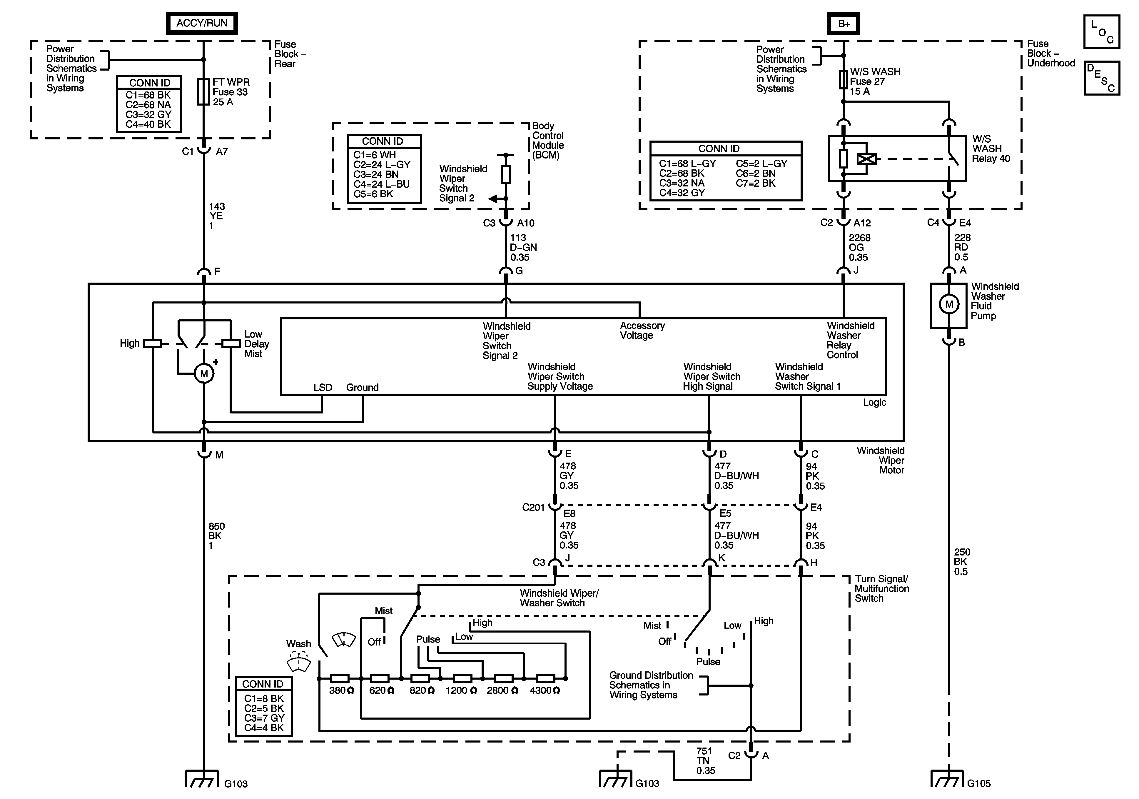
🢒 Wiper/Washer System Schematics
Wiper/Washer System Schematics
Master Electrical Component List
Wiper/Washer System Description and Operation
ACCY/RUN and RUN/START BUS BAR
B+ BUS - Fuse Block Underhood
G103, G104
G103, G104
G103, G104
G105