GM Service Manual Online
For 1990-2009 cars only
Makes
🢒
Chevrolet
🢒
2004
🢒
SSR
🢒 Shift Lock Control
Shift Lock Control
Master Electrical Component List
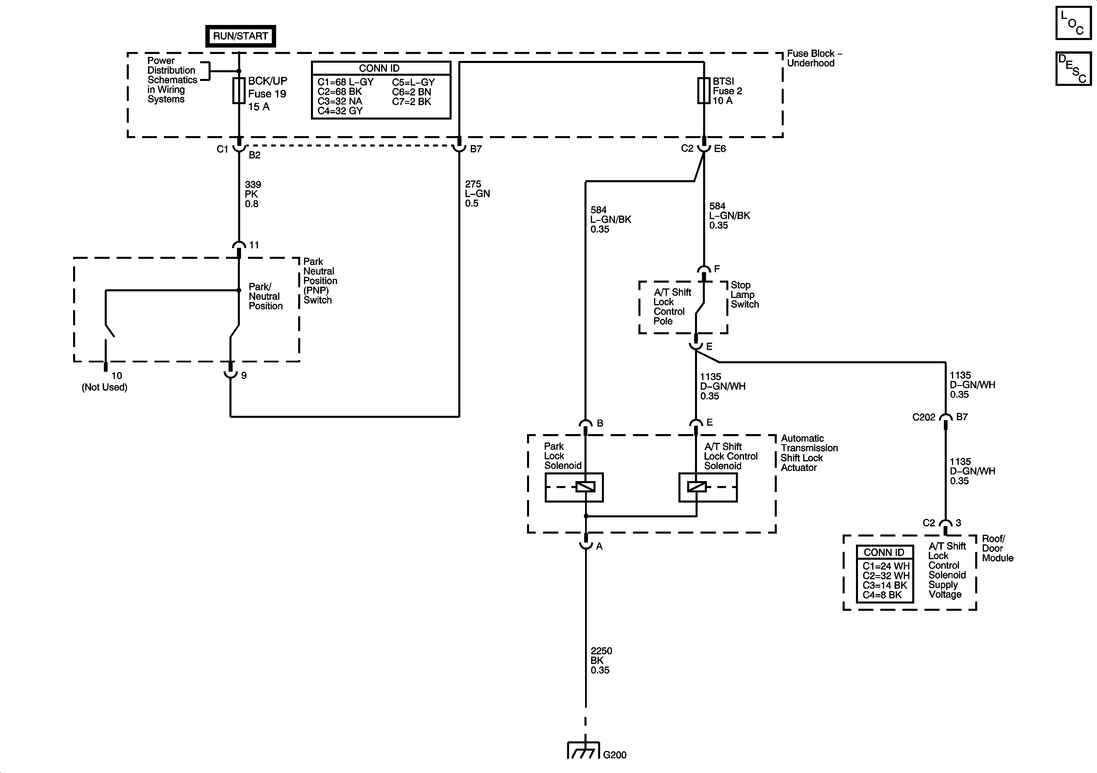
Automatic Transmission Shift Lock Control Description and Operation
ACCY/RUN and RUN/START Bus Bar
G200