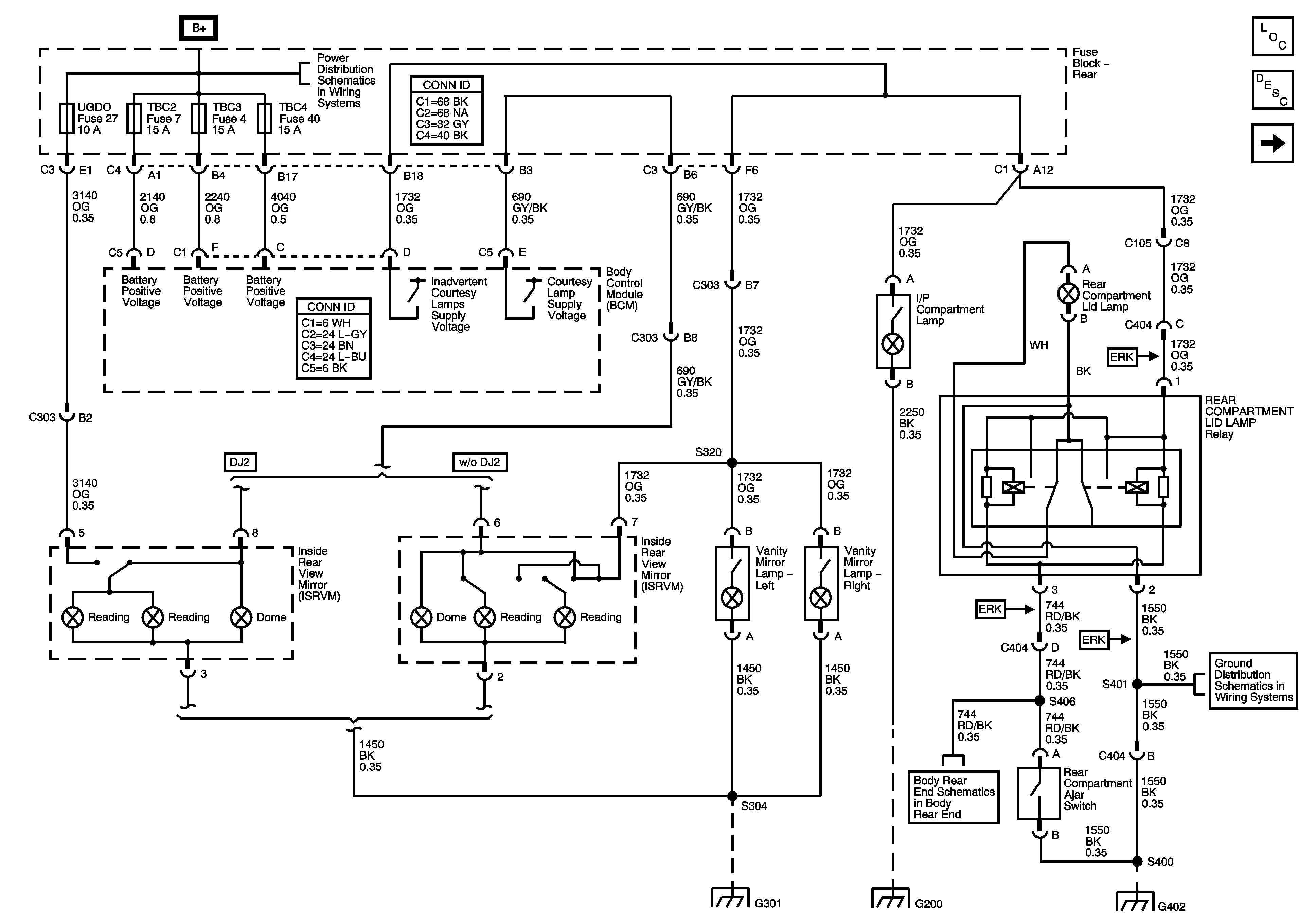
GM Service Manual Online
For 1990-2009 cars only
Makes
🢒
Chevrolet
🢒
2004
🢒
SSR
🢒 Interior Lights
Interior Lights
Interior Lights
Master Electrical Component List
Interior Lighting Systems Description and Operation
Door Ajar Switches
B+ Bus - Fuse Block Rear
G301, G302
G200
G400, G401, G402, G402, G404, G405