GM Service Manual Online
For 1990-2009 cars only
Makes
🢒
Chevrolet
🢒
2004
🢒
SSR
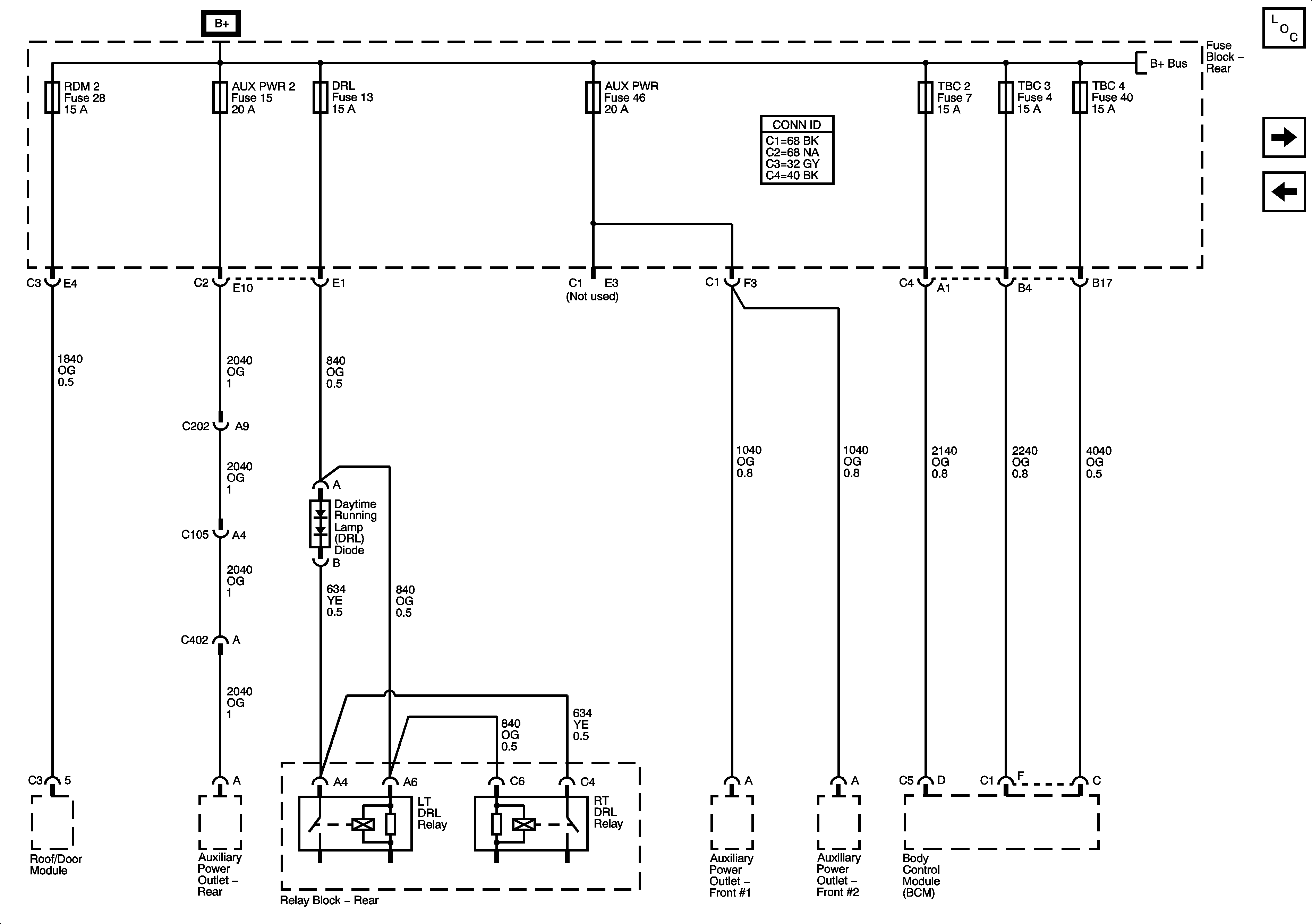
🢒 RDM 2, AUX PWR 2, DRL, AUX PWR, TBC 2, TBC 3 AND TBC 4 Fuses
RDM 2, AUX PWR 2, DRL, AUX PWR, TBC 2, TBC 3 AND TBC 4 Fuses
RDM 2, AUX PWR 2, DRL, AUX PWR, TBC 2, TBC 3 and TBC 4 Fuses
Master Electrical Component List
RKE, DDM AND AMP Fuses, ROOF PUMP, ROOF-DOOR MOD Circuit Breakers
DR SEAT MOD, LUGDO, R/DEFG, DEFG CONT, RDO and HVAC B, DDUNLOCK Fuses
B+ Bus - Fuse Block Rear