GM Service Manual Online
For 1990-2009 cars only
Makes
🢒
Chevrolet
🢒
2004
🢒
SSR
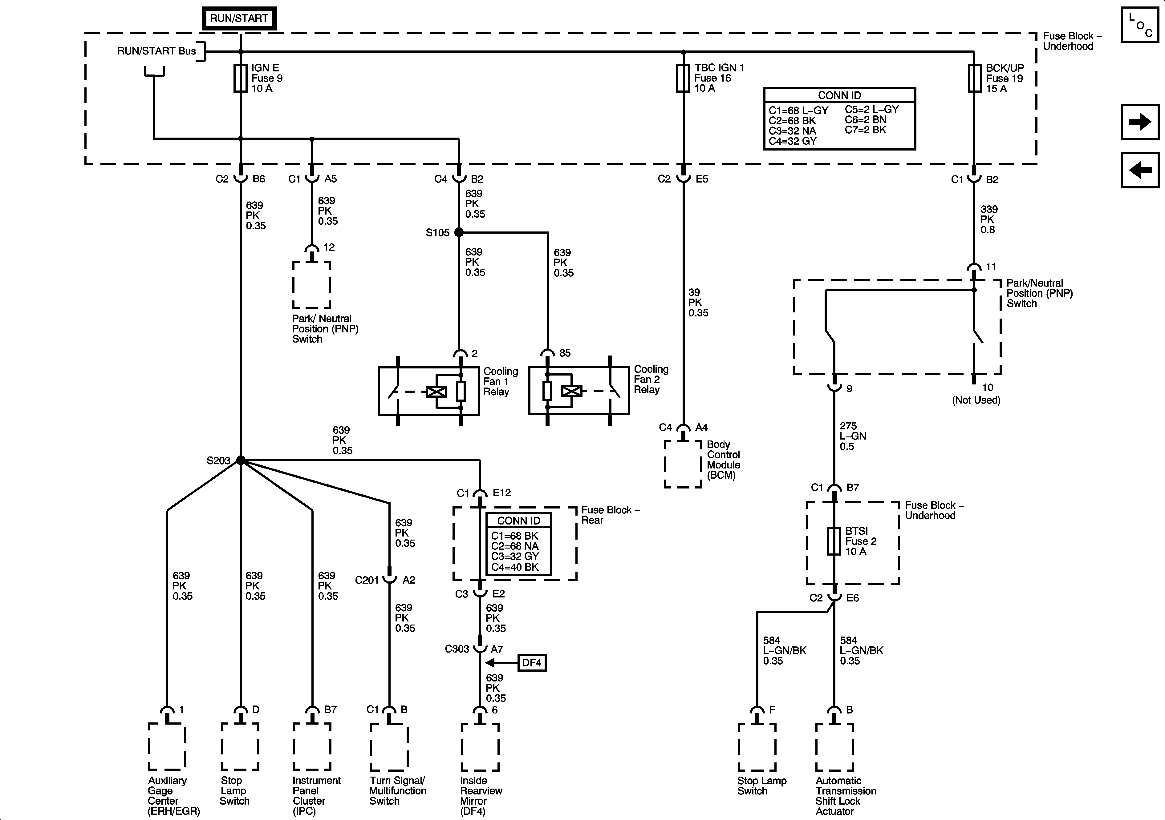
🢒 IGN E, TBC IGN 1, BCK/UP and BTSI
IGN E, TBC IGN 1, BCK/UP and BTSI
IGN E, TBC IGN 1, BACK UP and BTSI Fuses
Master Electrical Component List
PCM I, SIR, 02A, 02B AND ENG I Fuses
IGN0, TBCIG, TBC 4CC, FT WPR Fuses
ACCY/RUN and RUN/START Bus Bar