GM Service Manual Online
For 1990-2009 cars only
Makes
🢒
Chevrolet
🢒
2004
🢒
SSR
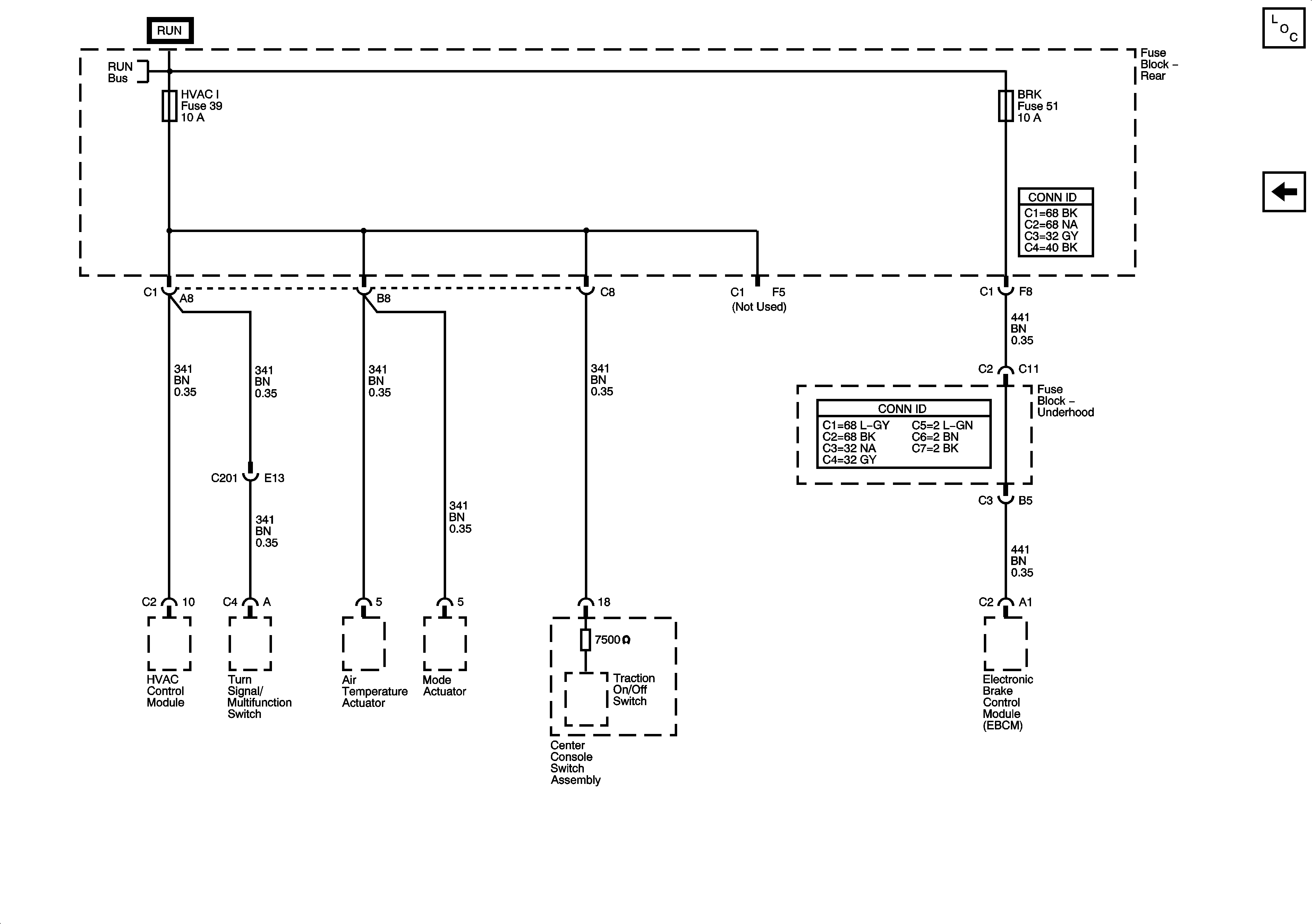
🢒 HVAC I and BRK Fuses
HVAC I and BRK Fuses
HVAC I and BRK Fuses
Master Electrical Component List
PCM I, SIR, 02A, 02B AND ENG I Fuses
ACCY/RUN/START, RUN and START Bus Bars