GM Service Manual Online
For 1990-2009 cars only

Removal Procedure


    Object Number: 1231427  Size: SH
  1. Remove the engine sight shield and mounting bracket. Refer to Upper Intake Manifold Sight Shield Replacement in Engine Mechanical - 6.0L.

  2. Object Number: 1536785  Size: SH
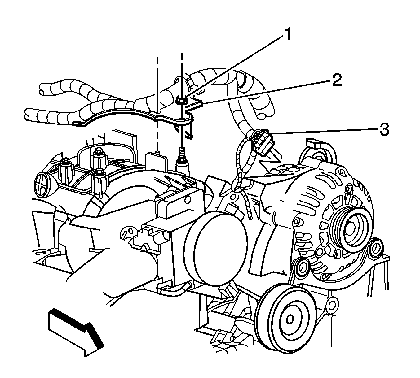
  3. Remove the retaining bolt (1) for the engine wiring harness bracket (2).
  4. Disconnect the electrical connector for the generator (3).

  5. Object Number: 1485982  Size: SH
  6. Disconnect the evaporative emission (EVAP) pipes (1) and (2) from the EVAP purge solenoid. Refer to Plastic Collar Quick Connect Fitting Service .

  7. Object Number: 1536792  Size: SH
  8. Disconnect the EVAP purge solenoid electrical connector (2).

  9. Object Number: 1485983  Size: SH
  10. Remove the EVAP purge solenoid (1) from the fuel rail mounting bracket.

Installation Procedure


    Object Number: 1536792  Size: SH
  1. Reconnect the electrical connector (2) for the surge solenoid (1).

  2. Object Number: 1485983  Size: SH
  3. Install the surge solenoid (1) on the fuel rail mounting bracket.

  4. Object Number: 1485982  Size: SH
  5. Reconnect the EVAP pipes (1) and (2) to the surge solenoid.

  6. Object Number: 1536785  Size: SH
  7. Position the engine wiring harness (2) on the intake manifold.
  8. Notice: Refer to Fastener Notice in the Preface section.

  9. Install the engine wiring harness retaining nut (2).
  10. Tighten
    Tighten the retaining nut (2) to 10 N·m (89 lb in).


    Object Number: 1231427  Size: SH
  11. Install the engine sight shield and mounting bracket. Refer to Upper Intake Manifold Sight Shield Replacement in Engine Mechanical - 6.0L.