GM Service Manual Online
For 1990-2009 cars only
Makes
🢒
Chevrolet
🢒
2005
🢒
SSR
🢒
Body
🢒
Wiring Systems
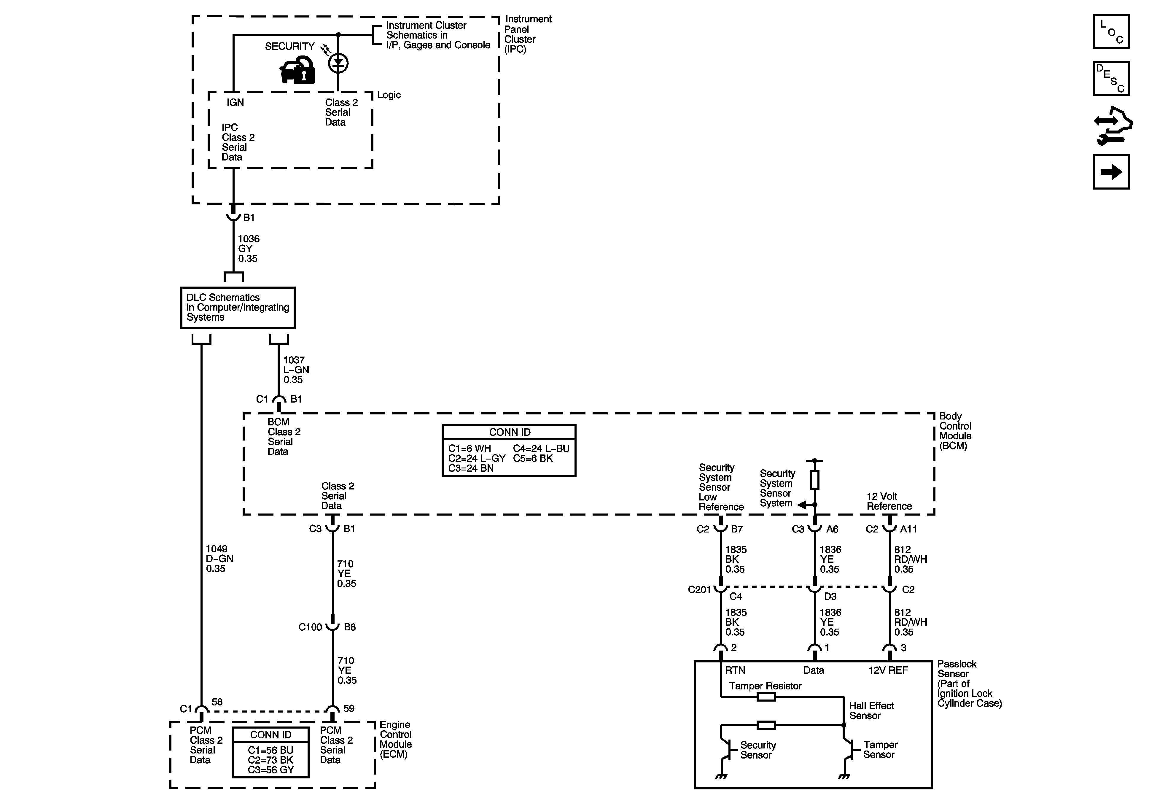
🢒 Theft Deterrent System Schematics
Figure
1:
Vehicle Theft Deterrent
Master Electrical Component List
Vehicle Theft Deterrent (VTD) Description and Operation
Control Module References
Content Theft Deterrent
Data Link Connector Schematics
Indicator and DIC Controls
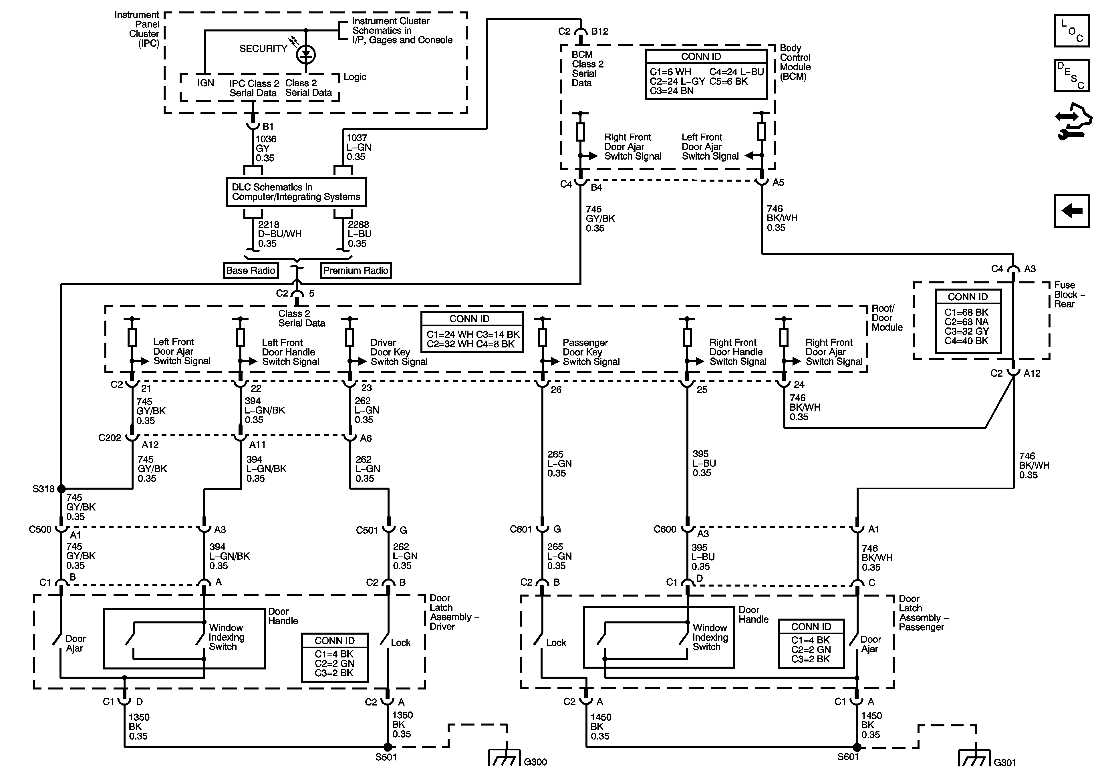
Figure
2:
Content Theft Deterrent
Master Electrical Component List
Content Theft Deterrent (CTD) Description and Operation
Control Module References
Vehicle Theft Deterrent
Indicator and DIC Controls
Data Link Connector Schematics
G300
G301, G302