GM Service Manual Online
For 1990-2009 cars only
Makes
🢒
Chevrolet
🢒
2005
🢒
SSR
🢒 Brake Warning System
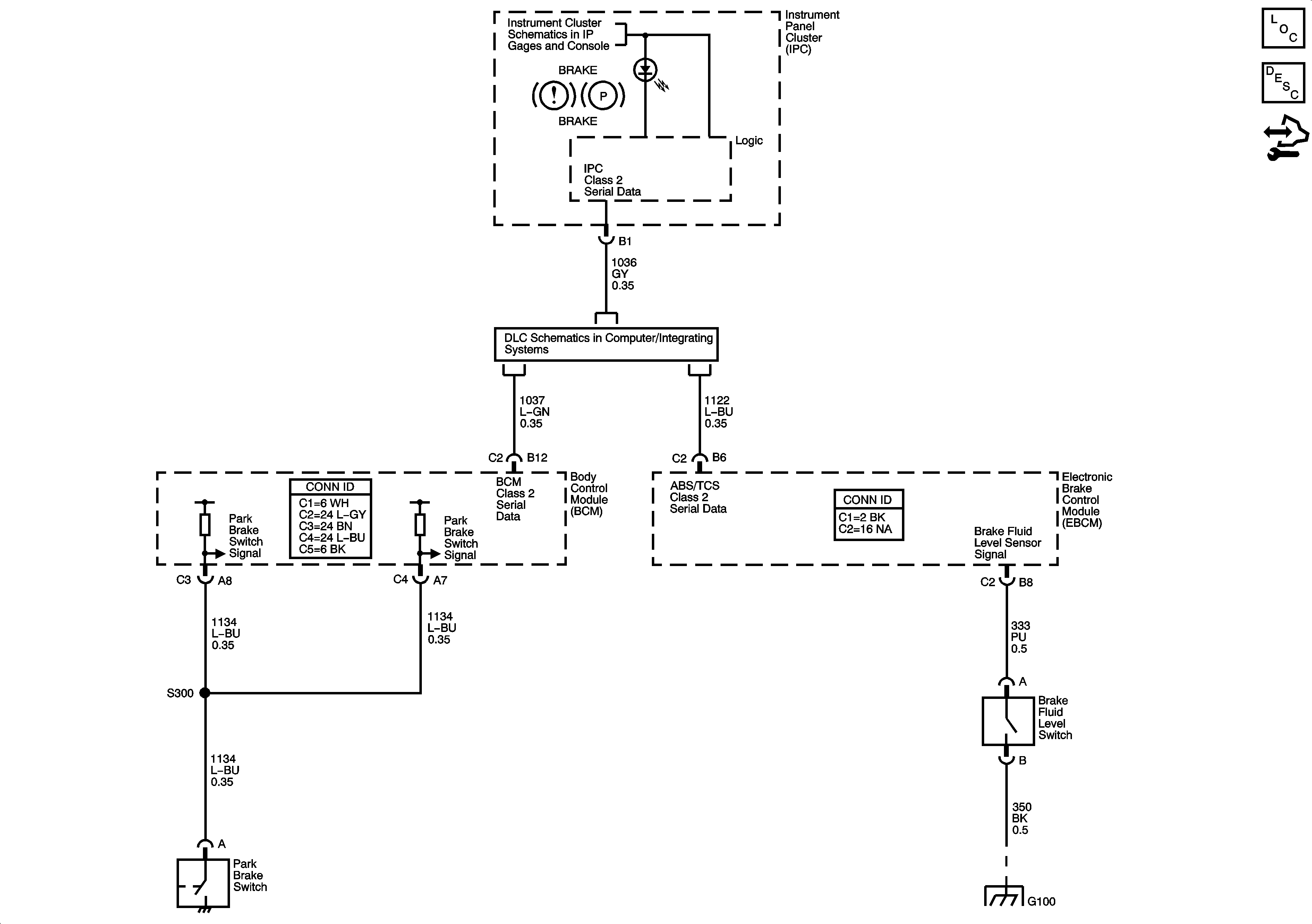
Brake Warning System
Master Electrical Component List
Brake Warning System Description and Operation
Control Module References
Indicator and DIC Controls
Data Link Connector Schematics
G100, G102