GM Service Manual Online
For 1990-2009 cars only
Makes
🢒
Chevrolet
🢒
2005
🢒
SSR
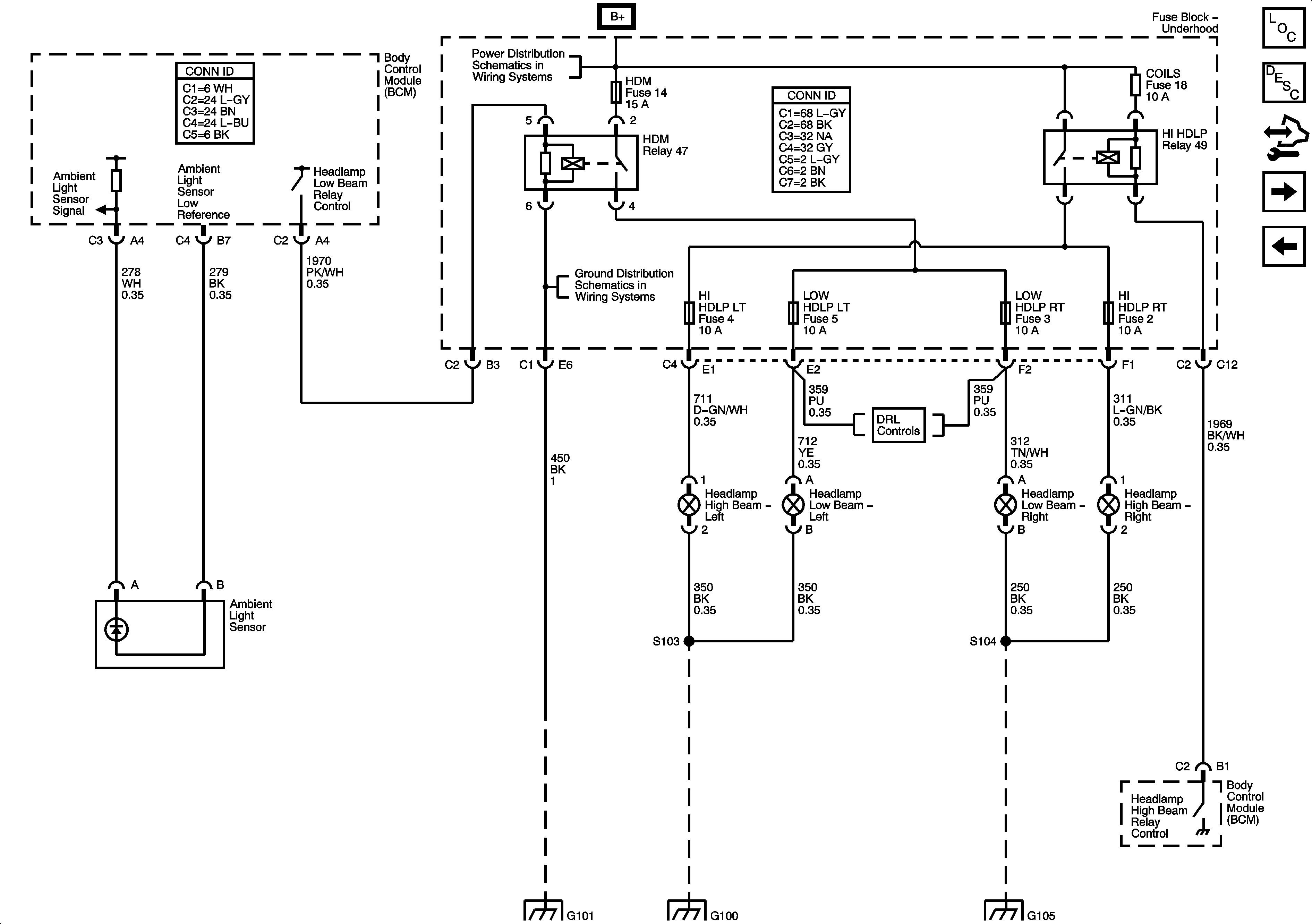
🢒 Headlamp Relay Control
Headlamp Relay Control
Headlamp Relay Control
Master Electrical Component List
Exterior Lighting Systems Description and Operation
Control Module References
Daytime Running Lamp (DRL) Relay Control
Headlamp and Headlamp Dimmer Switch Control
B+ Bus Underhood Fuse Block
G101
Daytime Running Lamp (DRL) Relay Control
G101
G100, G102
G105